Книга Электроника для начинающих, страница 36 – Паоло Аливерти

Авторы: А Б В Г Д Е Ж З И Й К Л М Н О П Р С Т У Ф Х Ч Ш Ы Э Ю Я
Книги: А Б В Г Д Е Ж З И Й К Л М Н О П Р С Т У Ф Х Ц Ч Ш Щ Ы Э Ю Я
Бесплатная онлайн библиотека LoveRead.ec

Онлайн книга «Электроника для начинающих»

📃 Cтраница 36

• макетная плата;

• батарейка на 9 В с зажимом;

• перемычки или соединительные провода.


На этот раз мы не будем повторять последовательность сборки подробнейшим образом. Начнем с подсоединения кнопки для заряда, затем подключим конденсатор, резистор и светодиод. Подключаем кнопку и светодиод к шинам питания. На небольшом расстоянии от первой кнопки и светодиода добавляем вторую кнопку и второй светодиод и, используя две длинные перемычки, соединяем их с конденсатором.

Иллюстрация к книге — Электроника для начинающих [i_192.jpg]

Рис. 5.4. Составление цепи на макетной плате


При нажатии первой кнопки ток начинает течь, при этом конденсатор заряжается. Красный светодиод будет мигать короткое время, а затем погаснет. Если мы еще раз нажмем на кнопку, ничего не произойдет, потому что конденсатор зарядился, следовательно, ток не течет. Нажимаем вторую кнопку: таким образом мы подключим второй светодиод к заряженному конденсатору. Он будет работать как небольшая батарейка, включив на некоторое время зеленый светодиод, излучающий короткую вспышку света.

Эксперимент со светодиодом и диодом

С помощью этой схемы мы будем проверять поведение диода: если он правильно ориентирован, то будет течь ток и светодиод загорится.

Иллюстрация к книге — Электроника для начинающих [i_193.jpg]

Рис. 5.5. Электрическая схема для определения поведения диода


Нам необходимы:

• нормально разомкнутая кнопка (например, модель OMRON B3F размером 12 мм.);

• светодиод;

• резистор на 470 Ом;

• диод 1N4007;

• макетная плата;

• батарейка на 9 В с зажимом;

• перемычки или соединительные провода.


Начнем построение схемы, подсоединив кнопку на макетную плату, затем вставим резистор, светодиод и диод. На диоде обозначена небольшая белая полоса, которая указывает на катод (отрицательный полюс): обратите внимание на его положение в цепи. Катод должен быть соединен непосредственно с отрицательной линией питания с помощью небольшой перемычки. Таким образом, диод смещен в прямом направлении, и, если нажать на кнопку, све-тодиод загорится. Давайте попробуем измерить ток, который циркулирует в цепи. Теперь сила тока в цепи, содержащей только светодиод и резистор, будет немного меньше 15 мА. Почему?

На этот раз мы должны также учитывать падение напряжения на диоде, которое составляет около 0,7 В. Диод, подключенный таким образом, работает в прямом смещении. Для его включения, необходимо минимальное напряжение со значением около 0,6/0,7 В. Попробуем суммировать напряжения в контуре:


9 – iR – 2–0,7 = 0


На этот раз мы также вычли напряжение 0,7 В на выводах диода. Таким образом, на резисторе мы имеем падение напряжения 6,3 В. Сила тока равна:


Иллюстрация к книге — Электроника для начинающих [i_194.jpg]
Иллюстрация к книге — Электроника для начинающих [i_195.jpg]

Рис. 5.6. Составление цепи со светодиодом и диодом на макетной плате


Проверяем напряжение на выводах диода тестером. Прикладываем щупы к выводам диода и считываем присутствующее напряжение. Каково его значение?

Теперь изменим схему, переворачиваем диод: его отрицательный вывод (помеченный белой полосой) должен быть подключен непосредственно к светодиоду, а положительный вывод – к отрицательной шине электропитания. Нажимаем кнопку. Ничего не происходит, светодиод не горит, так как диод смещен в обратном направлении и не пропускает ток.

Давайте попробуем измерить ток и напряжение. Каковы их значения?

Иллюстрация к книге — Электроника для начинающих [i_196.jpg]

Рис. 5.7. Переворачиваем диод, получаем смещение в обратном направлении: светодиод не включится

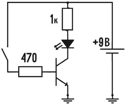
Привет, транзистор

С помощью этого эксперимента мы используем транзистор для управления светодиодом. Путем подачи тока к управляющему выводу транзистора, базе, мы будем влиять на ток, протекающий между двумя другими выводами: эмиттером и коллектором.

Иллюстрация к книге — Электроника для начинающих [i_197.jpg]

Рис. 5.8. Электрическая схема цепи «Привет, транзистор»


Нам необходимы:

• нормально разомкнутая кнопки (например, модель OMRON B3F размером 12 мм);

• светодиод;

• резистор на 470 Ом;

• резистор на 1 кОм;

• транзистор 2N2222;

• макетная плата;

• батарейка на 9 В с зажимом;

• перемычки или соединительные провода.


Конструкция этой схемы немного сложнее предыдущих, но достаточно быть внимательными при соединении и стараться поддерживать порядок, не используя провода длиннее, чем требуется:

1. Начнем с подсоединения транзистора на макетную плату, следует подсоединять его к центральным отверстиям, а не к шинам электропитания.

2. Если плоскую сторону держать повернутой к нам, выводы транзистора 2N2222 должны располагаться в порядке «эмиттер, база, коллектор» (ЭБК) (всегда проверяем в техническом описании).

3. Подключаем эмиттер к отрицательной шине питания.

4. Добавляем сопротивление на 470 Ом и светодиод и соединяем их между коллектором и положительной шиной питания.

5. Добавляем кнопку и резистор на 1 кОм.

6. Соединяем кнопку с базой транзистора.

Иллюстрация к книге — Электроника для начинающих [i_198.jpg]

Рис. 5.9. Цепь «Привет, транзистор» на макетной плате


Рассмотрев электрическую схему, мы можем увидеть, что, когда кнопка не нажата, ток не достигает базы транзистора и, следовательно, не будет течь между эмиттером и коллектором. При нажатии на кнопку ток будет течь через резистор на 1 кОм. Для расчета тока просуммируем напряжения в контуре:


9 – iR – 0,5 = 0


Мы имеем напряжение батарейки, от которого вычтем падение напряжения на резисторе и напряжение 0,5 В между базой и эмиттером транзистора, что мы должны учитывать, поскольку он включен. Сила тока, приходящего на базу, будет равна:

Вход
Поиск по сайту
Ищем:
Календарь