Книга Электроника для начинающих, страница 35 – Паоло Аливерти

Авторы: А Б В Г Д Е Ж З И Й К Л М Н О П Р С Т У Ф Х Ч Ш Ы Э Ю Я
Книги: А Б В Г Д Е Ж З И Й К Л М Н О П Р С Т У Ф Х Ц Ч Ш Щ Ы Э Ю Я
Бесплатная онлайн библиотека LoveRead.ec

Онлайн книга «Электроника для начинающих»

📃 Cтраница 35
LM317

Роберт Видлар, гений Кремниевой долины и разработчик многих электронных устройств, выпускающихся по сей день, изобрел этот регулятор переменного напряжения, управляемый двумя простыми резисторами. Первая версия этой схемы вышла в 1970 году, когда Видлар работал в компании National Semiconductor. По принципу использования LM317 аналогичен регуляторам серии 78ХХ, за исключением того, что свободно регулируется. Данное устройство также не может обеспечить высокие токи и может перегреться.

LM386

Как сделать звуковой усилитель, способный управлять небольшим громкоговорителем? Либо мы используем несколько транзисторов, резисторов и конденсаторов, либо гениальный LM386 вместе с парой конденсаторовразнообразные функции – и через несколько минут усилитель готов. Этот чип служит в качестве аудио – усилителя для радио или небольших усилителей. В интернете можно найти множество проектов по разработке небольшого портативного усилителя с помощью LM386. LM386 оснащен только 8 выводами и может обеспечить до 1 Вт мощности.

Глава 5
Проекты и эксперименты: заходим в лабораторию

Заходим в лабораторию и проверяем, чему мы научились в предыдущих главах. Нам понадобятся макетная плата и некоторые компоненты для проведения простых практических экспериментов.

Эта глава имеет практический характер: вместе мы произведем серию экспериментов, пытаясь на практике использовать теоретические знания, полученные в предыдущих главах. Нам понадобятся макетная плата, тестер, несколько перемычек и некоторые компоненты, которые будут перечислены в каждом случае. Если у вас нет перемычек, можно использовать обычный электрический провод с жесткой медной сердцевиной.

Светодиод с кнопкой

Соберем цепь, в которой светодиод загорается при нажатии кнопки.

Нам необходимы:


• нормально разомкнутая кнопка (например, модель OMRON B3F размером 12 мм или аналогичная);

• светодиод;

• резистор на 470 Ом;

• макетная плата;

• батарейка на 9 В с зажимом;

• перемычки или соединительные провода.

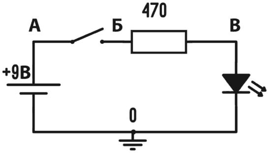
Иллюстрация к книге — Электроника для начинающих [i_188.jpg]

Рис. 5.1. Электрическая схема цепи со светодиодом и кнопкой


Перед тем как приступить к сборке этой простой схемы, давайте проанализируем ее принцип работы. Кнопка останавливает ток, но при ее нажатии ток будет течь через резистор, включив светодиод. Для вычисления силы тока, текущего в цепи, просуммируем напряжения в полном контуре. У нас есть напряжение 9 В, подаваемое от батарейки, от которого мы вычтем падение напряжения на резисторе и падение напряжения на выводах светодиода, предположительно 2 В. Имеем:


9 – iR – 2 = 0


Таким образом, на резисторе мы имеем падение напряжения 7 В. Сила тока составит:


Иллюстрация к книге — Электроника для начинающих [i_189.jpg]

Мы проверим эти значения после того, как соберем цепь. Схема очень проста и необходима нам для обретения практических навыков при работе с макетной платой и другими компонентами.


1. Вставим кнопку на макетную плату. Мы видим, что ее выводы размещены на двух противоположных сторонах, а открытый контакт между выводами одной стороны. Кнопка вставляется по краям центральной полосы макетной платы, выводы размещаются на третьем и пятом столбце.

2. Подключим сопротивление на 470 Ом, располагаем один вывод на пятом столбце (тот же столбец, на котором подключен вывод кнопки), а второй вывод – на девятом столбце.

3. Положительный вывод светодиода подключаем на девятый столбец (тот же, на котором подключен второй вывод резистора) и катод на десятый столбец. Положительный вывод длиннее; на стороне отрицательного вывода край светодиода сглажен.

4. Вставим перемычку между красной положительной линией питания, находящейся по краю макетной платы, и третьим столбцом (например, в отверстие J3).

5. Вставим перемычку между синей отрицательной линией питания, находящейся по краю макетной платы, и десятым столбцом (например, в отверстие J10).

6. Подключим провода от зажимов батарейки к линиям питания макетной платы. Используйте те же линии питания, к которым подключали перемычки.

7. Подключим батарейку на 9 В и нажмем кнопку для включения светодиода.

Иллюстрация к книге — Электроника для начинающих [i_190.jpg]

Рис. 5.2. Цепь для светодиода с кнопкой, собранная на макетной плате


Проверяем значения напряжений и токов с помощью тестера. Регулируем прибор для измерения тока, а затем прерываем цепь в любой точке. Прикладываем щупы и нажимаем кнопку на макетной плате. Тестер должен показывать значение примерно 15 мА. Теперь восстанавливаем цепь и измеряем напряжения. Прикладываем черный щуп к отрицательному источнику питания и красным щупом проверяем различные напряжения, присутствующие в цепи.

Попробуем поэкспериментировать, добавив другие кнопки, соединенные последовательно или параллельно.

Заряд и разряд конденсатора

Изменим цепь из предыдущего эксперимента и посмотрим, каким образом происходит заряд конденсатора. В предыдущих главах мы узнали, что конденсатор заряжается в определенный момент времени, когда на его пластинах накапливаются заряды. Используем конденсатор на 100 мкФ, последовательно соединенный с резистором на 470 Ом и светодиодом. Максимально заряженное состояние достигается меньше чем за одну десятую секунды. Заряд осуществляется за 5 циклов, что в нашем случае составляет 0,04 с. После того как конденсатор зарядился, он сохраняет внутри заряд в течение определенного времени (по этой причине эти компоненты могут быть опасны, будьте осторожны, когда разбираете старые электроприборы, которые могут содержать заряженные конденсаторы). Нажимаем вторую кнопку, чтобы разрядить конденсатор через второй светодиод.

Иллюстрация к книге — Электроника для начинающих [i_191.jpg]

Рис. 5.3. Электрическая схема для проверки заряженности конденсатора


Нам необходимы:


• две нормально разомкнутые кнопки (например, модель OMRON B3F размером 12 мм);

• красный и зеленый светодиод;

• резистор на 470 Ом;

• конденсатор на 100 мкФ;

Вход
Поиск по сайту
Ищем:
Календарь