Книга Электроника для начинающих, страница 33 – Паоло Аливерти

Авторы: А Б В Г Д Е Ж З И Й К Л М Н О П Р С Т У Ф Х Ч Ш Ы Э Ю Я
Книги: А Б В Г Д Е Ж З И Й К Л М Н О П Р С Т У Ф Х Ц Ч Ш Щ Ы Э Ю Я
Бесплатная онлайн библиотека LoveRead.ec

Онлайн книга «Электроника для начинающих»

📃 Cтраница 33

Таблица 4.1. Схема поведения МОП-транзисторов

Иллюстрация к книге — Электроника для начинающих [i_180.jpg]
МОП-транзистор в качестве переключателя

Простейший вид использования МОП-транзистора – это применение в качестве переключателя, управляемого напряжением. Давайте проведем эксперимент с использованием МОП-транзистора типа насыщения с каналом N-типа, такой как 2N7000 или IRF520. Для проверки устройства необходимо воздействовать на напряжение Uзи, то есть на разность напряжения между затвором и истоком. Транзистор является частью схемы, поэтому будет подключен к другим компонентам. При подключении к источнику питания каждый элемент будет обладать определенным напряжением. Мы можем применить тестер, используя черный отрицательный щуп для определения напряжения в каждой точке цепи. Представим, что при прикосновении щупом к выводу затвора напряжение составляет 7 В. Затем, прикасаясь щупом к истоку, видим напряжение 5 В.

Иллюстрация к книге — Электроника для начинающих [i_181.jpg]

Рис. 4.27. В цепи на рисунке напряжение Uзи составляет 2 В, так как напряжение на затворе 7 В, а на истоке 5 В


Обозначение Uзи равносильно разности напряжения между Затвором и Истоком:

Uзи = Uз – Uи = 7 (В) – 5 (В) = 2 (В)

В приведенном выше примере Uзи будет равняться +2 В. Если бы напряжение на затворе составляло 3 В, а на истоке 7 В, то напряжение Uзи было бы равно –4 В: поэтому можно получить и отрицательное контролирующее напряжение.

Для напряжения Uси действует то же правило: измерения напряжения Стока по отношению к земле, вычитаем напряжение Истока, также относительно земли. Попытаемся собрать схему, изображенную на рис. 4.28, на макетной плате. Нам понадобится:


• макетная плата;

• МОП-транзистор модели 2N7000;

• светодиод;

• резистор на 390 Ом;

• резистор на 1 МОм;

• несколько перемычек;

• батарейка на 9 В с зажимом.


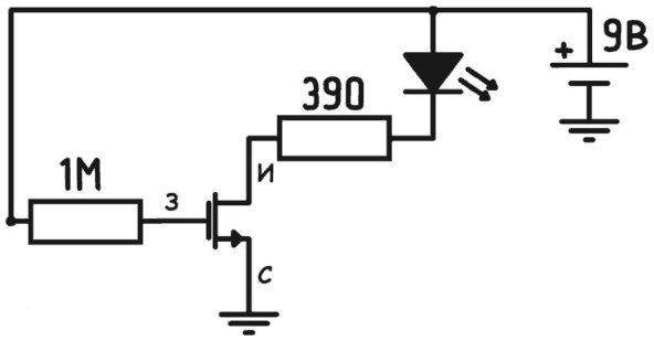
Схема электрической цепи показана на следующем рисунке.

Иллюстрация к книге — Электроника для начинающих [i_182.jpg]

Рис. 4.28. Электрическая схема цепи для МОП-транзистора, соединенного со светодиодом. Затвор через сопротивление 1 МОм подключен со светодиодом к 9 В


Заземляем затвор и подключаем к источнику питания. Светодиод будет выключен. Мы можем измерить напряжение на затворе и истоке, которое будет равно 0 В. Uзи тоже будет равен 0 В, МОП-транзистор не проводит ток.

Иллюстрация к книге — Электроника для начинающих [i_183.jpg]

Рис. 4.29. На графике показаны кривые для напряжения Uзи со значениями от 0 до 9 В


Резистор на 1 МОм служит для компенсации паразитных токов, которые могут повлиять на стабильность транзистора. Когда резистор заземлен, ток через него не течет, а если и проходит, то очень малый, следовательно, напряжение на затворе может считаться равным 0 В.

Теперь изменим схему, подключив затвор, также через резистор на 1 МОм, к напряжению источника питания. Напряжение на истоке будет 0 В, но на затворе оно составит 9 В, поэтому Uзи будет равно 9 В. Теперь светодиод включится, так как «канал открыт» из-за напряжения, приложенного к затвору, который уменьшает сопротивление почти до нуля. В этом случае мы также можем считать напряжение на затворе равным 9 В, даже если подключен резистор на 1 МОм, через который проходят маленькие токи.

МОП-транзистор в линейном режиме

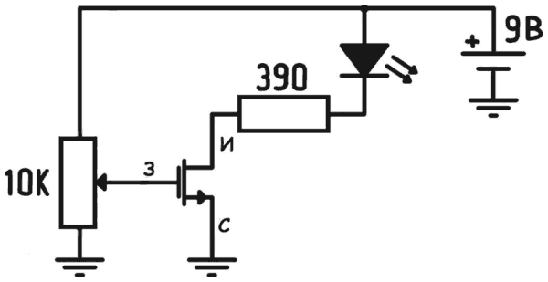
Мы проанализировали крайние случаи, когда напряжение на затворе равно 0 В или напряжению в источнике питания. Что же происходит, когда Uзи принимает промежуточные значения? Чтобы это узнать, снова изменим схему, подключив к ней триммер (подстроечный резистор), который может изменять напряжение на затворе с минимального значения до максимального.

Иллюстрация к книге — Электроника для начинающих [i_184.jpg]

Рис. 4.30. В этой схеме затвор подключен к триммеру, с помощью которого мы можем по желанию изменять значение Uзи


Поворачивая подстроечный резистор, мы будем менять яркость светодиода, потому что, воздействуя на Uзи, мы изменяем ток, текущий между стокоми истоком. Если заменить транзистор 2N7000 на МОП-транзистор, изготовленный по технологии истощения N-типа, то будет наблюдаться противоположное поведение: приложив к затвору напряжение 0 В, ток течет в канале, поэтому светодиод горит; с увеличением напряжения на затворе ток будет уменьшаться и светодиод постепенно погаснет. Мы могли бы использовать транзистор модели DN2530 (обратите внимание на расположение выводов!). Если мы используем МОП-транзистор Р-типа, нам необходимо изменить схему, потому что в этом случае напряжение Uзи должно быть меньше 0 В. Это не означает, что вам понадобится двойной источник питания, но что напряжение Uи должно быть больше Uз.

МОП-транзистор типа логический уровень

Может сложиться ситуация, когда вам необходимо управлять устройством, требующим напряжения, которое превышает максимальное напряжение, применимое к затвору. Типичная ситуация, когда мы хотим с помощью «Ардуино» контролировать зажигание лампочки или светодиода напряжением 12 В. «Ардуино» управляет лампочками через МОП-транзистор, который подает сигнал, не превышающий 5 В. Как мы уже видели ранее, в данном случае канал МОП-транзистора не будет полностью «открыт» и будет обладать определенным сопротивлением: лампочки не включатся максимально ярко! Мы могли бы решить эту проблему с помощью двух транзисторов… или заменив компонент специальным типом транзистора: МОП-транзистор логического уровня, способный достигать максимального открытия канала, даже если на затвор поступает небольшой сигнал в 5 В. МОП-транзистор модели FQP30N06L является устройством, выполненным по технологии насыщения N-типа.

Интегральные микросхемы

Интегральная микросхема является миниатюрной схемой, реализованной на небольшой кремниевой площадке (чип), на которой установлены транзисторы и другие компоненты, такие как резисторы и конденсаторы. Чип очень чувствителен к внешним воздействиям, по этой причине он защищен корпусом, снабженным множеством выводов, для электрического соединения с другими компонентами. Каждый вывод соединен с чипом с помощью тонких золотых проволок.

Иллюстрация к книге — Электроника для начинающих [i_185.jpg]

Рис. 4.31. Интегральная микросхема, на которой через прозрачный слой можно увидеть чип и его соединения с выводами

Вход
Поиск по сайту
Ищем:
Календарь