Книга Электроника для начинающих, страница 30 – Паоло Аливерти

Авторы: А Б В Г Д Е Ж З И Й К Л М Н О П Р С Т У Ф Х Ч Ш Ы Э Ю Я
Книги: А Б В Г Д Е Ж З И Й К Л М Н О П Р С Т У Ф Х Ц Ч Ш Щ Ы Э Ю Я
Бесплатная онлайн библиотека LoveRead.ec

Онлайн книга «Электроника для начинающих»

📃 Cтраница 30

Попробуем изменить собранную нами недавно пробную цепь: подключим сопротивление 1 кОм между базой транзистора и отрицательным выводом источника питания. Как и ожидалось, светодиод погаснет.

Иллюстрация к книге — Электроника для начинающих [i_160.jpg]

Рис. 4.14. База транзистора заземлена, переход база-эмиттер имеет нулевое напряжение: транзистор в инверсном режиме

Транзистор в активном режиме

Теперь заставим транзистор работать в промежуточном режиме, в котором цепь не является ни полностью разомкнутой, ни замкнутой. В этом случаепринято считать, что транзистор находится в активном режиме, и вы можете использовать его в качестве усилителя сигнала. Ток базы равен нескольким микроамперам, а ток между эмиттером и коллектором изменяется пропорционально изменению тока базы (IБ). В техническом описании транзистора модели 2N2222 показывается график, в котором изображены кривые, описывающие изменение тока коллектора и напряжение между коллектором и эмиттером. На том же графике построены несколько наложенных сверху кривых. Каждая кривая соответствует разному значению тока базы. Если мы решили работать с током базы, равным 0,5 мА, то из множества кривых нам понадобится только одна, соответствующая данному току.

Иллюстрация к книге — Электроника для начинающих [i_161.jpg]

Рис. 4.15. График рабочих кривых транзистора. Для каждого значения тока базы мы должны выбрать одну из кривых. Когда Vкэ превышает минимальное значение, равное 0,3 В, ток коллектора принимает постоянное значение


Используем схему на рис. 4.12, которую мы уже собирали на макетной плате. Но в этот раз изменим значение сопротивления, подключенного к базе, и назовем его R, ток базы будет равен 0,5 мА.

Иллюстрация к книге — Электроника для начинающих [i_162.jpg]

Рис. 4.16. С помощью резистора, подключенного между источником питания и базой, мы устанавливаем ток базы транзистора


Цепь питается от батарейки 9 В, поэтому падение напряжения на выводах резистора будет равно 8,5 В, то есть от 9 В батарейки мы вычитаем 0,5 В для соединения между базой и эмиттером.


Иллюстрация к книге — Электроника для начинающих [i_163.jpg]

Округлим значение сопротивления R до 18 кОм.

Теперь давайте посмотрим, как вычислить ток, протекающий в коллекторе (IК). В биполярном транзисторе существует прямая связь между I и I: ток коллектора равен току базы, умноженному на число (коэффициент усиления). В техническом описании коэффициент носит название «бета» (или греческой буквой (β), это переменный коэффициент, и его значения могут меняться даже среди транзисторов одного и того же типа, поэтому она всегда записывается как диапазон значений (например, от 150 до 220). Можно записать правило:


I = β – I


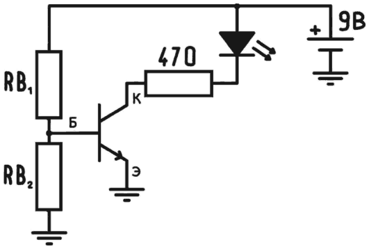
Бета – это число, которое можно найти в техническом описании, иногда его также называют Hfe (хотя это и не совсем одно и то же, но на практике эти два символа мало отличаются друг от друга); для транзистора модели 2N2222 значение бета может колебаться от 100 до 300. Значение указывается приблизительно, так как бета является переменным числом, которое может изменяться. По этой причине схема усилителя, что мы видели раньше, является простой, но не точной, потому что I сильно зависит от параметра бета, а также от температуры окружающей среды, что существенно влияет на изменение тока, поступающего на базу. Наилучшая схема, широко используемая на практике, включает также делитель напряжения на входе для фиксирования значения I.

Иллюстрация к книге — Электроника для начинающих [i_164.jpg]

Рис. 4.17. Для фиксирования тока базы может быть использован делитель напряжения: электрическая цепь более стабильна


Каково значение тока на базе в этом случае? Мы имеем ток, текущий между R и R, и часть этого тока выходит из делителя и поступает на базу биполярного транзистора. Эмпирический метод для определения сопротивления для усилителя на транзисторе – это использовать макетную плату с триммером (подстроечным резистором) вместо резистора, таким образом подав сигнал на вход, мы можем проверить выходной сигнал с помощью осциллографа (или с ардуиноскопа, описанного в приложении). Методом проб и ошибок мы можем регулировать триммер до тех пор, пока выходной сигнал не станет подходящим для нас. Чтобы сгенерировать пробный сигнал, можно использовать генератор сигналов или построить пробную электрическую цепь (мы рассмотрим это в последующих главах).

Чтобы определить величину тока базы, выходящего из делителя напряжения, мы будем использовать прием под названием «Эквивалентная схема Тевенена», в которой заменим два резистора источником напряжения и одним резистором.

В первую очередь мы должны перестроить схему, отделяя все элементы, находящиеся справа от транзистора, от тех, что располагаются слева от него. Цепь питается от одной батарейки, но так как мы разделили ее на две части, нам необходимо использовать две батарейки, по одной на каждой стороне с одинаковым напряжением. Очевидно, что все элементы будут располагаться вместе. Изменения служат только для упрощения вычислений. Реальная цепь все та же, что имеет делитель напряжения на входе.

Иллюстрация к книге — Электроника для начинающих [i_165.jpg]

Рис. 4.18. Чтобы рассчитать эквивалент Тевенена, нам необходимо изменить схему для упрощения вычислений: добавив вторую батарейку, мы имеем две различные цепи справа и слева от транзистора


В соответствии с теорией Тевенена необходимо заменить все генераторы коротким замыканием. Таким образом, два сопротивления R и R будут соединены параллельно. Вычислим эквивалентное сопротивление и обозначим его R.


Иллюстрация к книге — Электроника для начинающих [i_166.jpg]
Иллюстрация к книге — Электроника для начинающих [i_167.jpg]

Рис. 4.19. Исключаем генераторы и перегруппировываем сопротивления, получив один генератор и один резистор


Для вычисления эквивалентного значения генератора мы не берем во внимание транзистор, а рассматриваем только цепь, образованную генератором и двумя последовательно соединенными резисторами. Эквивалентное напряжение генератора равно падению напряжения на резисторе R. Вычислим ток, протекающий в цепи, передвигаясь по часовой стрелке и суммируя напряжения:

Вход
Поиск по сайту
Ищем:
Календарь