Книга Электроника для начинающих, страница 37 – Паоло Аливерти

Авторы: А Б В Г Д Е Ж З И Й К Л М Н О П Р С Т У Ф Х Ч Ш Ы Э Ю Я
Книги: А Б В Г Д Е Ж З И Й К Л М Н О П Р С Т У Ф Х Ц Ч Ш Щ Ы Э Ю Я
Бесплатная онлайн библиотека LoveRead.ec

Онлайн книга «Электроника для начинающих»

📃 Cтраница 37

Иллюстрация к книге — Электроника для начинающих [i_199.jpg]

Для управления транзистором будет достаточно тока в несколько мА или даже меньше. При 18 мА транзистор полностью «разомкнут», то есть находится в режиме насыщения, и светодиод будет гореть. Когда транзистор находится в режиме насыщения, ток, протекающий между эмиттером и коллектором, зависит только от подключенных компонентов, а именно от светодиода и резистора, соединенных последовательно. Мы также должны учитывать напряжение между эмиттером и коллектором, которое составляет около 0,2 В, когда транзистор находится в режиме насыщения. Для расчета тока в коллекторе просуммируем выходные напряжения транзистора:


9 – iR – 2–0,2 = 0


Мы имеем напряжение 9 вольт, подаваемое от батарейки, из которого вычитаем 2 В для светодиода и напряжение 0,2 В, то есть Uкэ транзистора. Тогда ток будет равен:


Иллюстрация к книге — Электроника для начинающих [i_200.jpg]

Проверяем с помощью тестера значения силы тока на базе и коллекторе. Для выполнения измерений мы должны изменить схему, то есть «прервать» соединения и приложить щупы для измерения тока. Проверим также напряжения. Каково напряжение Uкэ? Каково напряжение Uбэ между базой и эмиттером транзистора?

Транзистор с реле

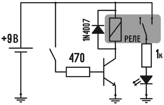
Обычно для включения светодиода не требуется транзистор; схема, которую мы построили, понадобилась нам для понимания принципа работы биполярного транзистора. Такие транзисторы могут контролировать большие токи, необходимые для управления реле, двигателями или громкоговорителями. Давайте попробуем изменить схему для управления реле на 9 В.

Схема цепи на рисунке немного отличается от схемы на рис. 5.8: светодиод и резистор были заменены на реле. Параллельно с реле располагается диод для защиты транзистора в момент, когда реле «выключено». Когда реле подключено к источнику питания, его катушка накапливает энергию, эта энергия будет выпущена, когда ток не будет течь. Ток от катушки течет в противоположном направлении по отношению к основному току, поэтому может повредить транзистор. Диод предотвращает поступление нежелательного тока на транзистор.

Иллюстрация к книге — Электроника для начинающих [i_201.jpg]

Рис. 5.10. Электрическая схема цепи с транзистором и реле


Перечень необходимых компонентов:


• нормально разомкнутая кнопка (например, модель OMRON B3F размером 12 мм);

• светодиод;

• резистор на 470 Ом;

• резистор на 1 кОм;

• транзистор 2N2222;

• диод 1N4007;

• реле любого типа на 9 В;

• макетная плата;

• батарейка на 9 В с зажимом;

• перемычки или соединительные провода.


Когда реле отключается, происходит легко узнаваемый «щелчок». Чтобы продемонстрировать выключение, мы используем реле в качестве переключателя для второй цепи, образованной светодиодом и резистором. В этом примере для простоты мы имеем только один источник питания, но реле также используются для управления независимыми цепями, которые могут иметь разные источники питания. На моем автофургоне я сделал схему удаленного включения насоса на 12 В с помощью реле, управляемого небольшой батарейкой на 9 В.

Иллюстрация к книге — Электроника для начинающих [i_202.jpg]

Рис. 5.11. Цепь с реле и транзистором на макетной плате


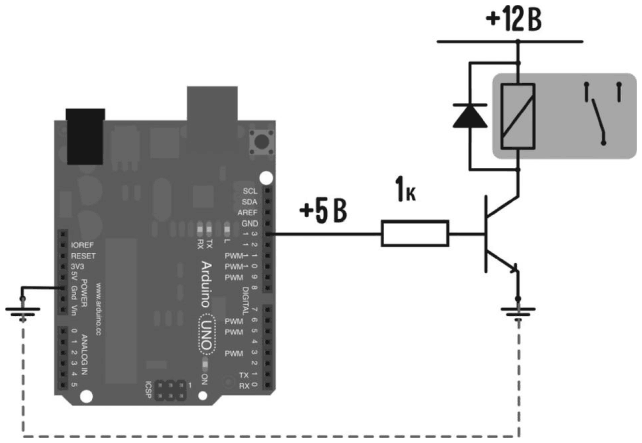
Микроконтроллеры и логические схемы, как правило, работают от напряжения 5 В. Вам может потребоваться запустить реле на 12 В, имея только 5 В на выходе. В этом случаем мы можем использовать транзистор, как показано на следующей схеме, или воспользоваться МОП-транзистором логического уровня.

Иллюстрация к книге — Электроника для начинающих [i_203.jpg]

Рис. 5.12. Электрическая схема цепи для контроля реле на 12 В с сигналом на 5 В

Чувствительный светодиод

В качестве последнего примера давайте построим цепь для включения светодиода в темное время. Нам нужен датчик для обнаружения интенсивности света окружающей среды. Мы можем использовать фоторезистор, фотодиод или фототранзистор. Возьмем фототранзистор, т. е. особый вид транзистора, имеющий два вывода: эмиттер и коллектор. Свет, падающий на компонент, изменяет движение тока, протекающего между эмиттером и коллектором. Необходимые компоненты:


• фототранзистор LTR4206E;

• белый светодиод высокой яркости;

• резистор на 390 Ом;

• два резистора на 10 кОм;

• транзистор 2N2222 NPN – типа;

• макетная плата;

• три батарейки на 1,5 В;

• перемычки или соединительные провода.

Иллюстрация к книге — Электроника для начинающих [i_204.jpg]

Рис. 5.13. Электричеекая схема цепи для чувствительного светодиода


В темноте фототранзистор ведет себя как транзистор, в котором ток на базе равен нулю: ток не может течь между коллектором и эмиттером. Свет, который достигает устройства, преобразуется в ток, схожий по значению с током базы транзистора, и увеличивает ток коллектора. Фототранзистор LTE4206E чувствителен к свету от галогенных ламп, флуоресцентных или ламп накаливания: он не работает со светодиодными лампочками! Ток, текущий в фототранзисторе, усиливается n-p-n-транзистором, который включает светодиод. Яркость светодиода будет изменяться пропорционально освещению в комнате.

Иллюстрация к книге — Электроника для начинающих [i_205.jpg]

Рис. 5.14. Чувствительный светодиод на макетной плате


В интернете можно найти несколько подобных схем, которые используют дисковые батарейки на 3 В. С напряжением питания 3 В вам необходимо изменить значения некоторых резисторов.

Вы можете изменить схему таким образом, чтобы светодиод погасал медленно: достаточно просто добавить конденсатор.

Глава 6
Сигналы и измерения

Электроника является искусством управления сигналами. Сигналы повсюду. В этой главе мы обсудим электрические сигналы и как изменять и создавать их с помощью электронных схем.

Вход
Поиск по сайту
Ищем:
Календарь