Онлайн книга «Код. Тайный язык информатики»
|
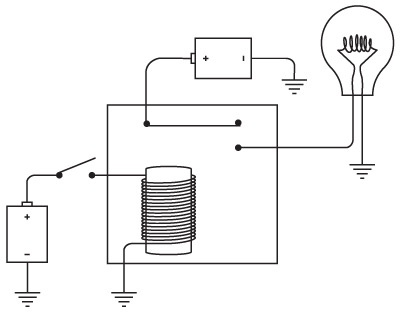
Если пользоваться компьютерной терминологией, набор переключателей — это устройство ввода информации, управляющей поведением цепи. В данном случае переключатели соответствуют четырем битам, позволяющим описать кошку. Устройством вывода является лампочка, которая загорается, если положение переключателей согласуется с описанием подходящей кошки. Переключатели, изображенные на предыдущем рисунке, описывают нестерилизованную черную кошку. Ее характеристики удовлетворяют вашим критериям, поэтому лампочка загорается. Теперь нам нужно лишь сконструировать схему, которая оживит этот пульт управления. Как вы помните, диссертация Клода Шеннона называлась «Символьный анализ реле и коммутаторов». Описанные им реле были очень похожи на телеграфные, о которых мы говорили в главе 6. Однако к моменту публикации работы Шеннона реле использовались для других целей, в частности в телефонной сети. Подобно переключателям, реле можно соединять последовательно и параллельно для решения простых логических задач. Эти комбинации называются логическими вентилями. Когда я говорю, что эти логические вентили решают простые логические задачи, я имею в виду максимально простые задачи. Преимущество реле по сравнению с переключателями заключается в том, что их можно включать и выключать автоматически (с помощью других реле), а не вручную. Таким образом, логические вентили можно комбинировать для решения более сложных задач, например для выполнения простых арифметических операций. В следующей главе будет показано, как из переключателей, лампочек, источника питания и телеграфных реле можно собрать счетную машину (пусть и работающую исключительно с двоичными числами). Как известно, реле играли ключевую роль в работе телеграфной системы. Из-за больших расстояний провода, соединяющие телеграфные станции, имели очень высокое сопротивление. Нужно было устройство, способное принимать слабый сигнал и передавать идентичный, но более мощный. Реле решало это задачу, используя электромагнит для управления переключателем. По сути, реле усиливало слабый сигнал для получения более мощного. В наши планы не входит использование реле для усиления слабого сигнала. Нас интересует только то, что реле является переключателем, которым можно управлять не вручную, а с помощью электричества. Мы можем соединить реле с переключателем, лампочкой и парой батареек. ![]() Обратите внимание: переключатель слева разомкнут, а лампочка не горит. Когда вы замкнете переключатель, ток из батарейки слева от него потечет по виткам катушки, намотанной на железный сердечник, который приобретет магнитные свойства и притянет гибкую металлическую полоску, что, в свою очередь, приведет к замыканию цепи и включению лампочки. ![]() Когда электромагнит притягивает металлическую полоску, реле считается активированным. После размыкания выключателя железный сердечник теряет магнитные свойства, а металлическая полоска возвращается в исходное положение. Такой способ зажечь лампочку кажется довольно мудреным, и это действительно так. Если бы мы хотели ограничиться только включением лампочки, мы могли бы обойтись и без реле. Однако перед нами стоит более сложная задача. В этой главе мы будем часто использовать реле (а после сборки логических вентилей полностью от них откажемся), поэтому хочу упростить схему. Мы можем избавиться от некоторых проводов с помощью земли. В данном примере «земля» — просто общий провод; к реальной земле ничего подключать не нужно. ![]() Понимаю, это не похоже на упрощение, однако мы еще не закончили. Важно: отрицательные контакты обеих батарей подключены к земле. Так что везде, где нам встретится подобное изображение, заменим его заглавной буквой V (которая означает voltage — «напряжение»), как сделали это в главе 5 и главе 6. Теперь реле выглядит так. ![]() ![]() Когда переключатель замкнут, ток между источником питания (V) и землей течет через катушку электромагнита. Это заставляет электромагнит притянуть гибкую металлическую полоску, которая замыкает цепь между источником питания, лампочкой и землей, и лампочка загорается. ![]() На этих схемах присутствуют два источника питания и две земли, однако все источники питания, как и все земли, на приведенных в этой главе схемах могут быть соединены друг с другом. Все схемы, состоящие из реле и логических вентилей, изображенные в этой и следующей главах, допускают использование только одной (хотя и мощной) батарейки. Например, предыдущую схему можно перерисовать только с одним источником питания. ![]() Учитывая то, что мы собираемся делать с реле, эта схема не является достаточно понятной. Лучше избегать замкнутых цепей и рассматривать работу реле, как и в случае с описанным ранее пультом управления, с точки зрения входного и выходного сигналов. ![]() Если напряжение поступает на вход (например, если он соединен с источником питания с помощью переключателя), то активируется электромагнит, и на выходе появляется напряжение. Ко входу реле не обязательно подключать переключатель, а к выходу — лампочку. Выход одного реле может быть подключен ко входу другого. ![]() Замыкание переключателя активирует первое реле, которое затем подает напряжение на второе. Срабатывание второго реле приведет к включению лампочки. ![]() Соединяя несколько реле, можно конструировать логические вентили. На самом деле лампочку можно подключить к реле двумя способами. Обратите внимание на гибкую металлическую деталь, которую притягивает электромагнит. В состоянии покоя она касается одного контакта. Когда электромагнит притягивает ее, она касается другого контакта. Мы использовали нижний контакт в качестве выхода реле, однако могли бы применить и верхний. В этом случае выход реле меняется на противоположный, и лампочка загорается при размыкании входного переключателя. При замыкании входного переключателя лампочка гаснет. |
![Иллюстрация к книге — Код. Тайный язык информатики [i_127.jpg] Иллюстрация к книге — Код. Тайный язык информатики [i_127.jpg]](img/book_covers/084/84993/i_127.jpg)
![Иллюстрация к книге — Код. Тайный язык информатики [i_128.jpg] Иллюстрация к книге — Код. Тайный язык информатики [i_128.jpg]](img/book_covers/084/84993/i_128.jpg)
![Иллюстрация к книге — Код. Тайный язык информатики [i_129.jpg] Иллюстрация к книге — Код. Тайный язык информатики [i_129.jpg]](img/book_covers/084/84993/i_129.jpg)
![Иллюстрация к книге — Код. Тайный язык информатики [i_130.jpg] Иллюстрация к книге — Код. Тайный язык информатики [i_130.jpg]](img/book_covers/084/84993/i_130.jpg)
![Иллюстрация к книге — Код. Тайный язык информатики [i_131.jpg] Иллюстрация к книге — Код. Тайный язык информатики [i_131.jpg]](img/book_covers/084/84993/i_131.jpg)
![Иллюстрация к книге — Код. Тайный язык информатики [i_132.jpg] Иллюстрация к книге — Код. Тайный язык информатики [i_132.jpg]](img/book_covers/084/84993/i_132.jpg)
![Иллюстрация к книге — Код. Тайный язык информатики [i_133.jpg] Иллюстрация к книге — Код. Тайный язык информатики [i_133.jpg]](img/book_covers/084/84993/i_133.jpg)
![Иллюстрация к книге — Код. Тайный язык информатики [i_134.jpg] Иллюстрация к книге — Код. Тайный язык информатики [i_134.jpg]](img/book_covers/084/84993/i_134.jpg)
![Иллюстрация к книге — Код. Тайный язык информатики [i_135.jpg] Иллюстрация к книге — Код. Тайный язык информатики [i_135.jpg]](img/book_covers/084/84993/i_135.jpg)
![Иллюстрация к книге — Код. Тайный язык информатики [i_136.jpg] Иллюстрация к книге — Код. Тайный язык информатики [i_136.jpg]](img/book_covers/084/84993/i_136.jpg)