Онлайн книга «Код. Тайный язык информатики»
|
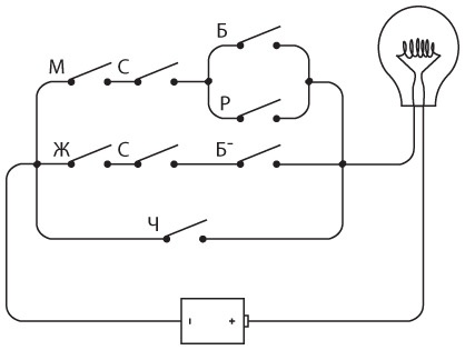
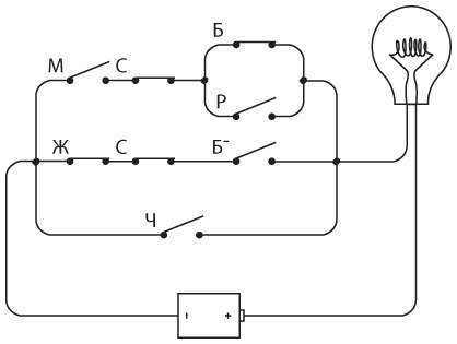
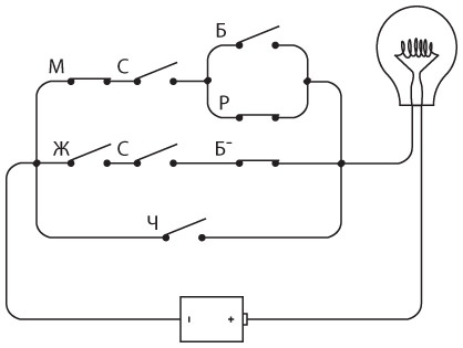
Замкнут Не горит Замкнут Разомкнут Не горит Замкнут Замкнут Горит В предыдущей главе мы говорили о том, как с помощью двоичных цифр, или битов, можно представить любую информацию, начиная от чисел и заканчивая направлением большого пальца Роджера Эберта. Мы могли сказать, что ноль бит означает, что палец направлен вниз, а один бит — что палец направлен вверх. Переключатель может находиться в двух положениях, поэтому для его описания достаточно одного бита. Можно сказать, что 0 — это «переключатель разомкнут», а 1 — «переключатель замкнут». Лампочка также имеет два состояния, следовательно, для их описания достаточно одного бита. Можно сказать, что 0 — «лампочка не горит», а 1 — «лампочка горит». Теперь мы просто переписываем приведенную выше таблицу. Левый переключатель Правый переключатель Лампочка 0 0 0 0 1 0 1 0 0 1 1 1 Обратите внимание: если мы поменяем местами левый и правый переключатели, результаты останутся прежними. Нам не обязательно различать переключатели. Именно поэтому таблицу можно переписать так, чтобы она напоминала приведенные И/ИЛИ. Последовательное соединение переключателей 0 1 0 0 0 1 0 1 Действительно, это соответствует таблице с результатами выполнения булевой операции И. Эта простая схема фактически выполняет операцию И в булевой алгебре. Теперь попробуйте соединить два переключателя иначе. ![]() Переключатели соединены параллельно. Разница между этим и предыдущим способом соединения заключается в том, что эта лампочка загорится, если вы замкнете верхний переключатель. ![]() Или нижний переключатель. ![]() Можно также замкнуть оба переключателя. ![]() Лампочка загорается, если замкнуть верхний или нижний переключатель. Ключевым словом в данном случае является союз «или». Опять же, данная схема решает логическую задачу. Лампочка отвечает на вопрос: «Замкнут ли хотя бы один переключатель?» В следующей таблице показаны результаты работы этой схемы. Левый переключатель Правый переключатель Лампочка Разомкнут Разомкнут Не горит Разомкнут Замкнут Горит Замкнут Разомкнут Горит Замкнут Замкнут Горит Теперь снова используем 0 для обозначения разомкнутого переключателя или негорящей лампочки и 1 — для обозначения замкнутого переключателя или горящей лампочки, в результате чего получим следующую таблицу. Левый переключатель Правый переключатель Лампочка 0 0 0 0 1 1 1 0 1 1 1 1 Опять же ничего не изменится, если переключатели поменять местами, поэтому таблицу можно заполнить следующим образом. Параллельное соединение переключателей 0 1 0 0 1 1 1 1 Вероятно, вы уже догадались, что эта таблица соответствует результатам булевой операции ИЛИ. Значит, два соединенных параллельно переключателя выполняют операцию, эквивалентную булевой операции ИЛИ. Явившись в зоомагазин, вы сказали продавцу: «Мне нужен стерилизованный кот белого или рыжего окраса; или стерилизованная кошка любого окраса, кроме белого; или я возьму любую из имеющихся у вас черных кошек», — и продавец составил такое выражение: (М × С × (Б + Р)) + (Ж × С × (1 − Б)) + Ч. Теперь, когда вы знаете, что два соединенных последовательно переключателя выполняют логическую операцию И (обозначаемую символом «×»), а два переключателя, соединенных параллельно, — логическую операцию ИЛИ (обозначаемую символом «+»), вы можете соединить восемь переключателей. ![]() Все переключатели в этой схеме обозначены буквами, соответствующими буквам в булевом выражении. (Б¯ означает НЕ Б и является альтернативным способом записи выражения 1 − Б). Действительно, если вы просмотрите электрическую схему слева направо и сверху вниз, то столкнетесь с буквами в том же порядке, в каком они представлены в выражении. Каждый символ «×» соответствует месту схемы, где два переключателя (или две группы переключателей) соединены последовательно, каждый символ «+» — месту схемы, в котором два переключателя (или две группы переключателей) соединены параллельно. Как вы помните, продавец сначала принес нестерилизованного рыжего кота. Замкните соответствующие переключатели. ![]() Несмотря на то что переключатели М, Р и НЕ Б замкнуты, лампочка не загорается. Затем продавец принес стерилизованную белую кошку. ![]() Опять же, замкнуты не все нужные переключатели для того, чтобы загорелась лампочка. Наконец продавец приносит стерилизованную серую кошку. |
![Иллюстрация к книге — Код. Тайный язык информатики [i_116.jpg] Иллюстрация к книге — Код. Тайный язык информатики [i_116.jpg]](img/book_covers/084/84993/i_116.jpg)
![Иллюстрация к книге — Код. Тайный язык информатики [i_117.jpg] Иллюстрация к книге — Код. Тайный язык информатики [i_117.jpg]](img/book_covers/084/84993/i_117.jpg)
![Иллюстрация к книге — Код. Тайный язык информатики [i_118.jpg] Иллюстрация к книге — Код. Тайный язык информатики [i_118.jpg]](img/book_covers/084/84993/i_118.jpg)
![Иллюстрация к книге — Код. Тайный язык информатики [i_119.jpg] Иллюстрация к книге — Код. Тайный язык информатики [i_119.jpg]](img/book_covers/084/84993/i_119.jpg)
![Иллюстрация к книге — Код. Тайный язык информатики [i_120.jpg] Иллюстрация к книге — Код. Тайный язык информатики [i_120.jpg]](img/book_covers/084/84993/i_120.jpg)
![Иллюстрация к книге — Код. Тайный язык информатики [i_121.jpg] Иллюстрация к книге — Код. Тайный язык информатики [i_121.jpg]](img/book_covers/084/84993/i_121.jpg)
![Иллюстрация к книге — Код. Тайный язык информатики [i_122.jpg] Иллюстрация к книге — Код. Тайный язык информатики [i_122.jpg]](img/book_covers/084/84993/i_122.jpg)