Книга Пехотный танк «Валентайн», страница 4 – Михаил Барятинский

Авторы: А Б В Г Д Е Ж З И Й К Л М Н О П Р С Т У Ф Х Ч Ш Ы Э Ю Я
Книги: А Б В Г Д Е Ж З И Й К Л М Н О П Р С Т У Ф Х Ц Ч Ш Щ Ы Э Ю Я
Бесплатная онлайн библиотека LoveRead.ec

Онлайн книга «Пехотный танк «Валентайн»»

📃 Cтраница 4

Описание конструкции

КОМПОНОВКА танка классическая с кормовым расположением трансмиссии.

Отделение управления занимало переднюю часть машины. В нем находились сиденье водителя, органы управления, щитки контрольных приборов, две шестивольтовые аккумуляторные батареи, розетка для запуска двигателя и подзарядки аккумуляторов от внешнего источника тока, звонок для сигнализации водителю с кормы танка, ТПУ, приборы внутреннего освещения.

Боевое отделение находилось в средней части танка. Над ним на шариковой опоре размещалась башня, к которой крепился вращающийся вместе с ней пол с боекомплектом и сиденьями членов экипажа. В передней части башни, в маске, устанавливалось вооружение; в задней ее части, в нише, располагалась радиостанция и имелось отверстие для воздухопритока. В центре боевого отделения под полом башни помещалось ВКУ.

В моторном отделении находился двигатель с агрегатами питания, смазки, охлаждения и электрооборудования. Слева от двигателя размещались основной топливный бак и топливный бак постоянного давления, справа — масляный фильтр и две аккумуляторные батареи.

В отделении трансмиссии устанавливались заливной бак системы охлаждения, два радиатора, главный фрикцион, коробка передач, два бортовых фрикциона и масляный бак.

Главной особенностью конструкции КОРПУСА и БАШНИ являлось отсутствие каркасов для их сборки. Броневые плиты обрабатывались по соответствующим шаблонам так, что они взаимно замыкались при сборке. Затем осуществлялось их крепление друг к другу с помощью болтов, заклепок и шпонок. Допуски при пригонке различных деталей не превышали 0,01 дюйма (0,254 мм). На танках ранних выпусков борта башни были составными, затем их заменили литой кольцевой деталью.

Для посадки механика-водителя в крыше отделения управления имелись два люка, крышки которых автоматически запирались изнутри защелками. Открывание люков облегчало использование торсионно-пружинного механизма. В открытом положении крышки люков фиксировались задвижками. Под сиденьем водителя, в днище корпуса, размещался люк-лаз для аварийного выхода экипажа из танка.

В середине лобового броневого листа располагался смотровой люк водителя, а по бокам два перископических прибора наблюдения Mk IV.

В крыше башни танков Valentine I, II, IV, VI и VII имелись посадочный люк с двухстворчатой крышкой, два перископа, аналогичных перископам в отделении управления, два антенных ввода (один для работы на месте, другой — при движении), штырь для зенитной установки и стрелка-указатель (напротив правого перископа) для ориентировки при стрельбе из пушки и пулемета. Два боковых лючка в башне (у Valentine I — один лючок в правом борту), закрываемые броневыми дверцами, предназначались для стрельбы из личного оружия и для флажковой сигнализации. Зеркало на левой дверце при ее открывании позволяло наблюдать за кормой и за движением машин, идущих сзади.

Иллюстрация к книге — Пехотный танк «Валентайн» [img_21.jpg]

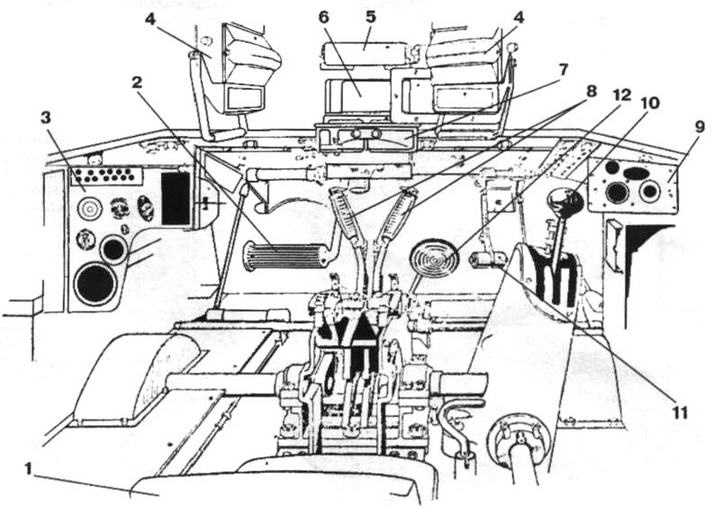
Общий вид отделения управления:

1 — сиденье механика-водителя; 2 — педаль сцепления; 3 — левый щиток контрольных приборов; 4 — перископы; 5 — налобник; 6 — смотровой люк водителя; 7 — блок смотрового люка (в опущенном положении); 8—рычаги бортовых фрикционов; 9—правый щиток контрольных приборов; 10 — рычаг переключения передач; 11 — педаль акселератора; 12 — педаль вспомогательного тормоза


В крыше башни танков Valentine III и V имелся круглый люк с вращающимся погоном и трехстворчатой крышкой. В передней откидной створке был установлен прибор наблюдения Mk IV. Второй такой прибор располагался в передней части крыши над местом заряжающего.

В крыше башни танков Valentine VIII, IX и X имелись два прямоугольных люка с двухстворчатыми крышками, три прибора наблюдения Mk IV и колпак вентилятора.

Для вращения башни на танках всех модификаций устанавливался поворотный механизм с ручным и электрическим приводом.

Крыша моторного отделения закрывалась съемными жалюзи, которые запирались замками из боевого отделения. Для облегчения доступа к агрегатам, размещенным в моторном отделении, наклонные броневые листы его были сделаны откидными и крепились на петлях. Задняя часть моторного отделения закрывалась поперечным бронелистом, в нем имелся люк для доступа к заливной горловине радиаторов.

Трансмиссионное отделение имело сверху наклонные открывающиеся жалюзи и дверцу кормового люка.

Днище корпуса было собрано из нескольких больших броневых листов. Для обслуживания танка в днище имелись соответствующие люки.

ВООРУЖЕНИЕ. На танках модификаций Valentine I — VII устанавливалась 2-фунтовая (40-мм) пушка Mk IX с длиной ствола 52 калибра.

Пушка состояла из ствола, затвора с полуавтоматикой, люльки, противооткатного устройства, спускового механизма, гильзоулавливателя и плечевого упора. Масса ствола без затвора — 130,2 кг. Нормальная длина отката — 265 мм.

Вертикальные углы наведения в пределах от+20° до—15° придавались пушке и спаренному пулемету с помощью плечевого упора, который крепился к левой щеке кронштейна гильзоулавливателя и мог регулироваться в соответствии с ростом наводчика.

На танках модификаций Valentine VIII и IX устанавливались 6-фунтовые (57-мм) пушки Mk III и Мк V, а на Valentine X- Мк V.

6-фунтовая пушка Mk III с длиной ствола 42,9 калибра была разработана на основе буксируемой противотанковой пушки Mk II. Затвор вертикально-клиновой, полуавтоматика копирного типа. Масса орудия 326,88 кг.

Вертикальное наведение в пределах от - 8° до +17° осуществлялось с помощью плечевого упора и двух «пистолетных» рукояток, на которых находились электроспуски пушки и спаренного пулемета.

6-фунтовая пушка Mk V имела длину ствола 50 калибров и большую начальную скорость снаряда. Ее наведение по вертикали производилось с помощью подъемного механизма винтового типа.

Боевые машины Valentine XI вооружались 75-мм пушкой Mk V с длиной ствола 36,5 калибра. Затвор клиновой, полуавтоматический. Скорострельность до 20 выстр./мин. Масса орудия 314 кг. Вертикальное наведение от — 12,5° до +20° с помощью подъемного механизма винтового типа. Электроспуск — ножной.

В «валентайнах» всех модификаций (за исключением VIII и IX) устанавливался спаренный (на Valentine X и XI — автономный) 7,92-мм пулемет BESA, на Valentine VII — 7,62-мм спаренный пулемет Browning М1919А4.

У части машин на специальном кронштейне на крыше башни крепилась зенитная установка Lakeman для 7,7-мм пехотного пулемета Bren.

У Valentine I — VII в башне, справа от пулемета в отдельной маске располагался 2-дюймовый (50,8-мм) миномет для стрельбы дымовыми минами (в Красной Армии для стрельбы из миномета использовались и осколочные мины от 50-мм ротного миномета советского производства). Масса миномета 7,6 кг. Максимальная дальность метания дымовой мины — 137 м, осколочной — 415 м. Вертикальный угол обстрела — от +5° до +37°; горизонтальный — 360° (задавался поворотом башни танка).

Реклама
Вход
Поиск по сайту
Ищем:
Календарь