Онлайн книга «Легкие танки Т-40 и Т-60»
|
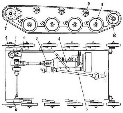
Необычные, но очень удачные, легкие, прочные и жесткие опорные катки и ленивцы большого диаметра (515 мм) предложил конструктор И.П.Шитиков. Они представляли собой два штампованных из относительно тонкого стального листа полусферических диска, охватывающих по кромкам ступицу и соединенных сваркой со стальным ободом, на который был навулканизирован массивный резиновый бандаж. Значительный объем полых катков к тому же увеличивал и водоизмещение танка. Как и раньше, они были взаимозаменяемыми с ленивцами. Такого рода катки ввиду своей редкой технической целесообразности и высокой технологичности применяются до сих пор. ![]() Схема шасси: 1 — воздухоочиститель, 2 — главная передача, 3 — коробка передач, 4 — двигатель, 5 — привод винта, 6 — бортовые передачи, 7 — ведущее колесо, 8 — опорный каток, 9 — поддерживающий каток, 10 — направляющее колесо. ![]() В освобожденном Юхнове (Калужская обл.), 1941 год. При индивидуальной подвеске выход из строя одного из опорных катков и даже двух средних (на борт) или поломка их торсионов позволяли с определенными ограничениями продолжать движение, что повышало живучесть боевой машины. Были значительно усилены уплотнения подшипников катков — они уже не ограничивали их долговечность. Вопреки традициям самоподжимные сальники установили кромками манжет наружу, что позволяло, продавливая смазку сквозь подшипники ступицы, эффективно выносить из них продукты износа, воду, грязь. Почему-то другие танковые заводы даже на своих более солидных машинах не уделяли этому важному узлу, всегда доставлявшему много забот, столько внимания. Достаточно сказать, что на танке Т-34 подшипники катков вообще не имели контактных уплотнений — только лабиринтные, что отрицательно сказывалось на их долговечности. Мелкозвенчатая гусеница изделия 010 (87 траков шириной 260 мм, шаг трака 98 мм) из износостойкой стали Гадфильда обеспечивала хорошую проходимость по слабым грунтам, сопровождавшуюся небольшими потерями на самопередвижение при максимальной скорости, имела пониженную вибрацию и соответственно — шум, важный показатель для разведывательного танка. Снижению шума способствовали и резиновые бандажи на всех катках, в том числе и поддерживающих. Штампованный и закаленный однорядный венец ведущей звездочки с цевочным зацеплением был выполнен съемным и легко заменялся при износе. Удачно сконструированные катки и траки гусениц впоследствии без особых изменений использовали на танках Т-60 и Т-70. Привод 4-лопастного гребного винта диаметром 424 мм осуществлялся карданным валом, закрытым трубчатым кожухом, от реверсивной коробки отбора мощности, укрепленной слева по ходу на картере КП, по хорошо зарекомендовавшей себя на Т-38 схеме. От этой же коробки приводился откачивающий трюмный шестеренчатый насос, на ней же монтировался механизм ручного запуска горячего двигателя с помощью рычага, расположенного справа от водителя. Запуск холодного двигателя был возможен снаружи машины вращением специальной рукояткой вала винта. Учитывался опыт эксплуатации на плаву танков Т-37А и Т-38 и для предотвращения поломки винта при встрече с подводным препятствием: он был связан со своим валом только через заведомо слабое «сдающее» звено — шпонку из мягкой стали. Замена ее даже в воде не вызывала особых затруднений. ![]() Гребной винт: 1 — карданный вал, 2 — кожух карданного вала, 3 — колпак кардана, 4 — корпус винта, 5 — вал гребного винта, 6 — карданный шарнир, 7 — шпонка вала. ![]() Танки Т-40 отправляются на фронт, 1941 год. Для улучшения циркуляции забортной воды через теплообменник радиатора в потоке, создаваемом винтом, были установлены насадки-эжекторы. Управление на плаву двумя водоходными рулями, имевшими тросовый привод от рычага слева от водителя, размещенными на выходе из кормовой ниши винта в его гидравлической струе, оказалось более эффективным, чем на Т-38, что заметно уменьшило радиус циркуляции на воде. Рули, повернутые в крайнее правое положение почти на 90°, закрывали гребной винт, что также предохраняло его от повреждений при движении по суше. К сожалению, не удалось избежать гидродинамического затенения винта близкорасположенными кормовыми частями корпуса, что снижало его эффективность (пропульсивный КПД). Поэтому у 010-го скорость на воде была такая же, как и у Т-38, — 6 км/ч. Противопожарную защиту новому танку обеспечивали два тетрахлорных огнетушителя — ручной и стационарный, с дополнительным углекислотным баллоном, причем впервые от него к наиболее пожароопасным объектам — ко всем бензобакам и к карбюратору двигателя — подвели трубки с четырьмя распылителями. Анализ конструкции танка 010 показывает, что заложенные в него решения оказались добротными, рациональными и дальновидными, имели ярко выраженное продолжение в последующих машинах практически по всем узлам вооружения, двигательной установки, трансмиссии и ходовой части. Эта преемственность прослеживается в бронетехнике военных лет: танках Т-60, Т-70, Т-70М, Т-80, самоходных установках СУ-12, СУ-15 (СУ-76М), ЗСУ-37, в тягачах Я-12, Я-13 — и в послевоенных установках АСУ-76, тягачах М-12, М-13, М-2, транспортерах К-75, ГАЗ-47, ГАЗ-71, ГАЗ-73. В создании новой машины активное участие приняли ведущие конструкторы немногочисленного тогда танкового КБ завода № 37: начальник бюро ходовых частей Р.А.Аншелевич, начальник корпусного бюро А.В.Богачев; трансмиссией и ходовой частью занимался лично Н.А.Астров. Проектирование плавающего танка 010 было закончено весной 1939 года, к июлю уже изготовили 4 опытных образца, к следующему лету — еще два, планировался и третий. На них, как, впрочем, и на первых серийных машинах, временно устанавливались импортные силовые агрегаты «Додж» Д-5 (76 и 85 л.с.) — из-за отсутствия развернутого производства аналогичных двигателей в Горьком (первый промышленный образец мотора ГАЗ-11 был собран 16 февраля 1940 года, танковую модификацию 202 начали делать позже). ![]() Колонна танков выдвигается к передовой. Западный фронт, 1942 год. ![]() Легкие танки Т-40 и Т-38 (задний план) на исходном рубеже для атаки. Бронекорпуса и башни для «десятки», как и для предыдущих машин завода № 37, изготовил Подольский крекинго-электровозный завод имени Орджоникидзе по чертежам, полученным в ноябре 1939 года. Он и в будущем, вплоть до эвакуации завода № 37 осенью 1941 года, поставлял их совместно с Ижорским заводом. Бронемаску для спаренной установки в башне отлили из стали 8С на Люберецком заводе имени Ухтомского. |
![Иллюстрация к книге — Легкие танки Т-40 и Т-60 [img_13.jpg] Иллюстрация к книге — Легкие танки Т-40 и Т-60 [img_13.jpg]](img/book_covers/074/74392/img_13.jpg)
![Иллюстрация к книге — Легкие танки Т-40 и Т-60 [img_14.jpg] Иллюстрация к книге — Легкие танки Т-40 и Т-60 [img_14.jpg]](img/book_covers/074/74392/img_14.jpg)
![Иллюстрация к книге — Легкие танки Т-40 и Т-60 [img_15.jpg] Иллюстрация к книге — Легкие танки Т-40 и Т-60 [img_15.jpg]](img/book_covers/074/74392/img_15.jpg)
![Иллюстрация к книге — Легкие танки Т-40 и Т-60 [img_16.jpg] Иллюстрация к книге — Легкие танки Т-40 и Т-60 [img_16.jpg]](img/book_covers/074/74392/img_16.jpg)
![Иллюстрация к книге — Легкие танки Т-40 и Т-60 [img_17.jpg] Иллюстрация к книге — Легкие танки Т-40 и Т-60 [img_17.jpg]](img/book_covers/074/74392/img_17.jpg)
![Иллюстрация к книге — Легкие танки Т-40 и Т-60 [img_18.jpg] Иллюстрация к книге — Легкие танки Т-40 и Т-60 [img_18.jpg]](img/book_covers/074/74392/img_18.jpg)