Онлайн книга «Легкие танки Т-40 и Т-60»
|
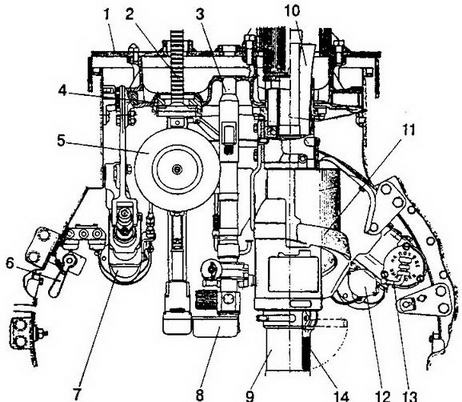
По производственным соображениям на машинах, выпущенных вновь созданными танковыми заводами, первое время монтировались цельнолитые спицевые опорные катки, иногда даже без резиновых бандажей. Для облегчения скалывания льда с траков гусениц при зимней эксплуатации резиновые бандажи на задних поддерживающих катках ликвидировали. Потом их делали совсем без бандажей — резина стала остродефицитной, а о снижении шума можно было больше не заботиться. Ряд заводов применял цельнолитые неразборные ведущие звездочки с пониженным уровнем твердости — менее долговечные, но более технологичные и дешевые. На войне и их ресурса, как правило, вполне хватало. Для предотвращения заклинивания траков, особенно опасного при слабом натяжении гусениц на машинах с передними ведущими звездочками около бортовых передач, ввели специальные отбойники — верхние и нижние. ![]() Т-60 ![]() Опорные катки и ленивцы сделали полностью взаимозаменяемыми — потери от такой унификации, а они всегда есть, были меньше, чем от трудностей со снабжением. Радиально-упорные шарикоподшипники опорных катков и ленивцев весной 1942 года заменили на обычные радиальные. Хотя они оказались на 25 — 45% менее долговечными, но зато не требовали регулировки, трудно осуществимой во фронтовых условиях. У конструкторов такая замена скорее всего вызвала огорчение, но таково безжалостное требование войны или один из ее уроков — обходиться без излишеств даже в ущерб долговечности. Кстати, с тех пор в катках применяются только нерегулируемые подшипниковые узлы, а их приемлемая долговечность поддерживается за счет увеличения размеров опор. На Т-60, как и на Т-30, облегчили управление бортовыми фрикционами и их обслуживание: вместо кулачковых отводок ввели шариковые — знаменитые «слезки», как на Т-34. Радиостанции устанавливались далеко не на всех сериях машин, на первых их не было совсем. Внутренняя связь осуществлялась с помощью ТПУ-2 или сигнальными лампами. ![]() Установка вооружения (план): 1 — маска, 2 — пулемет ДТ, 3 — оптический прицел ТМФП, 4 — шаровая установка, 5 — магазин пулемета ДТ, 6 — рукоятка стопора башни, 7 — подъемный механизм маски, 8 — налобник прицела, 9 — пушка ТНШ, 10 — трубка гильзоотвода, 11 — направляющая патронной ленты, 12 — поворотный механизм башни, 13 — рычажок выключения поворотного механизма, 14 — рукоятка заряжания. ![]() Установка вооружения (разрез по пушке ТНШ): 1 — пушка ТНШ, 2 — заслонка вентиляционного отверстия башни, 3 — стопор походного крепления маски, 4 — рукоятка поворотного механизма, 5 — коробка с патронной лентой, 6 — кронштейн коробки. Двигатель ГАЗ-202 мощностью 76 л.с. при 3400 об/мин, с чугунной головкой цилиндров и степенью сжатия 5,6, уже не имел тех высоких параметров, как ГАЗ-11 А, но стал надежнее и долговечнее — выходов из строя его несимметричных шатунных подшипников и пробоя прокладки головки цилиндров не наблюдалось. Он без особых последствий выдерживал кратковременную работу на более распространенном в армии и не столь дефицитном в военное время автомобильном бензине 2-го сорта. На двигатель ставились только карбюраторы с восходящим потоком — обычно один и даже два М-9510 от ГАЗ-М-1 или один МКЗ-6 от ЗИС-5, а впоследствии специально созданный К-43 с ограничителем оборотов. Мощность генератора Г-41 повысили до 200 Вт, хотя на первых сериях танков без рации пришлось довольствоваться стандартным автомобильным генератором мощностью 100 Вт. Зато две аккумуляторные батареи — основная и запасная — стали штатным оборудованием всех танков, даже нерадиофицированных. Это повышало их постоянную готовность к бою. Был усилен ременный привод вентилятора и водяного насоса, однако надежность его по-прежнему оставалась неудовлетворительной,учитывая высокую температуру в моторном отделении и постоянную угрозу пожара. Не вызывало сомнений, что эта мера временная, требующая радикальной переработки. Позже ввели более надежный шестерёнчатый привод вентилятора, правда, уже на следующих легких гусеничных машинах. Удалось решить и проблему ручного запуска двигателя. Через люк в переднем нижнем листе брони заводная рукоятка вставлялась в храповик пускового вала, который с помощью карданного привода и механизма ручной заводки, закрепленного на картере коробки передач, проворачивал двигатель. Механизм включался принудительно рычагом, а после запуска выключался автоматически. В дальнейшем эта оправдавшая себя система применялась и на других легких гусеничных бронемашинах. Зимний запуск двигателя значительно облегчался путем предварительного разжижения масла топливом в количестве 12,5% и применением пусковых бензинов ПКБ и ПГБ, как в авиации. По сравнению с Т-40 боевая масса Т-60 возросла незначительно — сначала до 5800 кг, а после усиления брони с октября 1941 года — до 6400 кг. Правда, это обстоятельство, а также установка нефорсированного двигателя заметно снизили удельную мощность танка: максимальная скорость уменьшилась до 44 км/ч, предельный преодолеваемый подъем — до 29,5°, а после увеличения массы — до 26°. Впрочем, и этого было достаточно. В целом же средние скорости движения в различных условиях не снизились, как, впрочем, и маневренные качества и параметры профильной проходимости по местности: ширина рва—1,7 м, высота стенки — 0,65 м, глубина брода —0,9 м, допустимый крен — 35°. Заметно вырос запас хода: по шоссе — до 455 км, по грунту — до 350 км, по тяжелому бездорожью — до 160 км. Удельное давление на грунт увеличилось, но незначительно — до 0,485 (у машин с усиленной броней —до 0,535) кг/см² без учета погружения гусениц, с учетом погружения—до 0,4 (0,44) кг/см². Впоследствии для повышения проходимости по болотистым грунтам и снегу применялись съемные штампованные уширители гусениц, массовое производство которых освоили в 1942 году. Из всех отечественных танков у Т-60 в то время проходимость была наилучшей — по болотистому грунту, снегу, мокрой луговине, в весеннюю распутицу. Гарантийный ресурс определили в 1000 км пробега. Первоначальный перегрев двигателя, размещенного в уменьшенном мотоотсеке, был ликвидирован улучшением аэродинамики выхода нагретого воздуха из радиатора через пулестойкие жалюзи за счет введения криволинейных направляющих— «лопаток Прандтля». Интересно, что на краткие испытания второго опытного образца Т-60 (уже с пушкой) приезжал И.В. Сталин. После чего сразу началась интенсивная подготовка к производству танка на всех указанных заводах, куда срочно отправлялись дубликаты технической документации. По собственной инициативе к этой работе подключился Московский автозавод им. Сталина (ЗИС), где ведущие конструкторы Б.М. Фиттерман и А.М. Авенариус создали аналогичный танк ЗИС-60, отличавшийся от Т-60 башней новой конструкции, иной установкой вооружения и применением автобусного силового агрегата ЗИС-16 мощностью 88 л.с., гораздо более тяжелого и громоздкого, чем ГАЗ-202, но в целом вписавшегося в несколько увеличенный корпус. Эти корпуса с башнями также начали делать в Подольске и до эвакуации ЗИСа, начавшейся 16 октября 1941 года, их поставили не менее 10 комплектов. |
![Иллюстрация к книге — Легкие танки Т-40 и Т-60 [img_33.jpg] Иллюстрация к книге — Легкие танки Т-40 и Т-60 [img_33.jpg]](img/book_covers/074/74392/img_33.jpg)
![Иллюстрация к книге — Легкие танки Т-40 и Т-60 [img_34.jpg] Иллюстрация к книге — Легкие танки Т-40 и Т-60 [img_34.jpg]](img/book_covers/074/74392/img_34.jpg)
![Иллюстрация к книге — Легкие танки Т-40 и Т-60 [img_35.jpg] Иллюстрация к книге — Легкие танки Т-40 и Т-60 [img_35.jpg]](img/book_covers/074/74392/img_35.jpg)
![Иллюстрация к книге — Легкие танки Т-40 и Т-60 [img_36.jpg] Иллюстрация к книге — Легкие танки Т-40 и Т-60 [img_36.jpg]](img/book_covers/074/74392/img_36.jpg)