Книга Me 163 ракетный истребитель Люфтваффе, страница 24 – Сергей В. Иванов

Авторы: А Б В Г Д Е Ж З И Й К Л М Н О П Р С Т У Ф Х Ч Ш Ы Э Ю Я
Книги: А Б В Г Д Е Ж З И Й К Л М Н О П Р С Т У Ф Х Ц Ч Ш Щ Ы Э Ю Я
Бесплатная онлайн библиотека LoveRead.ec

Онлайн книга «Me 163 ракетный истребитель Люфтваффе»

📃 Cтраница 24

1. Пушка MG 151/20. 2. Подаватель боекомплекта. 3. Двойной магазин. 4. Прицел Revi 16В. 5 SZKK 4. 6. Фотокарабин. 7. Светофильтр. 8. Предохранители. 9. Ручка KG 12Е. 10 Коробка EDKS-B1. 11. Соленоид SVK 1-151. 12. Передняя маска. 13. Задняя маска. 14. Уплотнитель.

Иллюстрация к книге — Me 163 ракетный истребитель Люфтваффе [pic_135.jpg]

Пушки МК 108.

1: Пушка МК 108. Консоль электропитания. 3. Контейнеры с боекомплектом. 4. Подаватель боеприпасов. 5. Фотокарабин.

Двигатель Me 163

Работы по созданию ракетных двигателей сначала на твердом, а затем и на жидком топливе начались в Германии еще в 20-х годах XX века. Газовые турбины профессора Гельмута Вальтера выпускались с 30-х годов на его заводе в Киле. С 35-го года Вальтер изучал двигатели с окислителем перекись водорода. Первоначально это должна была быть турбина для сухопутного транспорта, а позднее обнаружилась перспектива ставить такие двигатели на самолеты. В 1936 году DVL построил первый опытный двигатель, работавший на разложении перекиси водорода (T-Stoff) с помощью катализатора («холодный» двигатель). Перекись водорода подавалась в камеру сгорания с помощью сжатого воздуха. Вырывающиеся газы давали в течении 45 секунд тягу около 135 кг. Этот двигатель испытали в полет в качестве ускорителя на Не 72. В 1937 году Вальтер модифицировал двигатель. Теперь в качестве катализатора (Z-Stoff) выступал перманганат калия. С новым катализатором двигатель развил тягу 290 кг, но проработал всего 30 секунд. T-Stoff по прежнему подавался с помощью сжатого воздуха. Этот двигатель был испытан на Fw 56.

В 1937 году появился новый двигатель — Walter RI-203, работавший на двусоставном топливе: метанольная смесь (М-Stoff) и перекись водорода (T-Stoff). Тяга двигателя образовывалась за счет сгорания топлива. Это был так называемый «горячий» двигатель. Тягу двигателя можно было регулировать, регулируя производительность насосов, подающих топливо в камеру сгорания. Насосы отбирали мощность от газовой турбины. Двигатель развивал тягу 500 кг на протяжении 60 секунд. Этот двигатель стал основным на первом немецком ракетном самолете Не 176, который поднялся в воздух 20 июня 1939 года.

Дальнейший вариант двигателя — RII-203 — также работал на двухсоставном топливе. Тяга двигателя регулировалась в пределах 150–750 кг. Этот двигатель ставили на Me 163А и на несколько (два?) прототипа Me 163B.

Двигатель RII-211 стал следующим шагом в эволюции двигателей Вальтера. Этот двигатель также работал на двухсоставном топливе: T-Stoff и C-Stoff. Сгорание топлива в рабочей камере проходило при заметно большей температуре, почти в два раза большей, чем у предыдущего двигателя. Поэтому R П-211 также называли «горячим», сравнивая его на этот раз с RII-203. RII-211 пошел в серию под обозначением HWK 109-509A.


Серийные модификации двигателя Walter R 11-211


HWK 109-509А-0

Предсерийные экземпляры выпускались в 1943 году. Тяга 300-1500 кг. Масса двигателя около 168 кг.

HWK 109-509А-1

Серийные двигатели, устанавливавшиеся на Me 163D, DFS 228 и Ва 349. Тяга 100… 1600 кг, масса двигателя 168 кг.

HWK 109-509А-2

Двигатель с двумя рабочими камерами (стартовой и маршевой), стоял на Me 163С. Тяга 200…1700 кг (маршевый 200 кг).

HWK 109-509В-1

Модификация на базе А-1 с тягой до 2000 кг. Стоял на Me 163В и DFS 345.

HWK 109-509С-1

Двухкамерный вариант на базе В- 1 с тягой 400…2000 кг. Стоял на Ju 248 (Me 263).

Всего выпустили около 500 экземпляров двигателей HWK 109–509 всех модификаций.

Иллюстрация к книге — Me 163 ракетный истребитель Люфтваффе [pic_136.jpg]

MG 151/20:

1. Крышки пока. 2. Пушка MG 151/20. 3. Кожаный фартук. 4. Обойма.

Иллюстрация к книге — Me 163 ракетный истребитель Люфтваффе [pic_137.jpg]

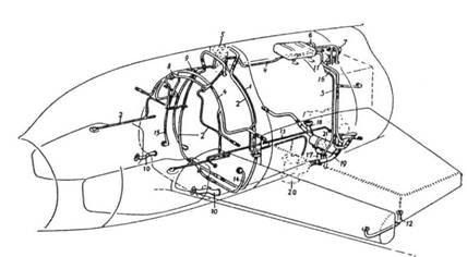
Схема топливной системы:

1. Перелив для T-Stoff. 2. Дренаж для T-Stoff. 3. Перелив для C-Stoff. 4. Дренаж для C-Stoff. 5. Горловина T-Stoff. 6. Расширительный бачок для T-Stoff. 7. Горловина для T-Stoff. 8. Кран. 9. Аварийный кран. 10. Соединение. 11. Наполнитель пускового бака. 12. Наружное соединение баков в крыльях. 13. Внутреннее соединение баков в крыльях. 14. Клапан сброса повышенного давления для T-Stoff. 15. Клапан сброса повышенного давления для C-Stoff. 16. Контур заполнения баков C-Stoff. 17. Пусковой контур для C-Stoff. 18. Пусковой контур для T-Stoff. 20. Клапан аварийного сброса топлива. 21. Как ускорителя.

Иллюстрация к книге — Me 163 ракетный истребитель Люфтваффе [pic_138.jpg]

Пушка МК 108 в орудийном отсеке.

Иллюстрация к книге — Me 163 ракетный истребитель Люфтваффе [pic_139.jpg]

1. Таблица SZKK 5. 2. Главный выключатель. 3. Переключатели Р1. 4. Основание прицела. 5. Верньер. 6. Ручка KG 12Е. 7. Кнопка А. 8. Гашетка.

Принцип действия двигателя HVVK 109-509

Двигатель работал на принципе выброса под большим давлением газов, образовывавшихся в результате сгорания двухкомпонентного топлива. Компонент T-Stoff представлял собой смесь из 80 % перекиси водорода и присадок в виде 8-гидроксихинолина (C9H7ON) и пирофосфата, а также стабилизатора соды. Смесь представляла собой прозрачную жидкость. Компонент C-Stoff представлял собой смесь, состоявшую из 30 % гидразина (N2H4H2O), 57–58 % метанола (СН3ОН) и 12–13 % воды, плюс медно-калиевый цианид (2,5 г/л). Опыты показали, что наиболее эффективна смесь из 10 весовых частей T-Stoff и 3,6 частей C-Stoff. Реагируя, топливо сгорало до азота (N2), двуокиси углерода (СО2) и воды (Н2О). Температура сгорания достигала 1800 °C, давление 19 атм. Скорость истечения продуктов сгорания из сопла 1700 м/с. При малой тяге газ был ярко-красного цвета, а при максимальной тяге — светло-желто-зеленый, почти бесцветный.

Промежуточные насосы, подающие компоненты в камеру сгорания, отбирали мощность у осевой турбины, работавшей на энергии разложения Т-Stoff (450–500 °C, 15 атм при полной тяге). Для разложения T-Stoff использовался катализатор — смесь бихромата натрия, хромата натрия и 3 % водного раствора гидрата натрия. Эта смесь пропитывала основу из портландцемента. В камеру разложения (испаритель) Т-Stoff подавался под давлением.

Функционально двигатель можно разделить на отдел нагнетающих насосов, регулятор подачи топлива и рабочую камеру. Конструктивно двигатель разделялся на переднюю и заднюю часть.

Реклама
Вход
Поиск по сайту
Ищем:
Календарь