Книга Focke Wulf FW190 A/F/G. Часть 2, страница 22 – Сергей В. Иванов

Авторы: А Б В Г Д Е Ж З И Й К Л М Н О П Р С Т У Ф Х Ч Ш Ы Э Ю Я
Книги: А Б В Г Д Е Ж З И Й К Л М Н О П Р С Т У Ф Х Ц Ч Ш Щ Ы Э Ю Я
Бесплатная онлайн библиотека LoveRead.ec

Онлайн книга «Focke Wulf FW190 A/F/G. Часть 2»

📃 Cтраница 22

Электрическое оборудование одножильное, напряжением 24 В. Источником тока служил генератор «Бош» мощностью 2000 Вт, отбиравший мощность на вале двигателя, а также аккумуляторная батарея емкостью 20 Ач, установленная в фюзеляже за креслом пилота. Все цепи имели автоматические предохранители, большинство из которых было сгруппировано на правой консоли в кабине пилота.

Иллюстрация к книге — Focke Wulf FW190 A/F/G. Часть 2 [pic_196.jpg]

Fw 190А-0 с бомбодержателем ЕТС 501 и адаптером ER 4.

Иллюстрация к книге — Focke Wulf FW190 A/F/G. Часть 2 [pic_197.jpg]

Fw 190A-0/U4 с батареей бомбодержателей под фюзеляжем.


Пулеметно-пушечное вооружение в стандартном варианте состояло из двух пулеметов «Рейнметалл-Борзиг» MG 131 калибра 13 мм (боекомплект 400 выстрелов на ствол) и четырех пушек «Маузер» MG 151/20Е калибра 20 мм в крыльях (боекомплект по 250 выстрелов на ствол у пушек у основания крыла и по 125 выстрелов на ствол у пушек в консолях крыла). Пулеметы и внутренняя пара пушек были синхронизированы, так как вели огонь через диск винта. Спуск и перезарядка оружия осуществлялась электрически. Для прицела использовался колиматорный прицел Revi 16B.

Кроме того, пулеметно-пушечное во-.] моле'1 а могло быть усилено за счет комплектов Ruestsatz.

Бомбовое вооружение. Хотя самолет ЮА-8 представлял собой истребите», его стандартно оснащали бомбодержателем ETC 501. установленным под фюзеляжем. Этот бомбодержатель обычно использовался для подвески дополнительного бензобака, но при необходимости самолет мог брать на бомбодержатель до 500 кг бомб.

Бомбодержатель ETC 501 с замком Schloss 500/XII позволял подвешивать груз до 500 кг (300-литровый бензобак, бомбы массой 250 или 500 кг или четыре 50-кг бомбы через адаптер ER 4). Адаптер ER 4 существовал в двух модификациях: стандартной с четырьмя замками ETC 50B-1 и упрощенной с четырьмя замками 50L-2 (выигрыш в массе 32 кг).

Для обслуживания бомбового вооружения использовался переключатель ZSK 244A, обслуживающий бомбодержатель и приводящий взрыватели бомб в боевое положение. С переключателем была соединена батарея ZBK 241/1, установленная за креслом пилота.

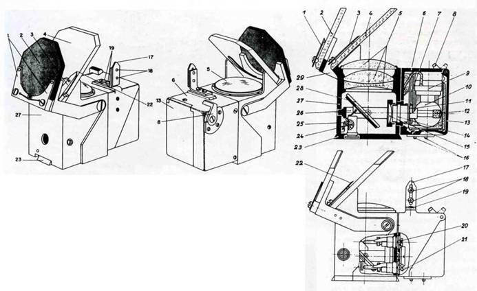
Иллюстрация к книге — Focke Wulf FW190 A/F/G. Часть 2 [pic_198.jpg]

Колиматорный прицел Revi 16В. 1. Пружина передней стеклянной пластины. 2. Затемненная пластинка. 3. Пружина преломляющей пластины. 4. Преломляющая пластина. 5. Литы объектива. 6. Кожух лампы подсветки. 7. Реостат системы затемнения. 8. Переключатель затемнения. 9. Держатель лампочки. 10. Лампочка. 11. Ночной фильтр. 12. Переключатель фильтра. 13. Крышка камеры подсветки. 14. Стеклянная пластина. 15. Линза окуляра. 16. Пружинные контакты. 17. Мушка прицела. 18. Винт регулировки в вертикальной плоскости. 19. Винт регулировки в горизонтальной плоскости. 20. Винт регулировки в горизонтальной плоскости. 21. Винт регулировки в вертикальной плоскости. 22. Целик. 23. Основание. 24. Гигроскопическая капсула. 25. Регулирующая пружина. 26. Шарнирное крепление. 27. Линзовая камера. 28. Зеркало. 29. Плечо держателя затемненного стекла.


ТТХ

Fw 190 V1 Fw 190 V5k Fw 190 V5g Fw 190 A-1 Fw 190 A-3
Размеры:
размах mm 9515 9515 10506 10506 10506
длина mm 8850 8950 8950 8950 8950
высота mm 3500 3950 3950 3950 3950
площадь крыла 14,88 15,0 18,30 18,30 18,30
Масса:
пустого kg 2310 2564 2737 2520 2845
максимальная kg 3100 3200 3400 3500 3995
Скорость макс. km/h 595 602 590 590 660
на высоте m 4500 4500 4500 X X
потолок m 8600 9600 11400 9600 10600
дальность km 750 1100 1080 1030 800
Двигатель BMW 139 BMW 801 C-0 BMW 801 C-0 BMW 801 C-1 BMW 801 D-2
мощность kW/л. c. 1140/1550 1147/1560 1147/1560 1147/1560 1272/1730

Вход
Поиск по сайту
Ищем:
Календарь