Онлайн книга «Focke Wulf FW190 A/F/G. Часть 2»
|
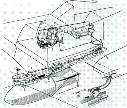
Все элементы системы смазки соединялись с большим маслофильтром системой трубопроводов с кранами. Масляная система допускала возможность залива горячего масла или масла, разведенного бензином, что облегчало холодный пуск двигателя. Циркуляция масла принудительная, обеспечивалась маслонасосом, температура масла регулировалась автоматически с помощью термостата. Часть самолетов серии Fw 190G (а также входящие в состав комплекса «Мистель») оснащались дополнительным маслобаком, который устанавливали перед кабиной пилота вместо пулеметов. Для двигателя предназначалось масло марки «Интава-Ротринг». Гидравлическая система на самолете как таковая отсутствовала. Гидравлический привод имелся только на автомате управления двигателем (Kommandogeraet) и на тормозах главного шасси. Но это были автономные системы, с полностью разобщенными контурами и заполненные разными сортами рабочей жидкости. Устройство GM 1 служило для повышения мощности двигателя на высотах более 5300 м методом впрыска в двигатель закиси азота. Закись азота хранилась при температуре -90 гр С. Ее использовали в качестве окислителя на больших высотах, где разреженный воздух не обеспечивает надлежащего сгорания топлива. Закись азота находилась в термически изолированном цилиндрическом баллоне объемом 115л, установленном за креслом пилота. Оттуда газ под давлением 0,45 МПа подавался в наддув, где смешивался с топливом и под давлением впрыскивался в цилиндры. Первоначально устройство GM 1 оснащалось только одной форсункой производительностью 60 г/с. Включение устройство осуществлялось специальным краном с одной или двумя кнопками, находящимися рядом с главной приборной доской. От случайного нажатия кнопки защищались специальными крышками. ![]() Стандартное бронирование истребителя Fw 190А-8. 1. Бронирование маслорадиатора. Толщина 6,5 мм, масса 34,7 кг (для двигателя BMW 801D-2) толщина 10мм, масса 53,3 кг (для двигателя BMW 801TU и A-8/R8). 2. Бронирование маслобака. Толщина 5,5 мм, масса 43,5 кг (для двигателя BMW 801D-2) толщина 6,0мм, масса 52,4 кг (для двигателя BMW 801TIJ и A-8/R8). 3. Основание фонаря. Толщина 15,0мм, масса 16 кг (только на A-8/R7 и R8). 4. Горизонтальная пластина. Толщина 4,0 мм, масса 9,0 кг (только на A-8/R7 и R8). 5. Лобовое стекло фонаря. Толщина 50мм, масса 14,6 кг. 6. Боковые стекла фониря. Толщина 30 мм, масса 8,0 кг (только на A-8/R7 и R8). 7. Треугольные пластины. Толщина 4,0 мм, масса 13,5 кг (только на A-8/R7 и R8). 8. Бронеспинка кресла пилота. Толщина 8,0мм, масса 18,2 кг. 9. Бронсплпта за креслом пилота. Толщина 5,0 мм, масса 5,9 кг. 10. Бронеплиты на шпангоуте № 5. Толщина 5,0 мм, масса 7,9 кг. 11. Бронированное изголовье кресла пилота. Толщина 12,0 мм, масса 13,0 кг, толщина 20,0 мм, масса 20 кг (для А-8/ R8). 12. Бронирование боекомплекта пушки МК 108 (только на A-8/R8). Толщина 20 мм, масса 21 кг. 13. Бронирование боекомплекта пушки МК 103 (только на А- 8/R8). Толщина 4,0 мм, масса 9,0 кг. ![]() Бомбодержатели. 1. Бомбодержатель ЕТС 501. 2. Адаптер ER 4. 3. Ножницы бомбодержателя. 4. Обтекатель бомбодержателя. 5. Кронштейн. 6. Разъемы. 7. Контейнер батареи ZBK 241/1 системы активизации взрывателя бомбы. 8. Разделитель. 9. Указатель сброса бомбы. 10. Ручка управления в кабине пилоты с рукояткой KG 13В. 11. Тяга бомбосброса. 12. Таблица разделения вооружения. 13. Ручка аварийного бомбосброса. ![]() Бомбодержатель ЕТС 501 под фюзеляжем. Обратите внмание на отсутствие створок на нишах главного шасси. Вместо створок установлены небольшие уголки. Заполнение бака осуществлялось под давлением при низкой температуре через специальный клапан, расположенный под крышкой. Клапан был выкрашен в серый цвет и обводился желтым кругом. Рядом имелась надпись «Fuellung». Для опорожнения системы служил другой клапан, выкрашенный в синий цвет и обведенный желтым кругом. Рядом имелась надпись «Entlueftung». Давление в системе поддерживалось сжатым воздухом, хранившимся в шести сферических баллонах объемом по 2 л каждый. Позже использовались и цилиндрические баллоны. Максимальное давление в баллонах достигало 15 МПа, а минимально допустимое рабочее давление 13,5 МПа. Воздух подавался через редуктор с предохранительным клапаном, рассчитанным на 0,6 МПа. ![]() Два снимка экспериментального Fw 190A- 0 с бомбой на бомбодержателе под фюзеляжем. Ни снимке видно, что створки пиши главного шасси задевают за бомбу. ![]() ![]() Fw 190A-5/U13, вероятно это V42, W.Nr. 151083, GC+LA. На снимке виден пламегаситель и бомбодержатель с подвешенным на нем деревянным макетом бомбы. Оснащение состояло из полного комплекта навигационных приборов, приборов контроля за полетом и за работой двигателя, обычных для одномоторных истребителей в то время. Приборы были собраны на приборной доске и защищены от солнечных бликов легким козырьком. По обоим бортам кабины находились консоли с рычагами, маховиками и другими приспособлениями, обеспечивающими регулировку различных систем самолета. Справа на приборной доске находился держатель для ракетницы типа «Вальтер», обеспечивавший возможность пуска ракет прямо из кабины самолета. Запас ракет находился в небольшом контейнере на правой консоли (кроме того, комплект ракет каждый пилот носил на голенищах летных бахил в виде своеобразных «газырей». Истребители Fw 190A-8, переделанные из самолетов ранних серий, оснащались аптечкой, которая хранилась в нише под крышкой в хвостовой части фюзеляжа между шпангоутами № 11 и № 12. Доступ к аптечке был снаружи самолета. На новых серийных А-8 и более поздних самолетах аптечки уже не было. Истребители в тропическом исполнении оснащались дополнительными комплектами, облегчающими эксплуатацию самолета в условиях пустыни. Комплект включал в себя как приспособления для самолета (воздушные фильтры, дополнительные противопылевые уплотнители), а также для пилота (запас продовольствия, охотничье ружье). Некоторые самолеты оснащались спасательной надувной лодкой или парой лыж с запасом провианта. Кислородное оборудование состояло из 9 сферических 2-литровых баллонов, объединенных в группы по три. Баллоны находились в нижней части фюзеляжа в районе шпангоута № 9. Наполнялись баллоны через один общий клапан, выведенный на правый борт между шпангоутами № 8 и № 9. Давление в полностью наполненных баллонах составляло 150 атм (15,0 МПа). Кислород подавался в кислородную маску, расположенную на правом борте кабины. Кислородная маска обеспечивала регулировку концентрации кислорода в зависимости от высоты полета. На высотах более 8000 м подавался чистый кислород. |
![Иллюстрация к книге — Focke Wulf FW190 A/F/G. Часть 2 [pic_190.jpg] Иллюстрация к книге — Focke Wulf FW190 A/F/G. Часть 2 [pic_190.jpg]](img/book_covers/073/73592/pic_190.jpg)
![Иллюстрация к книге — Focke Wulf FW190 A/F/G. Часть 2 [pic_191.jpg] Иллюстрация к книге — Focke Wulf FW190 A/F/G. Часть 2 [pic_191.jpg]](img/book_covers/073/73592/pic_191.jpg)
![Иллюстрация к книге — Focke Wulf FW190 A/F/G. Часть 2 [pic_192.jpg] Иллюстрация к книге — Focke Wulf FW190 A/F/G. Часть 2 [pic_192.jpg]](img/book_covers/073/73592/pic_192.jpg)
![Иллюстрация к книге — Focke Wulf FW190 A/F/G. Часть 2 [pic_193.jpg] Иллюстрация к книге — Focke Wulf FW190 A/F/G. Часть 2 [pic_193.jpg]](img/book_covers/073/73592/pic_193.jpg)
![Иллюстрация к книге — Focke Wulf FW190 A/F/G. Часть 2 [pic_194.jpg] Иллюстрация к книге — Focke Wulf FW190 A/F/G. Часть 2 [pic_194.jpg]](img/book_covers/073/73592/pic_194.jpg)
![Иллюстрация к книге — Focke Wulf FW190 A/F/G. Часть 2 [pic_195.jpg] Иллюстрация к книге — Focke Wulf FW190 A/F/G. Часть 2 [pic_195.jpg]](img/book_covers/073/73592/pic_195.jpg)