Онлайн книга ««Трехэтажный» американец Сталина. Танк М3 «Генерал Ли» / «Генерал Грант»»
|
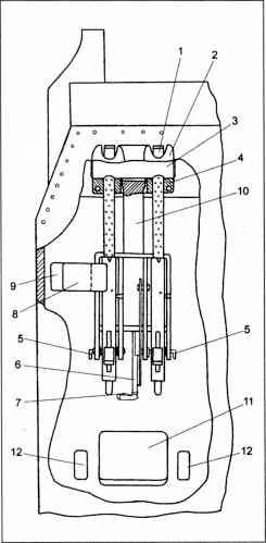
В башне в маск-установке М24 была установлена 37-мм пушка М6 (на незначительном количестве машин ранних выпусков — М5) и спаренный с ней 7,62-мм пулемет Browning М1919А4. Длина ствола орудия составляла 3,5 калибра, начальная скорость бронебойного снаряда — 884 м/с. На дистанции 500 ярдов бронебойный снаряд пробивал гомогенную броню толщиной 53 мм, расположенную под углом 30° к вертикали, на дистанции 1000 ярдов — 46 мм и на дистанции 1500 ярдов — 40 мм. ![]() Интерьер боевого отделения танка М3. Установка 37-мм пушки в башне. ![]() Выстрелы 37-мм пушки располагались на стенках башни и подбашенной коробки. Вертикальное наведение осуществлялось с помощью секторного подъемного механизма в диапазоне от -7° до +56°. Подъемный механизм имел выключатель ведущей шестерни, что обеспечивало свободное качание всей спаренной установки в пределах вертикального угла. Для производства выстрела спаренная установка пушки и пулемета имела самостоятельные электроспуски, кнопки которых размещались на рукоятке управления гидроприводом поворота башни. Дублирующий ручной спуск пушки располагался на люльке пушки. Для стрельбы из пушки использовался телескопический прицел М19А1, смонтированный в перископическом смотровом приборе М2. ![]() Схема установки спаренных курсовых пулеметов: 1 — пулемет Browning; 2 — броневая крышка; 3 — маска пулеметов; 4 — внутренняя крышка маски; 5 — ось крепления пулемета; 6 — рычаг для придания спаренным пулеметам углов возвышения и снижения; 7 — фиксатор спаренной установки; 8 — коробка для ленты с патронами к правому пулемету; 9 — коробка для ленты с патронами к левому пулемету; 10 — кронштейн установки спаренных пулеметов; 11 — сиденье заряжающего; 12 — коробки для лент с патронами. ![]() Противовес, закрепленный у дульного среза 75-мм пушки. ![]() Противовес, закрепленный под стволом 37-мм пушки. Для 75- и 37-мм пушек были разработаны гироскопические стабилизаторы наведения в вертикальной плоскости. Однако после монтажа их в танк выяснилось, что обе артсистемы оказались неуравновешенными. Для устранения этого явления пришлось устанавливать противовесы: на пушке М2 — у дульного среза, на пушке М6 — под стволом. Для 75-мм орудия М3, имевшего более длинный ствол, противовес не потребовался. Испытания, проходившие в апреле 1941 года, показали высокую эффективность стабилизаторов. Так, например, при скорости 16 км/ч и интенсивном маневрировании экипаж поразил 60 % целей из 37-мм пушки на дистанции 200–700 ярдов с первого выстрела. Результаты испытаний и устранение «детских болезней» стабилизаторов стали причиной принятия их на вооружение в июне 1941 года. С января 1942 года они стали устанавливаться на все серийные танки М3. Помимо спаренного пулемета вооружение танка включало еще три 7,62-мм пулемета Browning М1919А4. В отделении управления танка в неподвижной броне-маске на кронштейне были смонтированы два спаренных курсовых пулемета. Кронштейн был соединен с пружинным амортизатором и имел рычаг, с помощью которого угол возвышения изменялся до +9°, склонения до — 4°. Горизонтальное наведение осуществлялось поворотом танка. Управление огнем пулеметов производилось механиком-водителем, у которого на рычагах управления имелись гашетки электроспусков. Еще один пулемет Browning М1919А4 был установлен в цилиндрической маске командирской башенки вместе со смотровым прибором. Маск-установка допускала наведение пулемета по вертикали в пределах -13° до +60°. Прицельных приборов этот пулемет не имел. В качестве личного оружия экипажа в танке укладывались два 11,43-мм пистолета-пулемета M1 Thompson. Боекомплект танка по данным, приводимым в иностранных источниках, состоял из 50 выстрелов калибра 75 мм, 178 выстрелов калибра 37-мм и 9200 7,62-мм патронов. В «Кратком руководстве службы» танка М3, изданном в СССР в 1942 году, приводятся другие данные боекомплекта: 41 выстрел калибра 75 мм, 137 — 37 мм, 8000 патронов к пулеметам и 1000 патронов (20 дисков) к пистолетам-пулеметам Thompson. ![]() Вид снизу на командирскую башенку с установленным в ней пулеметом Browning М1919А4. Маловероятно, что при таком его размещении командир мог вести из пулемета прицельный огонь. ![]() М3А1. ДВИГАТЕЛЬ и ТРАНСМИССИЯ. В кормовой части танка с небольшим наклоном вперед устанавливался 9-цилиндровый четырехтактный, звездообразный, карбюраторный двигатель Wright Continental R-975-EC2 воздушного охлаждения мощностью 340 л.с. при 2400 об/мин. Рабочий объем 15 938 см3. Диаметр цилиндра 127 мм. Ход поршня 139,8 мм. Степень сжатия 6,3. В качестве топлива использовался авиационный этилированный бензин с октановым числом не ниже 92. В Красной Армии допускалось использование бензина с октановым числом 87. Емкость четырех топливных баков составляла 660–670 л. Подача топлива — принудительная, топливный насос коловратного типа. Карбюратор Stromberg NA-R9D. Специальная инструкция ГБТУ Красной Армии по эксплуатации танков иностранных марок в числе прочего категорически запрещала засос или продувание бензопроводов ртом, мытье рук или деталей в этилированном бензине. Система смазки — циркуляционная, под давлением, с сухим картером. ![]() Схема расположения вооружения в башне танка: 1 — 37-мм пушка; 2 — маск-установка; 3 — отверстие для установки перископического прицела; 4 — маховичок механизма поворота башни; 5 — рукоятка затвора пушки; 6 — пулемет Browning М1919А4; 7 — сиденье наводчика; 8 — сиденье командира танка; 9 — сиденье заряжающего. |
![Иллюстрация к книге — «Трехэтажный» американец Сталина. Танк М3 «Генерал Ли» / «Генерал Грант» [i_031.jpg] Иллюстрация к книге — «Трехэтажный» американец Сталина. Танк М3 «Генерал Ли» / «Генерал Грант» [i_031.jpg]](img/book_covers/052/52932/i_031.jpg)
![Иллюстрация к книге — «Трехэтажный» американец Сталина. Танк М3 «Генерал Ли» / «Генерал Грант» [i_032.jpg] Иллюстрация к книге — «Трехэтажный» американец Сталина. Танк М3 «Генерал Ли» / «Генерал Грант» [i_032.jpg]](img/book_covers/052/52932/i_032.jpg)
![Иллюстрация к книге — «Трехэтажный» американец Сталина. Танк М3 «Генерал Ли» / «Генерал Грант» [i_033.jpg] Иллюстрация к книге — «Трехэтажный» американец Сталина. Танк М3 «Генерал Ли» / «Генерал Грант» [i_033.jpg]](img/book_covers/052/52932/i_033.jpg)
![Иллюстрация к книге — «Трехэтажный» американец Сталина. Танк М3 «Генерал Ли» / «Генерал Грант» [i_034.jpg] Иллюстрация к книге — «Трехэтажный» американец Сталина. Танк М3 «Генерал Ли» / «Генерал Грант» [i_034.jpg]](img/book_covers/052/52932/i_034.jpg)
![Иллюстрация к книге — «Трехэтажный» американец Сталина. Танк М3 «Генерал Ли» / «Генерал Грант» [i_035.jpg] Иллюстрация к книге — «Трехэтажный» американец Сталина. Танк М3 «Генерал Ли» / «Генерал Грант» [i_035.jpg]](img/book_covers/052/52932/i_035.jpg)
![Иллюстрация к книге — «Трехэтажный» американец Сталина. Танк М3 «Генерал Ли» / «Генерал Грант» [i_036.jpg] Иллюстрация к книге — «Трехэтажный» американец Сталина. Танк М3 «Генерал Ли» / «Генерал Грант» [i_036.jpg]](img/book_covers/052/52932/i_036.jpg)
![Иллюстрация к книге — «Трехэтажный» американец Сталина. Танк М3 «Генерал Ли» / «Генерал Грант» [i_037.jpg] Иллюстрация к книге — «Трехэтажный» американец Сталина. Танк М3 «Генерал Ли» / «Генерал Грант» [i_037.jpg]](img/book_covers/052/52932/i_037.jpg)
![Иллюстрация к книге — «Трехэтажный» американец Сталина. Танк М3 «Генерал Ли» / «Генерал Грант» [i_038.jpg] Иллюстрация к книге — «Трехэтажный» американец Сталина. Танк М3 «Генерал Ли» / «Генерал Грант» [i_038.jpg]](img/book_covers/052/52932/i_038.jpg)