Онлайн книга «Наука о сне. Кто познает тайну сна – познает тайну мозга!»
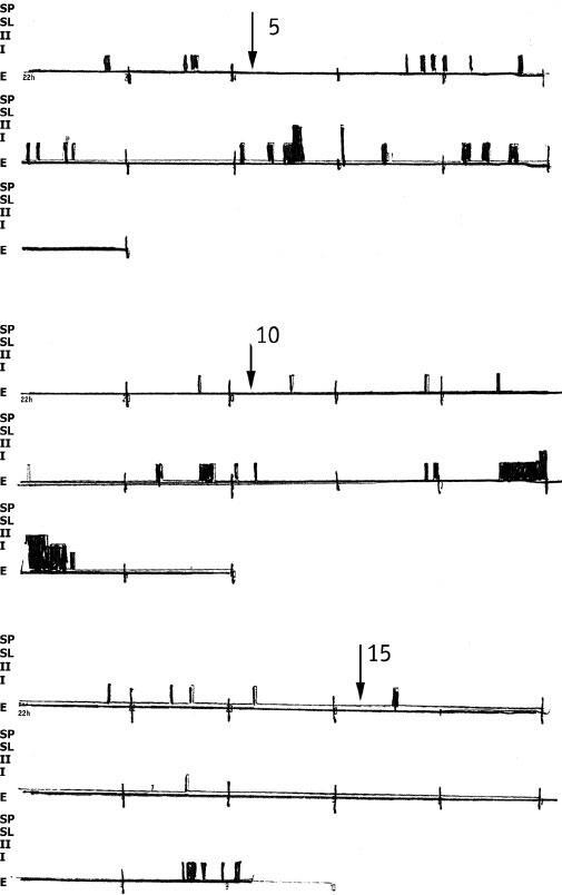
![]() Рис. 2. После приема 5, 10 или 15 граммов триптофана (отмечено стрелками) никакого улучшения не наблюдается. (На шкале ординат — SP — парадоксальный сон — ПС; SL — медленный сон — МС) ![]() Рис. 3. Восстановление сна после приема 1500 мг DL 5-HTP (5-окситриптофана) в 23 часа и 4 часа (стрелками). — SP — парадоксальный сон — ПС; SL — медленный сон — МС; Е — бодрствование (Б). Наблюдалось восстановление парадоксального сна после второй дозы 5-окситриптофана. Стадии сна: I, II, III и IV. Парадоксальный сон — SP. По шкале абсцисс: время (в часах). ![]() Рис. 4. Кумулятивная диаграмма продолжительности сна (в минутах) за каждые 10 минут в течение 16 последовательных ночей. Стрелки указывают моменты приема больших доз DL 5-HTP (23 часа и 4 часа). Жирная линия — стадии II, III и IV. Закрашенные участки — парадоксальный сон. Тонкая линия — стадии II, III и IV под воздействием плацебо, которое больная принимала 16 ночей в то же время, что и DL 5-HTP. Таким образом, эта молодая женщина принадлежала к группе «малоспящих» (short sleepers), описанных Джонсом и Освальдом в 1968 году. ![]() Рис. 5. Термографическое исследование процесса длительного галлюцинаторного эпизода (галлюцинаторного дистальгического синдрома) (Д-р Шмитт, лаборатория термографии, больница Эдуарда Эррио, Лион). № 1: контроль. № 2: появление болей в конечностях. Испытуемый сжимает одной рукой другую. № 3: Глаза закрыты. Испытуемый разговаривает с воображаемым собеседником. Регистрация ЭЭГ демонстрирует бодрствование. № 4: длительная галлюцинация. № 5: возвращение в нормальное состояние. Испытуемый открывает глаза. № 6 и № 7: пациента просят закрыть глаза. У него снова начинаются галлюцинации. ЭЭГ бодрствования. № 8: очень сильная стимуляция возвращает пациента к реальности. Завершение галлюцинаторного эпизода. Испытуемый отчитывается о сновидении. Экспериментальная депривация сна
Сколько времени можно бодрствовать без сна (по мнению физиологов)?
• Депривация сна у животных В 1983 году были опубликованы результаты хронической регистрации ЭЭГ, полученные командой моего друга Аллана Рехтшаффена из Чикаго при сравнении контрольного животного с параллельной записью у животного, полностью лишенного сна (в основном, крыс). Экспериментальное оборудование состояло из вращающейся круговой платформы, окруженной водой, разделенной пополам неподвижным барьером, по одну сторону которого находилась контрольная крыса, а по другую — депривированная, обе с электродами в коре головного мозга, позволяющими вести запись ЭЭГ. Как только депривируемое животное засыпало, на регистрирующем приборе отмечалось замедление ритмов ЭЭГ, что автоматически включало моторчик, заставляющий платформу медленно вращаться, вынуждая крысу проснуться, чтобы избежать столкновения с барьером и падения в воду. При этом контрольная крыса, если она спала, тоже вынуждена была проснуться, но она могла «отсыпаться» в периоды активности своей напарницы. В результате контрольная крыса теряла только 20–30 % сна, в то время как депривированная — 90–95 %. Контроль кортизола и надпочечников показал, что воздействие стресса было идентичным в обеих группах крыс. Результаты продемонстрировали, что уже через неделю крысы, полностью лишенные сна, испытывали ухудшение общего состояния с потерей веса (несмотря на увеличение потребления пищи) и белковый распад в организме с появлением крови в моче. Потеря энергии в 2,5 раза превышала нормальное значение, и в среднем через 21 день происходила гибель, которой предшествовало резкое падение температуры тела. Вскрытие крыс не выявило органических изменений по сравнению с контрольными животными. Тогда возникает вопрос: почему же продолжительная депривация сна приводит к смерти? Хорн предложил следующую гипотезу: поскольку действие стресса здесь исключено, то единственной причиной смерти депривированной крысы является, очевидно, падение температуры тела. Эта гипотермия является следствием усиления теплоотдачи через лапы и хвост животного, так как во время сна крыса обычно прячет их в своей шерсти. Таким образом, гибель животного происходила из-за нарушения терморегуляции… или какого-то другого, еще не известного процесса [21]. • Депривация сна у человека Известно, что подобные эксперименты проводились в армиях разных стран (Норвегии, США, Франции, СССР), но их результаты не публиковались. Тем не менее, считалось, что предельная граница (когда испытуемый еще способен выполнять приказы) находится между 9 и 12 сутками. Пока не появился Рэнди Гарднер, молодой 17-летний американец, который, стремясь к рекорду и в погоне за «славой», добровольно согласился оставаться бодрым как можно дольше без помощи лекарств (амфетаминов) и даже без кофе. Непрерывная регистрация ЭЭГ проводилась моим коллегой и другом Уильямом Дементом. В итоге мировой рекорд пребывания без сна составил 11 суток, или 264 часа. Основные наблюдаемые симптомы были следующими: начиная со вторых суток депривации испытуемый был вынужден бросить смотреть телевизор из-за нарушения аккомодации (приспособления); третьи сутки — атаксия (расстройство моторики), небольшая тошнота и подавленное настроение; четвертые сутки — нарушения памяти и концентрации, иллюзии (он принял панель сигнализации за человека) и заявление, что он «величайший футболист в мире». С 5-х по 11-е сутки — атаксия усилилась, так же как галлюцинации и нарушения памяти. Клиническое исследование, проведенное на 11-й день, обнаружило сильный птоз (опущение верхнего века) со страбизмом (косоглазием), нистагм (быстрые непроизвольные движения глаз), дрожание рук, а также снижение кожной температуры на 1-10 градусов вследствие сильного сужения периферических сосудов. |
![Иллюстрация к книге — Наука о сне. Кто познает тайну сна – познает тайну мозга! [i_020.jpg] Иллюстрация к книге — Наука о сне. Кто познает тайну сна – познает тайну мозга! [i_020.jpg]](img/book_covers/099/99785/i_020.jpg)
![Иллюстрация к книге — Наука о сне. Кто познает тайну сна – познает тайну мозга! [i_021.jpg] Иллюстрация к книге — Наука о сне. Кто познает тайну сна – познает тайну мозга! [i_021.jpg]](img/book_covers/099/99785/i_021.jpg)
![Иллюстрация к книге — Наука о сне. Кто познает тайну сна – познает тайну мозга! [i_022.jpg] Иллюстрация к книге — Наука о сне. Кто познает тайну сна – познает тайну мозга! [i_022.jpg]](img/book_covers/099/99785/i_022.jpg)
![Иллюстрация к книге — Наука о сне. Кто познает тайну сна – познает тайну мозга! [i_023.jpg] Иллюстрация к книге — Наука о сне. Кто познает тайну сна – познает тайну мозга! [i_023.jpg]](img/book_covers/099/99785/i_023.jpg)