Книга Крейсерский танк Mk.VIII «Кромвель». На острие королевского меча, страница 20 – Алексей Широкорядов

Авторы: А Б В Г Д Е Ж З И Й К Л М Н О П Р С Т У Ф Х Ч Ш Ы Э Ю Я
Книги: А Б В Г Д Е Ж З И Й К Л М Н О П Р С Т У Ф Х Ц Ч Ш Щ Ы Э Ю Я
Бесплатная онлайн библиотека LoveRead.ec

Онлайн книга «Крейсерский танк Mk.VIII «Кромвель». На острие королевского меча»

📃 Cтраница 20

Для наведения 57-мм орудия использовался телескопический прицел № 33, для 75-мм орудия использовался телескопический прицел № 50×3L Mk.I или 2AFV Sight Gear 75 mm.

Иллюстрация к книге — Крейсерский танк Mk.VIII «Кромвель». На острие королевского меча [i_061.jpg]

Правильная последовательность затягивания гаек. Опорный каток раннего образца с перфорированным бандажом.

Дополнительное вооружение было представлено двумя пулеметами BESA Mk.I, Mk.II, Mk.II*, Mk.III, Mk.III* калибра 7,92 мм. Свое обозначение пулемет получил по первым буквам заводов-изготовителей: B — «Brno», E — «Enfild», SA — «Small Arms Company». Модификации Mk.I и Mk.II были приняты на вооружение в июне 1940 года, Mk.I был практически сразу признан устаревшим. На Mk.II устанавливались детали от Mk.I, но с некоторыми изменениями для облегчения производства. Обе модели были рассчитаны на ведение только автоматического огня и имели переключатель, позволявший регулировать скорострельность. Переключатель мог устанавливаться в двух значениях: L (Low — низкий), с темпом стрельбы 450–550 выстрелов в минуту, и H (High — высокий), с увеличенным темпом стрельбы до 750–850 выстрелов в минуту. Значение L устанавливалось для обычного использования, а обеспечивавшее большую огневую мощь H — при отражении атаки противника или в других неотложных обстоятельствах.

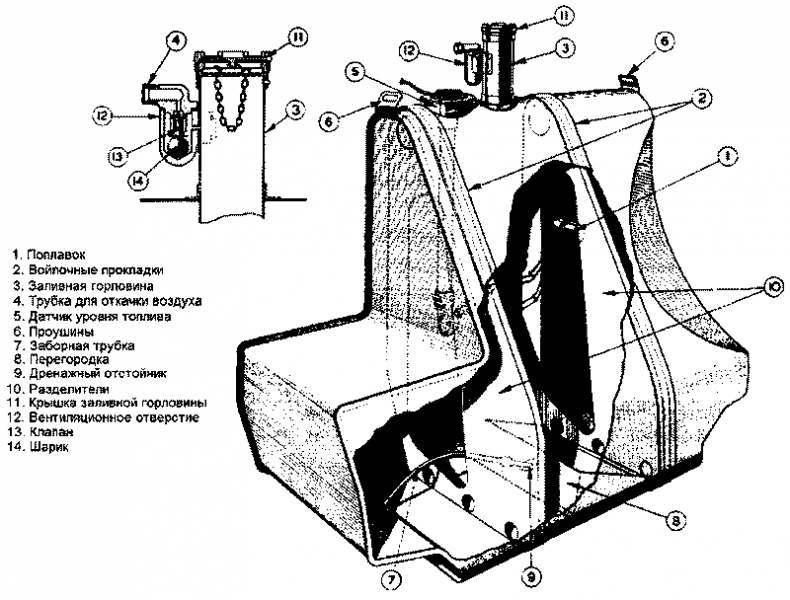
Иллюстрация к книге — Крейсерский танк Mk.VIII «Кромвель». На острие королевского меча [i_062.jpg]

Конструкция топливного бака.

Иллюстрация к книге — Крейсерский танк Mk.VIII «Кромвель». На острие королевского меча [i_063.jpg]

Схема крепления дополнительного топливного бака.

Иллюстрация к книге — Крейсерский танк Mk.VIII «Кромвель». На острие королевского меча [i_064.jpg]

Модели Mk.II*, Mk.III, Mk.III* были приняты на вооружение в августе 1943 года. Модификация Mk.II* была переходная между Mk.II и Mk.III, и хотя многие детали были упрощены, все детали у моделей Mk.II и Mk.II* оставались полностью взаимозаменяемыми. На модели Mk.III конструкция пулемета была значительно изменена, и детали от предыдущих модификаций уже не могли использоваться на них. Mk.III и Mk.III* в дальнейшем были еще больше упрощены: на них отсутствовали переключатели скорострельности. Единственная разница между Mk.III и Mk.III* была в том, что Mk.III имел скорострельность 750–850 выстрелов в минуту, а у Mk.III* она была снижена до уровня 450–550 выстрелов в минуту. В дальнейшем все модели Mk.III были переделаны в Mk.III*.

Иллюстрация к книге — Крейсерский танк Mk.VIII «Кромвель». На острие королевского меча [i_065.jpg]

Радиостанция Wireless Set № 19.

Технические характеристики пулемета BESA

Иллюстрация к книге — Крейсерский танк Mk.VIII «Кромвель». На острие королевского меча [i_066.jpg]

Один пулемет устанавливался в установке Mk.20 с бронированным кожухом для ствола, крепившимся к лобовому бронелисту болтами, второй был спарен с орудием. Сектор обстрела курсового пулемета составлял 22,5° в каждую сторону, вертикальное наведение — от -12,5° до +12,5°. Пулемет BESA — с воздушным охлаждением, с ленточной подачей патронов, по 225 патронов в ленте. Масса с боеприпасами — 21,8 кг. Боекомплект составлял 4950 патронов (22 ленты по 225 патронов в каждой). Использовались патроны с утяжеленной пулей, бронебойно-зажигательной Mk.Iz и Mk.IIz. Прицельная стрельба из курсового пулемета осуществлялась с помощью перископического прицела № 35 Mk.I, на танках поздних модификаций его заменили телескопическим прицелом № 50×1,9 Mk.I.

Дополнительно в башне танка перевозился пулемет BREN калибра 7,7 мм, который мог использоваться в качестве зенитного, а также 600 патронов к нему.

Для борьбы с пехотой в ближнем бою в крыше башни устанавливался 2-дюймовый (~50,8 мм) гранатомет Mk.IA*. Заряжание — казнозарядное путем перелома ствола. Максимальная дальность стрельбы — 150 ярдов (~137 м). Для стрельбы использовались два типа гранат: осколочные Mk.I и дымовые Mk.I, Mk.II и Mk.III, последние были начинены белым фосфором. Дымовая граната создавала завесу до 24 ярд² (20 м²). Осколочная граната имела до 48 поражающих элементов и накрывала область 33–40 ярд² (27,6–33,5 м²). Боекомплект — 30 гранат.

МАШИНЫ НА БАЗЕ ТАНКА CROMWELL

Конструкция танка Cromwell послужила базой для создания многих боевых, инженерных и специализированных машин: бронетранспортеров, тягачей, машин управления, БРЭМ и др. Для создания некоторых приходилось изменять конструкцию отдельных узлов танка, таких, как башня, корпус, подвеска. Большинство же машин появлялось благодаря переоборудованию из линейных танков.


Командирские и связные танки, машины управления огнем

Cromwell Command — командирский танк для управления танковыми бригадами и дивизиями. Выпускался в двух видах: с сохраненным основным вооружением или демонтированным, в последнем варианте орудие заменялось макетом. В башне размещалась дополнительная радиостанция Wireless Set № 19. Одна из радиостанций обеспечивала связь с командованием корпуса или дивизией, другая — с подчиненными бригадами или полками. Внешне эти машины можно было отличить по дополнительным антеннам на корпусе или башне, а также по отсутствию отверстия в т. н. «дульном тормозе» макета орудия. Все танки отличались друг от друга из-за того, что часть из них изготавливалась в заводских условиях, другие переоборудовались в войсках полевыми мастерскими.

Иллюстрация к книге — Крейсерский танк Mk.VIII «Кромвель». На острие королевского меча [i_067.jpg]

Танк Mk.VIII A27M Cromwell Mk.IV Command Tank OP с бортовым № Т187921 и собственным именем «Hela» командира 1-й польской танковой дивизии Станислава Мачека в Скарборо, Северный Йоркшир. Модификация танка оснащена муляжом орудия и дополнительным радио обору дованием.

Cromwell Control — танк для командиров танковых полков; в отличие от предыдущей модификации эта машина сохраняла все линейное вооружение. Радиооборудование состояло из двух радиостанций Wireless Set № 38 и одной Wireless Set № 19.

Cromwell Rear Link — танк обеспечения радиосвязи в полках с сохраненным вооружением, оборудованный радиостанциями Wireless Set № 19 или Wireless Set № 38.

Реклама
Вход
Поиск по сайту
Ищем:
Календарь