Онлайн книга «Внешняя разведка СССР – России. 1946–2020 годы. История, структура и кадры»
|
ПГУ КГБ СССР: Все что вы хотели знать, но стеснялись спросить. Несколько слов о проблеме
До сих пор мы старались по возможности полно давать информацию о руководстве разведки и ее структурных единиц. К настоящему времени она известна почти полностью до 1954 года, исключая короткий период, предшествующий Великой Отечественной войне, когда структура менялась слишком часто из-за исчезновения целых государств. Данных о послесталинской эпохе значительно меньше. Конечно, надо понимать то, что чем ближе к сегодняшнему дню, тем большую актуальность сохраняют былые операции КГБ и тем большие пласты информации остаются секретными, исходя из необходимости защиты государственной тайны. Однако как раз данные о структуре публикуются свободно. Еще в 1992 году вышла книга советского перебежчика Олега Гордиевского и английского историка Кристофера Эндрю «КГБ. История внешнеполитических операций от Ленина до Горбачева», в которой приводится структура ПГУ на момент побега Гордиевского в 1985 году. В книге Н. В. Петрова «Кто руководил органами госбезопасности», вышедшей в 2010 году, приводится структура по состоянию на момент создания КГБ весной 1954 года. Но как происходила эволюция в этом 30-летнем промежутке — известно лишь приблизительно. Многие авторы мемуаров из числа отставных разведчиков вскользь упоминают о создании тех или иных отделов, но зачастую делать выводы о реорганизациях можно лишь с точностью до десятилетия. Здесь мы должны выразить благодарность польскому исследователю истории спецслужб в «холодной войне» Лешеку Павликовичу. В изданной в Варшаве в 2013 году работе Aparat centralny 1 Zarządu Głуwnego KGB jako instrument realizacji globalnej strategii Kremla 1954–1991 («Центральный аппарат 1-го Главного управления КГБ как инструмент реализации глобальной стратегии Кремля в 1954–1991») ему удалось проделать поистине титаническую работу, воссоздав на основании многочисленных российских и зарубежных открытых публикаций эволюцию структуры за исследуемый период. Книга немедленно стала библиографической редкостью и в настоящее время приобрести ее почти невозможно. Однако одному из соавторов это все же удалось. Конечно, совершенство недостижимо. Есть некоторые пробелы и в этой работе — в частности, по прежнему неизвестны имена некоторых начальников ключевых отделов, а информация о других имеет незначительные расхождения с другими известными данными. Кроме того, Л. Павликович, к сожалению, иногда обращался к бытующим на Западе мифам о «демоническом КГБ», ответственном буквально за все зло мира. Тем не менее, его книга является огромным шагом вперед в исследовании истории советской разведки. Структура и кадры центрального аппарата ПГУ
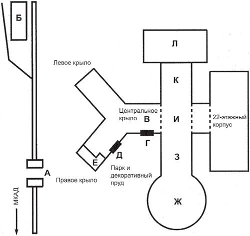
Согласно внутреннему распрелению обязанностей в КГБ, известному на 1956–1971 годы, ПГУ находилось в непосредственном подчинении председателя, минуя его заместителей, а с 23 ноября 1978 года начальник ПГУ сам стал по совместительству заместителем председателя. Начальники: А. С. Панюшкин (17.3.54–23.6.55), А. М. Сахаровский (23.6.55–12.5.56 и. о., 12.5.56–15.7.71), Ф. К. Мортин (15.7.71–13.11.74), В. А. Крючков (26.12.74 — 1.10.88), В. А. Кирпиченко (10.88 — 2.89, и. о.), Л. В. Шебаршин (6.2.89–21.9.91 г.), В. И. Гургенов (22–30.9.91), Е. М. Примаков (30.9–6.11.91). Начальник ПГУ имел 1–2 первых заместителей и нескольких обычных заместителей. К середине 60-х гг была введена географическая специализация (заместитель по Западному полушарию, курирующий 1-й и 5-й отделы, по Европе и по Азии) [89]. Впоследствии число региональных заместителей росло — так, уже к концу 60-х гг. вместо одного заместителя по Азии были введены должности по Ближнему и Среднему Востоку и Африке и по Дальнему Востоку. Также заместителем начальника по должности постоянно являлся начальник Управления «С» (нелегальная разведка), с начала 60-х — начальник отдела кадров, с 1974 г. — начальник Управления «Т» (нелегальная разведка). Кроме того в разные периоды, у начальника ПГУ были один или несколько заместителей по общим вопросам. Наиболее высокопоставленные офицеры действующего резерва ПГУ, работавшие под прикрытием в ведомствах, также могли иметь ранг заместителя начальника [90]. ![]() В «Лесу». Штаб квартира ПГУ в Ясенево с 1973 года. Современный вид ![]() Схема штаб-квартиры ![]() Схема штаб-квартиры. Главный корпус. Буквами обозначены: А — Главные ворота; Б — Технические службы; В — Главное здание; Г — Главный вход; Д — Вход для руководства; Е — Кабинеты руководства; Ж — Конференц-зал; З — Главная библиотека; И — Столовая; К — Поликлиника; Л — Спортзал, бассейн 1-е заместители начальника: А. М. Сахаровский (2.8.55–11.5.56 г.), Ф. К. Мортин (58–71), А. Б. Рандакявичюс (26.1–2.67 г.), Б. С. Иванов (69 — 3.79), В. А. Крючков (9.8.71–26.12.74), М. А. Усатов (74–79), И. А. Маркелов (8.79 — 1.8.83), В. А. Кирпиченко (10.79 — 8.91), В. Ф. Грушко (9.83–20.9.89), В. М. Рожков (18.9 — 10.91). Заместители начальника: А. В. Тишков (18.3 — 12.54), А. М. Сахаровский (18.3–4.11.54 и. о., 4.11.54 — 2.8.55), В. И. Вертипорох (7.54–4.55, и. о.), А. А. Крохин (30.10.54 — 3.57), Ф. К. Мортин (10.54–58 г.), П. П. Макарьев (23.2.57–1.60), М. Г. Котов (58 — 3.68), А. А. Крохин (58–61), В. Г. Павлов (61– 2.66), А. А. Крохин (9.64–66), Б. С. Иванов (66–69), М. С. Цымбал (66 — 6.67), А. Б. Рандакявичюс (2.67–11.70), И. И. Агаянц (14.6.67–12.5.68), В. П. Соболев (67–конец 68 г.), С. А. Кондрашев (68–73 г.), Б. А. Соломатин (68–71), В. В. Мозжечков (4.69–70), Ф. В. Мочульский (на 70–75), Ю. И. Попов (4.73 — на 77), Е. И. Шишкин (75 — 3.80), Олег Павлович Москвичев (на 77), В. К. Толстиков (78–9.83), Владимир Александрович Чухров (на 79–82), Я. П. Медяник (3.75 — 4.87), Л. Н. Шапкин (78 –1.91), Ф. В. Мочульский (на 78), В. Ф. Грушко (12.80 — 9.83), Н. С. Леонов (26.9.83 — 1.91), Л. В. Шебаршин (4.87 — 2.89), Алексей Саввич Воскобой, Н. Е. Калягин (87–91), В. И. Гургенов (89–91), Г. Ф. Титов (11.89–29.1.91), В. И. Жижин (1–8.91). |
![Иллюстрация к книге — Внешняя разведка СССР – России. 1946–2020 годы. История, структура и кадры [i_031.jpg] Иллюстрация к книге — Внешняя разведка СССР – России. 1946–2020 годы. История, структура и кадры [i_031.jpg]](img/book_covers/098/98678/i_031.jpg)
![Иллюстрация к книге — Внешняя разведка СССР – России. 1946–2020 годы. История, структура и кадры [i_032.jpg] Иллюстрация к книге — Внешняя разведка СССР – России. 1946–2020 годы. История, структура и кадры [i_032.jpg]](img/book_covers/098/98678/i_032.jpg)
![Иллюстрация к книге — Внешняя разведка СССР – России. 1946–2020 годы. История, структура и кадры [i_033.jpg] Иллюстрация к книге — Внешняя разведка СССР – России. 1946–2020 годы. История, структура и кадры [i_033.jpg]](img/book_covers/098/98678/i_033.jpg)