Книга Эгоистичная митохондрия. Как сохранить здоровье и отодвинуть старость, страница 8 – Ли Ноу

Авторы: А Б В Г Д Е Ж З И Й К Л М Н О П Р С Т У Ф Х Ч Ш Ы Э Ю Я
Книги: А Б В Г Д Е Ж З И Й К Л М Н О П Р С Т У Ф Х Ц Ч Ш Щ Ы Э Ю Я
Бесплатная онлайн библиотека LoveRead.ec

Онлайн книга «Эгоистичная митохондрия. Как сохранить здоровье и отодвинуть старость»

📃 Cтраница 8
Иллюстрация к книге — Эгоистичная митохондрия. Как сохранить здоровье и отодвинуть старость [i_004.jpg]

Рис. 1.4. Комплекс I принимает электроны от молекулы НАДН и передает их с помощью железосерных кластеров (Fe-S) коферменту Q10 (Q). В результате четыре протона (H) выкачиваются из матрикса в межмембранное пространство


Именно здесь протекает цикл Q, многоступенчатый процесс, благодаря которому убихинол (кофермент Q восстановленный) трансформируется в убихинон (окисленный CoQ10). Сеть из четырех протонов выкачивается соответствующим насосом и вносит свой вклад в протонный градиент.

Это второй основной участок в ЭТЦ, где электроны могут выпасть из общей цепи и вместе с кислородом сформировать свободные радикалы в форме супероксида.

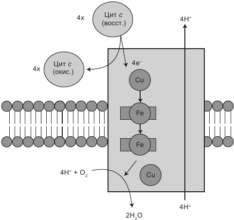
Комплекс IV: создатель воды

Комплекс IV, или цитохром с-оксидаза, состоит из 13 белковых субъединиц. Он обеспечивает отъем четырех электронов у четырех молекул цитохрома с (Cyt c) и передачу их молекулам кислорода (О2), что приводит к синтезу двух молекул воды. В результате два протона выкачиваются через мембрану, участвуя в создании протонного градиента.

Иллюстрация к книге — Эгоистичная митохондрия. Как сохранить здоровье и отодвинуть старость [i_005.jpg]

Рис. 1.5. Комплекс II также является частью цикла Кребса, в котором синтезируется ФАДН2. Затем электроны ФАДН2 с помощью железосерных кластеров (Fe-S) передаются коферменту Q10 (Q). Это — единственный комплекс, который не выкачивает протоны


О ТОМ, КАК ВЕРБЛЮДЫ ОБХОДЯТСЯ БЕЗ ВОДЫ В ПУСТЫНЕ

Настало время развеять миф о верблюдах, которые якобы носят запасы воды в своих горбах. На самом деле их горбы являются залежами жира, который не только служит источником большого количества энергии, но и, расщепляясь в ходе окислительного фосфорилирования, превращается в воду под воздействием комплекса IV (приблизительно 1 грамм или миллилитр воды на каждый грамм сжигаемого жира). Отчасти поэтому (есть у них и другие адаптационные механизмы) верблюды могут столь долгое время обходиться без воды.

Иллюстрация к книге — Эгоистичная митохондрия. Как сохранить здоровье и отодвинуть старость [i_006.jpg]

Рис. 1.6. Комплекс III принимает электроны восстановленного кофермента Q10 (QH2) в ходе многоступенчатого процесса под названием Q-цикл. Электроны перемещаются к цитохрому с (Cyt c), после чего четыре протона (H) выкачиваются в межмембранное пространство


ОТРАВЛЕНИЕ ЦИАНИДОМ И СУИЦИД

Цианистый калий — широко известный яд (он использовался при массовом самоубийстве в Джонстауне, Гайана, а также часто выдается военным на случай неизбежного пленения), который убивает за счет остановки ЭТЦ. Цианид-ионы блокируют комплекс IV (цитохромоксидазу), связываясь с железом, входящим в состав данного фермента, чем препятствуют переносу электронов между цитохром сцитохром с-оксидазой и кислородом и прерывают этот жизненно важный процесс. Сегодня наиболее эффективным противоядием против цианистого калия является гидроксокобаламин (форма витамина В12), который вступает в реакцию с цианидом и образует цианилкобаламин (форма витамина B12, присутствующая в большинстве питательных веществ и легко выводимая из организма почками).

Иллюстрация к книге — Эгоистичная митохондрия. Как сохранить здоровье и отодвинуть старость [i_007.jpg]

Рис. 1.7. Комплекс IV принимает электроны от цитохрома с (Cyt c), выкачивает четыре протона в межмембранное пространство и передает электроны конечному получателю, кислороду (О2), в целях синтеза безопасной субстанции — воды (H2O)


Суперкомплексы: оптимизация скорости потока электронов

То, что я рассказал, относится к школьному и вузовскому курсам биологии. В дополнении к четырем комплексам есть еще и АТФ-синтаза (которую некоторые ученые относят к комплексу V). В целом ЭТЦ митохондрий состоит из пяти белковых комплексов, функция которых заключается в синтезе АТФ. Современные биологические исследования выявили несовершенство стандартной теории о свободно плавающих во внутренней мембране митохондрий дискретных ферментах. Научные данные свидетельствуют о том, что митохондриальные ферменты ЭТЦ собраны в более крупные супрамолекулярные структуры, называемые «цельными суперкомплексами». Наличие этих структур резко повышает качество переноса электронов, так как расстояние, которое электрон должен преодолеть между комплексами, сокращается до нескольких нанометров.

Чтобы еще больше запутать ситуацию, отметим, что в научном мире обсуждается не только существование суперкомплексов, но и их возможное разнообразие. Примером является суперкомплекс респирасома, в который входят комплексы I, III и IV. Есть суперкомплексы, в которые входят только комплексы I и III или комплексы III и IV. Такие сочетания комплексов обусловливают доступность пула CoQ10 и цитохрома с для этих суперкомплексов.

Есть доказательства того, что некоторые расстройства здоровья связаны с диссоциацией компонентов этих суперкомплексов. Я намеренно не буду указывать на конкретные заболевания, потому что вопрос еще недостаточно изучен, и упоминаю о данных исследованиях, чтобы показать: наши знания в этой области постоянно эволюционируют и расширяются.

АТФ-синтаза: соединение ЭТЦ и окислительного фосфорилирования

АТФ-синтаза (аденозинтрифосфатаза, или комплекс V) — важный фермент, являющийся финальной ступенью в длинной цепи событий, кульминацией которых становится синтез АТФ.

Именно этот фермент соединяет протонный градиент (возникающий в результате функционирования ЭТЦ и восстановления кислорода до воды) с фосфорилированием — процессом добавления фосфатов к аденозиндифосфату (АДФ), который превращается в аденозинтрифосфат (АТФ). Все это называется окислительным фосфорилированием.

АТФ-синтаза, будучи крупным ферментом, представляет собой мельчайшую из известных нам машин. В интернете можно найти несколько удачных анимированных иллюстраций ее работы, и я советую вам не пожалеть времени и посмотреть их. Фактически АТФ-синтаза — это роторный двигатель, состоящий из множества крошечных белковых деталей. АТФ-синтаза состоит из двух основных компонентов — главного вала, который пронизывает мембрану насквозь, и прикрепленной к нему вращающейся головки, которая в электронный микроскоп напоминает шляпку гриба. Давление протонов, скопившихся снаружи от мембраны, проталкивает их через вал и вращает головку; три протона, проходящие через вал, проворачивают головку примерно на 120 градусов, так что она совершает полный оборот за три щелчка. На головке находятся три участка связывания, и именно на них происходит сборка АТФ. С каждым поворотом головки образующееся напряжение создает или разрывает химические связи. Первый участок связывает АДФ; при следующем повороте головки к АДФ присоединяется фосфат и образуется АТФ; третий поворот высвобождает АТФ. У людей для каждого полного оборота головки нужны девять протонов, при этом образуются три молекулы АТФ.

Вход
Поиск по сайту
Ищем:
Календарь