Книга Электроника для начинающих, страница 57 – Паоло Аливерти

Авторы: А Б В Г Д Е Ж З И Й К Л М Н О П Р С Т У Ф Х Ч Ш Ы Э Ю Я
Книги: А Б В Г Д Е Ж З И Й К Л М Н О П Р С Т У Ф Х Ц Ч Ш Щ Ы Э Ю Я
Бесплатная онлайн библиотека LoveRead.ec

Онлайн книга «Электроника для начинающих»

📃 Cтраница 57
Работа с различными логическими уровнями

Как мы можем соединить акселерометр или устройство чтения карт памяти SD, работающий на 3,3В, с «Ардуино» или другими микросхемами на 5 В? К счастью, большинство цифровых линий работают в одном направлении: выходы всегда остаются выходами вне зависимости от входов. Инженеры придумали различные решения. Самая простая ситуация, которая работает тогда, когда мы должны перейти от 5 до 3,3 В, это использовать делитель напряжения.

Иллюстрация к книге — Электроника для начинающих [i_302.jpg]

Рис. 8.31. Соединение микросхемы с выводами на 5 В с устройством на 3,3 В при помощи делителя напряжения


Если выходной контакт микроконтроллера находится в высоком уровне, то делитель будет делить 5 В, таким образом снизив значение до 3,3 В. С 5 В мы можем использовать сопротивление на 3,3 кОм и на 6,5 кОм. Общее сопротивление делителя составляет около 10 кОм, а ток составляет 0,5 мА. Когда выходной контакт находится в высоком уровне, на сопротивлении 6,5 кОм мы будем иметь около 3,3 В. Когда выходной контакт находится в низком уровне, то есть при 0 В, ток не будет протекать: также на делителе будет 0 В. Другая проблема делителей – это то, что на их поведение могут повлиять подключаемые нами устройства, отчего могут возникнуть нежелательные поведения.

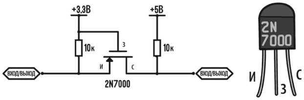
Очень оригинальным решением является введение в действие МОП-транзистора, такого как 2N7000. Подключив его, как показано на следующей схеме, мы будем иметь двунаправленный интерфейс, который может быть подключен между схемой на 5 В и схемой на 3,3 В. Эта схема является творением Хермана Шютта из Philips Semiconductors Systems Laboratory Eindhoven (https://www.nxp.com/docs/en/application-note/AN10441.pdf).

Иллюстрация к книге — Электроника для начинающих [i_303.jpg]

Рис. 8.32. Двунаправленный интерфейс на 5 В и 3,3 В с МОП-транзистором 2N7000


Если мы подадим на вход слева 3,3 В, он будет в высоком уровне (1), Uзи равно 0, МОП-транзистор выключен, его как будто не существует: на правой стороне мы видим 5 В через резистор R2. Если на стороне на 3,3 В мы имеем низкий уровень, МОП-транзистор «включен», и правая сторона видит 0 В, приложенных к левой стороне.

Когда мы подаем низкий уровень к стороне на 5 В, то МОП-транзистор «включится», и также на левой стороне мы имеем 0 В. При подаче «1» исток МОП-транзистора, то есть его левая сторона, поднимется до 3,3 В, и транзистор выключится.

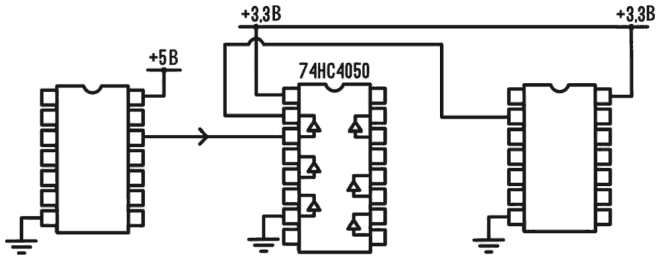
Если имеется множество линий, которые требуют согласования уровней, вероятно, лучше всего использовать чип, способный обрабатывать несколько сигналов. Две широко используемые микросхемы – это 74НС245 и 74НС4050.

Микросхема 74НС4050 является переключателем уровней. Мы можем питать ее максимальным напряжением в 7 В, но ее входы могут выдержать напряжение до 15 В. Входы не являются двунаправленными! Поэтому мы можем использовать их для подключения «Ардуино», которая работает на 5 В, и SD-карты на 3,3 В, подав на микросхему напряжение 3,3 В. Если вход одного из его буферов достигает 5 В, выходной сигнал будет равен 3,3 В.

Иллюстрация к книге — Электроника для начинающих [i_304.jpg]

Рис. 8.33. Электрическая схема использования микросхемы 74НС4050. Микросхема питается от напряжения 3,3 В, на входе получает сигналы на 5 В, которые уменьшаются до 3,3 В

Глава 9
Микроконтроллеры

За несколько лет количество процессоров превысило население планеты: это бесшумное вторжение. Микроконтроллеры используются повсюду: небольшие компьютеры, способные запускать программы и взаимодействовать с аппаратными средствами. Когда-то было очень трудно их программировать, но сегодня достаточно USB-кабеля для запуска программного обеспечения на небольшой микросхеме размером с монету.

Компьютеры теперь стали обычным явлением в обиходе, и принцип их работы, в широком смысле, известен почти всем. Внутри компьютера находятся центральный процессор (ЦП), память и диски. Для взаимодействия с этими устройствами мы используем мышь, клавиатуру и дисплей. Современные компьютеры загружают главную программу, называемую операционной системой, которая предоставляет основные функции и позволяет работать другим программам. Компьютеры могут быть изменены путем добавления оперативной памяти, новых дисков, а также путем изменения отдельных карт, которые находятся внутри них. Микроконтроллер (MCU) представляет собой небольшой компьютер, заключенный в микросхему. Он имеет центральный процессор, оперативную память и другие типы памяти, используемые в качестве диска. Для взаимодействия с внешним миром используется разъем для передачи электрических сигналов. Процессор микроконтроллера, очевидно, гораздо проще и медленнее, чем у настольного компьютера. Для большинства микроконтроллеров скорость передачи информации варьируетсяв мегагерцах, в то время как для компьютеров она достигает гигагерц. Микросхема платы «Ардуино», ATmega328, является микроконтроллером, который работает на 16 МГц.

Память в настольных и портативных компьютерах в последние годы имеет размеры в несколько гигабайт. Размер памяти микроконтроллера измеряется в килобайтах, много лет назад немногие из нас могли похвастаться компьютером с целыми 64 килобайтами. В микроконтроллерах находятся 3 вида памяти.


• Оперативная память – имеет размер в несколько килобайт и используется для хранения временной информации, которая теряется, когда микросхема отключена от питания.

• Флеш-память – имеет размеры от нескольких байт до нескольких мегабайт; она используется в качестве диска, на котором хранятся программы, которые процессор будет считывать. Она, как правило, может быть использована только для чтения, так как может быть записана только на этапе программирования.

• EEPROM – ее размеры оставляют от нескольких байт до нескольких килобайт, она может хранить данные в течение длительного времени, даже если микросхема выключена.


Микроконтроллеры являются «медленными» устройствами, но тем не менее широко используются, потому что потребляют мало энергии и стоят очень недорого. Сегодня вычислительные устройства повсеместно распространены, они запускают программы в наших часах, в телефонах, автомобилях, домах, технике и т. д. Большинство электронных устройств содержат не только простые карты с несколькими транзисторами, но и микроконтроллеры, которые обрабатывают данные и программное обеспечение.

Архитектура

Архитектура микропроцессоров описывает внутреннюю организацию чипа, то есть находящиеся в нем элементы, такие как память, регистры и другие доступные ресурсы, а также их связь друг с другом. Много лет назад микропроцессоры и микроконтроллеры программировались только в машинных кодах, описывая действия байт за байтом, которые соответствовали элементарным операциям, таким как чтение данных из памяти и копирование их в регистр. Чтобы произвести деление двух чисел, например, приходилось писать программу из десяти строк. По этой причине инженеры началисоздавать все более и более сложные инструкции, чтобы сделать жизнь программистов проще.

Вход
Поиск по сайту
Ищем:
Календарь