Книга Электроника для начинающих, страница 53 – Паоло Аливерти

Авторы: А Б В Г Д Е Ж З И Й К Л М Н О П Р С Т У Ф Х Ч Ш Ы Э Ю Я
Книги: А Б В Г Д Е Ж З И Й К Л М Н О П Р С Т У Ф Х Ц Ч Ш Щ Ы Э Ю Я
Бесплатная онлайн библиотека LoveRead.ec

Онлайн книга «Электроника для начинающих»

📃 Cтраница 53

Таблица 8.8. Таблица истинности декодера 74LS147

Иллюстрация к книге — Электроника для начинающих [i_283.jpg]

Если бы понадобилось большее количество входов, нам пришлось бы искать такой компонент на сайте какого-нибудь интернет-магазина. Можно найти чипы с шестнадцатью входными линиями, которые затем преобразуются в четыре выходных бита.

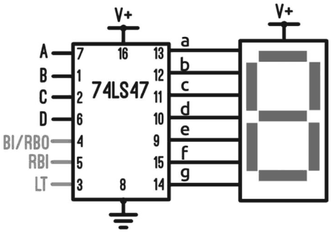
Особый тип кодера используется для управления дисплеем из семи сегментов: они имеют четыре входных линий и семь линий вывода, которые подключаются к семи сегментам дисплея. Микросхема формирует сигналы, необходимые для включения числа, соответствующего битам на входе. Если на входе установить «ООП», на дисплее с семью сегментами мы прочитаем число «3». Чипом такого типа является, например, 74LS47, который подключается напрямую к светодиодному дисплею с помощью сопротивлений на 330 Ом.

Иллюстрация к книге — Электроника для начинающих [i_284.jpg]

Рис. 8.16. Электрическая схема подключения 74LS47 к дисплею с семью сегментами


Эти схемы могут быть использованы только в одном направлении: будет невозможным подать сигналы на выходы и надеяться, что они дойдут до входов. Помните: цифровые микросхемы всегда работают «в одну сторону»!

Логические переключатели, мультиплексоры и демультиплексоры

В первых главах мы уже видели, как работает поворотный переключатель: он имеет вал, который можно вращать, соединяя центральный разъемс серией контактов, расположенных по окружности. Сигнал, который поступает на центральный разъем, может быть отведен к одному из выходных контактов. Мы можем совершать ту же операцию с цифровыми интегральными схемами: с помощью некоторых выбранных разъемов решаем, как сортировать сигналы. Мультиплексор, или MUX, имеет множество цифровых входов, которые могут быть подключены к выходной линии. Демультиплексор, или DEMUX, принимает сигнал на входе, который может быть направлен к одному из доступных выходов.

Интегральная схема 74НС151 (или 74LS151) представляет собой мультиплексор с 8 входами, 1 выходом и 3 выводами для выбора входного канала.

Иллюстрация к книге — Электроника для начинающих [i_285.jpg]

Рис. 8.17. Символ микросхемы 74НС151 с таблицей состояний


Интегральная схема 74НС138 (или 74LS138) представляет собой демультиплексор с 1 входом, 8 выходами и 3 выводами для выбора линейного выхода.

Мультиплексор и демультиплексор не могут быть использованы в двух направлениях. Очень полезный чип, являющийся исключением из этого правила, это чип 4066В, который содержит 4 контакта с цифровым управлением. Эти контакты являются настоящими переключателями, которые могут бытьиспользованы для управления аналоговыми сигналами. Выводы его выключателей не имеют полярности и могут быть использованы в одном или другом направлении. Каждый выключатель управляется с помощью цифрового сигнала: «О» для открытия контакта и «1» для закрытия.

Иллюстрация к книге — Электроника для начинающих [i_286.jpg]

Рис. 8.18. Символ микросхемы 74НС138 с таблицей состояний

Иллюстрация к книге — Электроника для начинающих [i_287.jpg]

Рис. 8.19. Цоколевка чипа 4066В

Схемы последовательного действия

Существует тип цифровых схем, которые для работы требуют синхронизирующий сигнал, также называемый тактовым. Информация в этих системах обрабатывается в точные моменты, отмеченные по тактам; по этой причинеони называются последовательными. Если в схемах последовательного действия подать сигнал на вход, мы увидим изменение выходного сигнала только после одного или более тактовых импульсов. Этот тип схем позволяет хранить информацию в течение долгого времени.

Тактовые генераторы

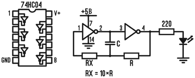
Тактовый сигнал является одним из наиболее важных сигналов для схем последовательного действия, так как он служит для синхронизации всех операций. Этот сигнал имеет прямоугольную форму и может иметь частоту в несколько сотен кило- или мегагерц. Как мы можем генерировать тактовый сигнал? Самый простой способ состоит в использовании логических вентилей. Объединив два вентиля НЕ с двумя резисторами и одним конденсатором, мы можем построить генератор прямоугольных импульсов. Этот тип генератора называется «нестабильным», потому что он не имеет состояния покоя, но проходит непрерывно от одного состояния к другому… создавая прямоугольный сигнал.

Иллюстрация к книге — Электроника для начинающих [i_288.jpg]

Рис. 8.20. Электрическая схема тактового генератора, включающего два вентиля НЕ микросхемы 74НС04


Теоретическая схема требует только резистор R и конденсатор С. Вентили НЕ соединены последовательно, так что выход одного соединен с входом второго. Выход второго вентиля соединяется с сопротивлением и конденсатором и снова соединяется с входом первого вентиля.

Представим ситуацию, в которой вход первого вентиля находится в низком уровне (0). На входе второго вентиля мы имеем высокий уровень (1), и, следовательно, выход второго вентиля будет в низком уровне (0). Таким образом, конденсатор С заряжается, и напряжение, которое поступает на вход первого вентиля НЕ, медленно поднимается, до тех пор, пока не достигнет порогового значения, которое вентиль НЕ распознает как высокий уровень. Уровни поменяются местами, и на вход второго вентиля будет поступать низкий уровень (0). Таким образом конденсатор С разряжается, поэтому напряжение постепенно снижается до тех пор, пока вентили не перейдут в их исходное положение. Процесс повторяется, и на выходе второго вентиля НЕ можно получить прямоугольный сигнал. В реальной схеме мы должны добавить резистор между конденсатором и входом первого вентиля НЕ. Это сопротивление обычно имеет значение, равное десяти сопротивлениям R, и служит для предотвращения повреждений вентиля.

Частоту колебаний можно получить, выполнив ряд непростых вычислений, которые приводят к следующей формуле:


Иллюстрация к книге — Электроника для начинающих [i_289.jpg]

Тактовые частоты очень высоки, но мы можем замедлить наш генератор, заставив светодиод мигать. Используем резистор на 100 кОм и конденсатор на 10 мкФ. Частота будет составлять около 0,72 Гц. Эта схема будет зависеть от условий окружающей среды, поскольку использует компоненты, значения которых в значительной степени зависит от температуры. Даже при изменении напряжения питания частота может изменяться.

Вход
Поиск по сайту
Ищем:
Календарь