Онлайн книга «Код. Тайный язык информатики»
|
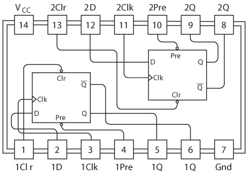
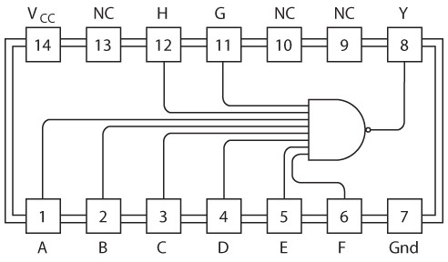
Значения напряжения на выходе вентиля ТТЛ 0,2 вольта (логический ноль) и 3,4 вольта (логическая единица) находятся в допустимых пределах — от 0 до 0,8 для логического нуля и от двух до пяти вольт для логической единицы. Таким образом микросхемы ТТЛ изолируются от шумов. Единичный выходной сигнал может уменьшиться примерно на 1,4 вольта, но по-прежнему останется достаточно высоким, чтобы его можно было квалифицировать в качестве входного единичного сигнала. Нулевой выходной сигнал может увеличиться на 0,6 вольта, но останется достаточно низким, чтобы категоризировать входной нулевой сигнал. Вероятно, самым важным параметром конкретной интегральной схемы является время установки. Это время, необходимое для того, чтобы изменение входного сигнала привело к изменению выходного. Время установки микросхем обычно измеряется в наносекундах. Наносекунда — очень короткий промежуток времени. Одна тысячная часть секунды — это миллисекунда. Миллионная часть секунды — микросекунда. Наносекунда — это одна миллиардная часть секунды. Время установки для вентилей И-НЕ в микросхеме 7400 гарантированно составляет менее 22 наносекунд. Это 0,000000022 секунды, или 22 миллиардные доли секунды. Если вам сложно представить такой маленький промежуток времени, вы не одиноки. Мы можем охватить его лишь мыслью. Наносекунды намного короче всего, что доступно человеческому опыту, поэтому они навсегда останутся за пределами нашего понимания. Каждое объяснение лишь делает наносекунду более непостижимой. Например, я могу сказать, что если вы держите эту книгу на расстоянии 30 сантиметров от лица, то наносекунда — это время, за которое свет преодолевает расстояние от страницы до вашего глаза. Однако стали ли вы от этого лучше понимать, что такое наносекунда? Тем не менее именно благодаря таким коротким промежуткам времени, как наносекунда, возможно существование компьютеров. Как вы видели в главе 17, компьютерный процессор выполняет очень простые действия: перемещает байт из памяти в регистр, складывает с другим байтом и возвращает результат обратно в память. Единственная причина, по которой результат работы компьютера — нечто существенное (в данном случае речь идет о реальном компьютере, а не о том, который описывался в главе 17), заключается в том, что эти операции происходят очень быстро. Как сказал Роберт Нойс: «Если примириться с понятием наносекунды, то компьютерные операции концептуально довольно просты». Давайте продолжим изучение справочника по микросхемам ТТЛ. В этой книге вы увидите много уже знакомых компонентов. Микросхема 7402 содержит четыре двухвходовых вентиля ИЛИ-НЕ, микросхема 7404 — шесть инверторов, микросхема 7408 — четыре двухвходовых вентиля И, микросхема 7432 — четыре двухвходовых вентиля ИЛИ, а микросхема 7430 — восьмивходовый вентиль И-НЕ. ![]() Аббревиатура NC означает no connection — «не подключено». Микросхема 7474 тоже может показаться знакомой. Это сдвоенный D-триггер со сбросом и предустановкой, срабатывающий по фронту, схема которого выглядит следующим образом. ![]() В справочник по микросхемам ТТЛ включена логическая схема для каждого из триггеров. ![]() Эта схема может показаться похожей на схему, приведенную в конце главы 14, за исключением того, что я использовал вентили ИЛИ-НЕ. Приведенная в справочнике по микросхемам ТТЛ таблица логики также немного отличается. ![]() В этой таблице H означает высокий (high), а L — низкий (low) уровень сигнала. Если хотите, можете считать эти обозначения единицей и нулем. В моем триггере входы «Сброс» и «Установка» обычно равны 0; в данном случае они обычно равны 1. Далее в справочнике по микросхемам ТТЛ вы обнаружите, что микросхема 7483 — это 4-битный двоичный полный сумматор, микросхема 74151 — селектор с восемью входами и одним выходом, 74154 — дешифратор с четырьмя входами и 16 выходами, 74161 — синхронный 4-разрядный двоичный счетчик, 74175 — счетверенный D-триггер со сбросом. Вы можете использовать две из перечисленных микросхем для создания 8-битной защелки. Итак, теперь вы знаете, откуда взялись различные компоненты, которые я использовал в главе 11, — из справочника по микросхемам ТТЛ. Будучи инженером-разработчиком цифровых ИС, вы потратили бы множество часов на чтение справочника по микросхемам ТТЛ и изучение существующих чипов. Освоив инструменты, вы могли бы собрать из микросхем ТТЛ компьютер, описанный в главе 17. Соединить между собой микросхемы намного проще, чем отдельные транзисторы. Однако вы вряд ли бы захотели использовать схемы ТТЛ для создания массива RAM объемом 64 килобайт. Объем самого емкого чипа RAM, описанного в справочнике The TTL Data Book for Design Engineers 1973 года, составлял всего 256 × 1 бит. Для создания массива RAM объемом 64 килобайт вам понадобилось бы 2048 таких чипов! Микросхемы ТТЛ никогда не были оптимальной технологией для создания памяти. К этой теме я вернусь в главе 21. Вероятно, вы решите использовать осциллятор. Несмотря на возможность подключения выхода ТТЛ-инвертора к его же входу, лучше иметь осциллятор с более предсказуемой частотой. Такой осциллятор можно легко собрать, используя кристалл кварца, который помещается в небольшой плоский цилиндрический корпус с двумя выводами. Эти кристаллы вибрируют с определенной частотой, которая обычно составляет по меньшей мере миллион циклов в секунду. Миллион циклов в секунду соответствует частоте один мегагерц. Если бы компьютер, описанный в главе 17, был собран из микросхем ТТЛ, он бы нормально работал с тактовой частотой десять мегагерц. На выполнение каждой инструкции уходило бы 400 наносекунд. Это, безусловно, многократно превышает скорость работы релейных устройств. Другим популярным семейством чипов является КМОП (комплементарная структура металл — оксид — полупроводник), или CMOS (complementary metal-oxide-semiconductor). Если бы в середине 1970-х в свое свободное время вы собирали схемы из чипов КМОП, то в качестве справочника могли бы использовать книгу CMOS Databook, опубликованную компанией National Semiconductor. Эта книга содержит информацию о микросхемах КМОП серии 4000. Потребляемая мощность микросхем ТТЛ — от 4,75 до 5,25 вольта, для микросхем КМОП — от 3 до 18 вольт. Довольно большой диапазон! Кроме того, микросхемы КМОП потребляют гораздо меньше энергии по сравнению с ТТЛ-чипами, что делает возможным создание на их основе небольших устройств, работающих от батареек. Недостаток микросхемы КМОП — низкая скорость работы. Например, гарантированное время установки 4-битного полного сумматора КМОП 4008, работающего от напряжения 5 вольт, — 750 наносекунд. Скорость увеличивается по мере роста напряжения и составляет 250 наносекунд при десяти вольтах и 190 наносекунд — при 15 вольтах. Однако по этому показателю устройство на основе микросхем КМОП сильно отстает от 4-битного ТТЛ-сумматора, время установки которого 24 наносекунды. (Двадцать пять лет назад компромисс между скоростью микросхемы ТТЛ и низким энергопотреблением микросхемы КМОП был довольно явным. Сегодня существуют версии ТТЛ-чипов с малым энергопотреблением и высокоскоростные версии микросхем КМОП.) |
![Иллюстрация к книге — Код. Тайный язык информатики [i_403.jpg] Иллюстрация к книге — Код. Тайный язык информатики [i_403.jpg]](img/book_covers/084/84993/i_403.jpg)
![Иллюстрация к книге — Код. Тайный язык информатики [i_404.jpg] Иллюстрация к книге — Код. Тайный язык информатики [i_404.jpg]](img/book_covers/084/84993/i_404.jpg)
![Иллюстрация к книге — Код. Тайный язык информатики [i_405.jpg] Иллюстрация к книге — Код. Тайный язык информатики [i_405.jpg]](img/book_covers/084/84993/i_405.jpg)
![Иллюстрация к книге — Код. Тайный язык информатики [i_406.jpg] Иллюстрация к книге — Код. Тайный язык информатики [i_406.jpg]](img/book_covers/084/84993/i_406.jpg)