Онлайн книга «Русские бронетранспортеры»
|
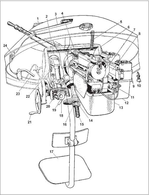
Масса башни с пулеметами, прицелом и сиденьем — 400 кг. Установка башни повлекла за собой изменения в крыше и бортах корпуса, а также в компоновке десантного отделения. Крыша корпуса БТР-60ПБ состоит из сваренного из четырех частей подбашенного листа, среднего и заднего съемных листов. В подбашенном листе расположены два посадочных люка для экипажа и один для десанта (за башней справа), вырез под погон башни, гнездо прибора наблюдения командира ТПКУ-2Б (в это же гнездо может устанавливаться ночной прибор ТКН-1С с прожектором ОУ-ЗГА-2), гнездо основания антенны радиостанции Р-123, гнездо прибора наблюдения десанта МК-4Н (за башней слева). На среднем съемном листе крыши расположены второй посадочный люк для десанта (слева) и бронезащита входного патрубка нагнетателя-сеапаратора (справа). В верхних наклонных бортовых листах корпуса расположены люки запасного выхода десанта и экипажа. Люки расположены несимметрично: по правому борту — на уровне второго колеса, по левому — между вторым и третьим колесами. Симметрично люку левого борта, на правом установлен прибор наблюдения десанта ТПН-Б. На каждом борту имеются по три лючка для ведения десантом стрельбы из личного оружия. ![]() Крыша десантного отделения БТР-60ПБ (вид в корму). За крышкой переднего посадочного люка десанта виден «грибок» бронезащиты входного патрубка нагнетателя-сепаратора, за ним — антенный ввод. Перед крышкой заднего посадочного люка десанта установлен прибор наблюдения МК-4Н. ![]() Вид на корму броне транспортера. Заслонки водомета открыты. В БТР-60ПБ изменена схема размещения десанта, сократившегося до 8 человек. Десантники располагаются на двух одноместных сиденьях перед башней, установленных за сиденьями механика-водителя и командира, и двух поперечных трехместных сиденьях за башней. По сравнению с БТР-60ПА существенно увеличилось количество приборов наблюдения у командира и механика-водителя. Помимо уже упомянутого прибора ТПКУ-2Б, на рабочем месте командира установлены два прибора ТНП-Б по обе стороны от прибора ТПКУ-2Б, прибор ТНП-Б в переднем боковом наклонном лобовом листе корпуса и прибор ТНП-Б в передней части правого борта. Для наблюдения из бронетранспортера при закрытом люке водителя в местах стыков вертикальных лобовых листов и крыши корпуса установлены три прибора ТНП-Б, а в боковом лобовом наклонном листе и в передней части левого борта корпуса — по одному прибору ТНП-Б. Вместо центрального прибора ТНП-Б механика-водителя может быть установлен прибор ночного видения ТВН-2Б. Фары инфракрасного света установлены на наклонных лобовых листах корпуса бронетранспортера. ![]() Башенная установка: 1 — прибор наблюдения ТНПТ-1; 2 — защитное стекло прицела; 3 — планка стопора люльки по-походному; 4 — штифт; 5 — уравновешивающее устройство; 6 — уплотнение маски; 7 — пулемет КПВТ; 8 — пулемет ПКТ; 9 — защелка коробкодержателя; 10 — стопор башни по-походному; 11 — регулировочный механизм; 12 — патронная коробка; 13 — гильзозвеньесборник; 14 — кнопка электроспуска ПКТ; 15 — рукоятка маховика поворотного механизма; 16 — кнопка электроспуска КПВТ; 17 — сиденье стрелка; 18 — прицел; 19 — рукоятка тормоза подъемного механизма; 20 — рукоятка перезаряжания; 21 — рукоятка маховика подъемного механизма; 22 — рукоятка стеклоочистителя; 23 — рукоятка тормоза погона; 24 — электрощиток башни. ![]() Опытный образец бронетранспортера БТР-60П3. В положении по-походному волноотражательный щиток прижимался к нижнему лобовому листу корпуса. Над щитком — лючок для выдачи троса лебедки. На базе БТР-60 выпускалось значительное количество машин специального назначения. Это, в первую очередь, БТР-60ПУ — машина управления звена батальон-полк на базе БТР-60П или БТР-60ПА. В ее стандартное оснащение входят радиостанции Р-130, Р-107, Р-123 и радиоприемник Р-311. БТР-60ПУ-12 — подвижной командный пункт подразделений и частей ПВО сухопутных войск, БТР-60ВВС — военно-воздушных сил; полевые телефонные станции БТР-60П-238БТ, БТР-60П-239БТ, БТР-60П-240БТ, БТР-60П-241БТ радиостанции различной мощности и назначения — БТР-60 Р-137Б, БТР-60 Р-140БМ, БТР-60 Р-145, БТР-60 Р-145БМ, БТР-60 Р-156БТР, БТР-60 Р-161Б, БТР-60 Р-409БМ; радиомашины наведения авиации БТР-60 Р-975 и БТР-60 Р-975М1, зарядная станция БТР-60 3-351БР. Все эти машины, как правило, не имели башен и штатного вооружения. Подвижной командный пункт на базе БТР-60ПБ оснащался башней ТКБ-0149, в которой устанавливался пулемет ПКТ и приборы наблюдения. С середины 1970-х годов на вооружении артиллерийских частей состоят машины управления командира батареи 1В18 «Клен-1» и командира дивизиона 1В19 «Клен-2», а также их модернизированные образцы 1В18-1 и 1В19-1. Активно эксплуатировалась в войсках машина технической помощи МТП-2. Бронетранспортеры БТР-60ПБ начали поступать в сухопутные войска в середине 1960-х годов. Несколько позже эти машины пошли на вооружение морской пехоты и пограничных войск. БТР-60ПБ принимали участие в операции по вводу войск стран Варшавского договора в Чехословакию в 1968 году, в советско-китайском пограничном конфликте в районе о. Даманский в 1969 году. В последнем случае новые бронетранспортеры и получили настоящее боевое крещение. Бронетранспортеры БТР-60ПБ состояли на вооружении пограничных застав «Нижне-Михайлова» и «Кулебякины сопки», а также частично на вооружении мотоманевренной группы 57-го погранотряда. Поскольку вооружение БТР-60ПБ было нестабилизированным, то наиболее эффективным был огонь с места. ![]() Бронетранспортер БТР-60ПБ и автомобиль ЗИЛ-131 Национальной народной армии ГДР во время учений, 1970-е годы. ![]() Схема размещения в БТР-60ПБ экипажа и десанта. В частности, 2 марта 1969 года в первый день конфликта начальник заставы «Кулебякины сопки» лейтенант В. Бубенин, сменив два БТР-60ПБ, уничтожил китайский пехотный батальон. «Тогда я принял решение обойти на БТРе вокруг острова и ударить по китайцам с тыла, — вспоминал Бубенин. — Когда я дошел до протоки, то увидел, что с китайского берега на остров перебрасывается пехотная рота солдат. Они с берега прыгают, а тут я выскочил. Я сидел за пулеметами КП ВТ и ПКТ, еще один солдат мог вести огонь из автомата. Мы эту роту там и положили. Я провернул башню, нацелился на берег, а у них там небольшие орудия, типа наших „сорокопяток“. Они ударили по нам почти в упор, с пятидесяти-шестидесяти метров. Один снаряд попал в башню, ее заклинило, другой в борт. БТР задымил, были пробиты все скаты. Мы все без сознания. Хорошо, механик Витя Шамов сумел вывести машину из-под огня. Затем он вытащил нас из подбитого БТРа. Я уже знал, где находятся китайцы. Сел на стрельниковский БТР (БТР-60ПБ с заставы „Нижне-Михайловка“ лейтенанта И. Стрельникова, погибшего в первые секунды конфликта. — Прим. автора) и на нем вышел китайцам во фланг. Открыл огонь. Батальон практически полностью был уничтожен. Двести сорок восемь человек». |
![Иллюстрация к книге — Русские бронетранспортеры [i_067.jpg] Иллюстрация к книге — Русские бронетранспортеры [i_067.jpg]](img/book_covers/082/82004/i_067.jpg)
![Иллюстрация к книге — Русские бронетранспортеры [i_068.jpg] Иллюстрация к книге — Русские бронетранспортеры [i_068.jpg]](img/book_covers/082/82004/i_068.jpg)
![Иллюстрация к книге — Русские бронетранспортеры [i_069.jpg] Иллюстрация к книге — Русские бронетранспортеры [i_069.jpg]](img/book_covers/082/82004/i_069.jpg)
![Иллюстрация к книге — Русские бронетранспортеры [i_070.jpg] Иллюстрация к книге — Русские бронетранспортеры [i_070.jpg]](img/book_covers/082/82004/i_070.jpg)
![Иллюстрация к книге — Русские бронетранспортеры [i_071.jpg] Иллюстрация к книге — Русские бронетранспортеры [i_071.jpg]](img/book_covers/082/82004/i_071.jpg)
![Иллюстрация к книге — Русские бронетранспортеры [i_072.jpg] Иллюстрация к книге — Русские бронетранспортеры [i_072.jpg]](img/book_covers/082/82004/i_072.jpg)