Книга Как построить машину. Автобиография величайшего конструктора «Формулы-1», страница 20 – Эдриан Ньюи

Авторы: А Б В Г Д Е Ж З И Й К Л М Н О П Р С Т У Ф Х Ч Ш Ы Э Ю Я
Книги: А Б В Г Д Е Ж З И Й К Л М Н О П Р С Т У Ф Х Ц Ч Ш Щ Ы Э Ю Я
Бесплатная онлайн библиотека LoveRead.ec

Онлайн книга «Как построить машину. Автобиография величайшего конструктора «Формулы-1»»

📃 Cтраница 20

«Это здорово! И что вы думаете о происходящем?»

«Ну, это самое охренительное событие во всей Америке».

«А что вы думаете о машинах?»

Он сделал паузу, подумал. «Знаете, – сказал он. – Это самое охренительное – за двадцать лет я еще ни одной не видел».

Он приезжал сюда только потусить.

Гоночный день был чем-то особенным. Мы должны были встать пораньше, чтобы миновать пробки в четверть миллиона человек, которые тоже стремились на трассу. Входы с обеих сторон автодрома открылись в семь утра, со всех сторон потянулись люди, машины не могли разъехаться. Настоящее столпотворение.

Все занимали места. Помню, менеджер нашей команды Стив Хорн споткнулся на пит-лейне и упал лицом на асфальт, заработав овации трибун. Это было напоминанием о том, как много внимания к нам приковано. И, конечно, будучи одним из самых больших спортивных событий в мире, «Инди-500» отличается фирменным американским размахом и церемониальностью. В небе летят самолеты, по трассе идут девушки из группы поддержки и «Знамя, усыпанное звездами».

В тот год казалось, что March 85С немного быстрее, чем Lola, которая была его ближайшим соперником.

По мере развития гонки плотную борьбу за победу повели две машины. Марио Андретти на Lola лидировал, но Дэнни Салливан на March команды Penske имел преимущество в скорости.

Дэнни выбрался на вторую позицию и висел на хвосте у Марио, но никак не мог провести обгон. Наконец он попытался пройти по внутреннему радиусу, но старый лис Марио стал сдаваться.

Апрон овала – это плоская часть трассы, отделяющая внутреннюю обочину от находящегося под углом гоночного полотна. Если неудачно зацепить эту зону, машина может потерять баланс и выйти из-под контроля. Марио выдавил Дэнни прямо туда, что было грубо, но в рамках правил. Дэнни умудрился удержать машину и пройти Марио по апрону, но, вернувшись на траекторию, автомобиль оказался разбалансирован и его развернуло. Марио успел затормозить и избежать столкновения, и наверняка улыбался, проезжая мимо Дэнни, крутившегося в облаке дыма.

Но Дэнни справился. Автомобиль ничего не задел и после разворота стоял в правильном направлении. Двигатель заглох, но Дэнни включил передачу, мотор завелся, и пилот смог продолжить. Позже он скажет, что это было наполовину мастерство, а наполовину – «везение».

Стюарды вывесили желтые флаги, на трассу выехал автомобиль безопасности. Шины Дэнни были разрушены, на них образовались проплешины. «Меня развернуло, развернуло!» – кричал он по радио. Оба гонщика заехали на пит-лейн за новыми шинами и вернулись на трассу. Положение в гонке изменилось, но вскоре все вернулось на круги своя: Марио лидирует, Дэнни – на втором месте. И в этот раз Дэнни удался чистый обгон, и он выиграл гонку.

«Покрути и выиграй» – так это называли. Это был один из самых драматичных моментов в истории IndyCar. Обязательно поищите его на YouTube, когда будет время.

Глава 16

Командой Truesports руководил Стив Хорн, высокий новозеландец, которому нравилось, когда все ходили по струнке. В принципе, в этом нет ничего плохого, но он был крайне авторитарен. Например, после квалификации в Индианаполисе вместо продолжения тестов на неделе перед гонкой – как все обычно и делают, он решил на три дня отправить их обратно на базу в Колумбусе, чтобы работать с ними там. Спорное решение, но еще хуже было то, что мы с Бобби узнали об этом, только когда приехали в понедельник утром на трассу и увидели отъезжающий трейлер!

В то же время Робин Херд договорился о моем переходе в Kraco, еще одному клиенту March. Мне обещали намного большие бюджеты и прибавку к зарплате, а в качестве пилота – Майкла Андретти, талантливого сына Марио. Я должен был уйти туда к сезону 1986 года, оставаясь при этом главным конструктором проекта March в IndyCar. Кроме того, если Truesports базировалась в Колумбусе, штат Огайо, – не самом захватывающем месте, то Kraco находилась в Лос-Анджелесе, что звучало намного привлекательнее.

И вот, после двух лет работы гоночным инженером в Truesports и прекрасных отношений с Бобби, я решил попрощаться и уйти в Kraco.

Я по-прежнему совмещал две должности, но с июля начал регулярно летать в Великобританию между гонками, чтобы начать работу над 86C.

Зная, что я буду отвечать за дизайн автомобиля 1986 года, у меня была возможность тщательнее спланировать график исследований и работы в аэродинамической трубе, чем это было в случае бешеного графика 1985 года. Новое шасси было немного более узким и элегантным, однако самые большие перемены были скрыты в задней части машины. В IndyCar двигатели оснащались турбокомпрессорами, и они были довольно большими. У меня возникла идея повернуть турбину на 90 градусов: теперь она была размещена не поперек автомобиля, а вдоль него. В то же время мы направили выхлопные трубы вперед и за счет этого смогли разделить выхлопные газы на два потока и через изгибающиеся на 180° трубы направить их на заднюю часть диффузора.

Мы начали развивать эту идею в аэродинамической трубе, используя сжатый воздух, и результаты получились многообещающими. Затем я полностью переделал заднюю подвеску, чтобы разместить все компоненты, а это было нелегко, поскольку продольный турбокомпрессор, выхлопные трубы и воздухоотводы стремились занять и одно и то же место – в районе амортизаторов.

Мы перенесли задние амортизаторы, чтобы они были расположены в продольном направлении рядом с коробкой передач и над выходом выхлопной системы. Чтобы помешать инженерам направлять выхлопные газы на диффузор – распространенная практика для Формулы-1 1984 года – в IndyCar технический регламент запрещал создавать отверстия в заднем диффузоре. Однако элементам амортизатора был необходим тепловой щит, который не позволял бы им сгореть под раскаленными выхлопными газами. И я разместил элементы, которые выполняли роль этого щита, так, чтобы они стали своего рода продолжением выхлопной трубы и с помощью «Эффекта Коанда» генерировали прижимную силу. Это было запрещено, если рассматривать эти элементы как часть диффузора, и вполне легально, если считать основной целью защиту механических частей от разрушения. Это расположение создало большую площать низкого давления в задней части главного диффузора, через которую теперь проходило намного больше воздуха. Аэродинамическая труба показывала, что новая модель – мощный шаг вперед.

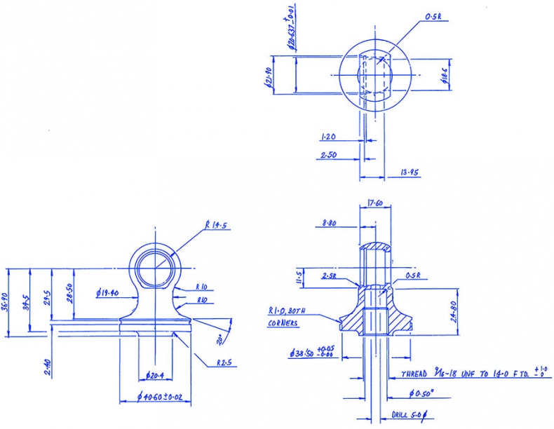
Иллюстрация к книге — Как построить машину. Автобиография величайшего конструктора «Формулы-1» [i_019.jpg]

Рис. 6a. Технический чертеж задней части амортизатора на March 86C


Идеи по поводу выхлопной системы и задней подвески пришли мне в голову над Атлантикой. В самолете мне приходили и другие идеи, но я очень хорошо помню, как чертил в полете дугу безопасности.

Новая дуга была сделана из алюминия вместо традиционной стали, с небольшой титановой вставкой на вершине. Алюминий делал ее легче и эффективнее с точки зрения аэродинамики. Это не нарушало правил, и я считал, что элемент остается достаточно безопасным. Проблема со стальной дугой безопасности в том, что она состоит из четырех труб и нужно распределить нагрузку так, чтобы трубы не повредили само шасси. Это непросто, и было много случаев, когда сама дуга выдерживала аварию, но ее основание пробивало шасси и делало дугу фактически бесполезной.

Реклама
Вход
Поиск по сайту
Ищем:
Календарь