Онлайн книга «Биология добра и зла. Как наука объясняет наши поступки»
|
Нейрон А посылает отростки к нейронам 1, 2 и 3. А нейрон В – к 2, 3 и 4 и т. п. Теперь подумаем – наделив нейроны А, В и С воображаемыми функциями, – как такая схема может работать. Пусть нейрон А возбуждается в ответ на левого человечка, В – на того, что посередине, а С – на правого. Что может выучить нейрон № 1? Как узнавать своего конкретного человечка. Нейрон № 5 столь же узко специализирован. А на что способен нейрон № 3? Он может научиться узнавать, как одевался джентльмен Викторианской эпохи. Это нейрон, который поможет вам опознать викторианца на картинках внизу. ![]() Умение нейрона № 3 неспецифичное, оно получается из перекрывания аксонов первого слоя. Нейроны № 2 и № 4 тоже неспецифичны, но их определения грубее, потому что они получают лишь по два образчика для сравнения. ![]() Так что нейрон № 3 располагается в точке схождения этой нейронной сети. И в самых сложно организованных участках мозга нейронные пути идут примерно так же, как на нашей воображаемой схеме, но только таких путей в тысячи тысяч раз больше. При этом нейрон № 3, вполне вероятно, окажется на периферии какой-нибудь другой схемы (к примеру, той, которую можно нарисовать перпендикулярно странице с викторианскими человечками), а нейрон № 1, напротив, играет, возможно, центральную роль в какой-то своей схеме в четвертом измерении. И так далее. Все нейроны включены в разнообразные нейронные сети. ![]() Что это дает? Способность мыслить ассоциациями, метафорами, аналогиями, иносказаниями, символами. Связывать две несвязанные вещи, даже из разных сенсорных категорий. По-гомеровски соединять цвета моря и вина [543]. У меня, к примеру, из-за этого тесно ассоциированы Стравинский и Пикассо, потому что на обложках альбомов Стравинского (припоминаете?) часто изображается что-нибудь из Пикассо. По той же причине прямоугольный кусок ткани, раскрашенный определенным образом, может олицетворять целый народ или идеологию. И последнее. Мы различаемся по природе и охвату наших ассоциативных сетей. И порой маргинальные их варианты порождают интереснейшие вещи. Например, большинство из нас еще в раннем детстве научились связывать рисунок ниже с концепцией «лицо». ![]() Но затем вступают в игру другие учителя, у которых нейронные сети проецируются шире, собственным чудны́м манером. И они показывают миру, что нечто «лицеобразное» можно увидеть и на фотографии на следующей странице. А если спросить о последствиях подобных нетипично переплетенных сетей, то ответ будет такой – творчество. ![]() Еще на ступеньку выше
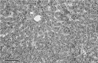
Один нейрон, два нейрона, нейронная сеть. И мы уже готовы сделать последний шаг, подняться на уровень тысяч нейронов. Под микроскопом срез ткани выглядит примерно так, как на картинке ниже. ![]() Это гомогенное поле клеток, организованных более или менее единообразно. В верхнем левом углу картинка выглядит точно так же, как и нижнем левом. То был срез ткани печени. Один срез дает представление о всей печени. Не впечатляет. Неужели ткань мозга столь же однообразна и скучна: такая же недифференцированная клеточная масса, заполняющая все предоставленное пространство, а нейроны рассылают свои отростки по всем возможным направлениям? Нет, у нее степень организованности фантастическая. Другими словами, тела нейронов, занятых связанными функциями, сгруппированы вместе в строго отведенных областях мозга, а их нервные волокна, идущие к другим участкам, объединены в общий проводящий кабель. В целом это означает, что разные участки мозга заняты каждый своим особым делом. И каждый отдел мозга со своим наименованием (обычно многосложным словом на греческом или латыни) подразделяется на подотделы и подподотделы. И каждый сообщается (т. е. посылает аксоны) лишь с конкретным набором подразделений (который эти аксоны получает). ![]() Можно свихнуться, пока выучишь все отделы и связи, и мне, к моему ужасу, встречались нейроанатомы, получавшие от этого удовольствие. Для наших же целей полезны лишь некоторые ключевые установки: а) В любом отделе мозга содержатся миллионы нейронов. Вот некоторые уже знакомые нам наименования: гипоталамус, мозжечок, кора, гиппокамп. б) В некоторых отделах имеются свои компактные подгруппы, которые называются «ядра». (Тут есть некоторая путаница, потому что часть клетки с ДНК тоже называется ядром. Но что поделаешь?) Вот некоторые, вероятно, совсем незнакомые вам наименования: базальное ядро Мейнерта, супраоптическое ядро гипоталамуса и еще ядро с прелестным названием – нижняя олива. в) Как только что было сказано, тела функционально связанных нейронов собраны вместе в своих подотделах – ядрах, а кроме того, они посылают аксоны однонаправленно, в общем кабеле (в т. н. нейронные пути или нейронные тракты). Вот, например, гиппокамп. ![]() г) Напомню, что миелиновые оболочки аксонов ускоряют перемещение вдоль них потенциала действия. Цвет миелина практически белый, поэтому нейронные тракты в мозге выглядят светлыми. Из-за этого их часто называют «белое вещество». |
![Иллюстрация к книге — Биология добра и зла. Как наука объясняет наши поступки [i_078.jpg] Иллюстрация к книге — Биология добра и зла. Как наука объясняет наши поступки [i_078.jpg]](img/book_covers/078/78035/i_078.jpg)
![Иллюстрация к книге — Биология добра и зла. Как наука объясняет наши поступки [i_079.jpg] Иллюстрация к книге — Биология добра и зла. Как наука объясняет наши поступки [i_079.jpg]](img/book_covers/078/78035/i_079.jpg)
![Иллюстрация к книге — Биология добра и зла. Как наука объясняет наши поступки [i_080.jpg] Иллюстрация к книге — Биология добра и зла. Как наука объясняет наши поступки [i_080.jpg]](img/book_covers/078/78035/i_080.jpg)
![Иллюстрация к книге — Биология добра и зла. Как наука объясняет наши поступки [i_081.jpg] Иллюстрация к книге — Биология добра и зла. Как наука объясняет наши поступки [i_081.jpg]](img/book_covers/078/78035/i_081.jpg)
![Иллюстрация к книге — Биология добра и зла. Как наука объясняет наши поступки [i_082.jpg] Иллюстрация к книге — Биология добра и зла. Как наука объясняет наши поступки [i_082.jpg]](img/book_covers/078/78035/i_082.jpg)
![Иллюстрация к книге — Биология добра и зла. Как наука объясняет наши поступки [i_083.jpg] Иллюстрация к книге — Биология добра и зла. Как наука объясняет наши поступки [i_083.jpg]](img/book_covers/078/78035/i_083.jpg)
![Иллюстрация к книге — Биология добра и зла. Как наука объясняет наши поступки [i_084.jpg] Иллюстрация к книге — Биология добра и зла. Как наука объясняет наши поступки [i_084.jpg]](img/book_covers/078/78035/i_084.jpg)
![Иллюстрация к книге — Биология добра и зла. Как наука объясняет наши поступки [i_085.jpg] Иллюстрация к книге — Биология добра и зла. Как наука объясняет наши поступки [i_085.jpg]](img/book_covers/078/78035/i_085.jpg)