Онлайн книга «Линейные корабли типа "Баерн". Последние дредноуты империи кайзера Вильгельма II.»
|
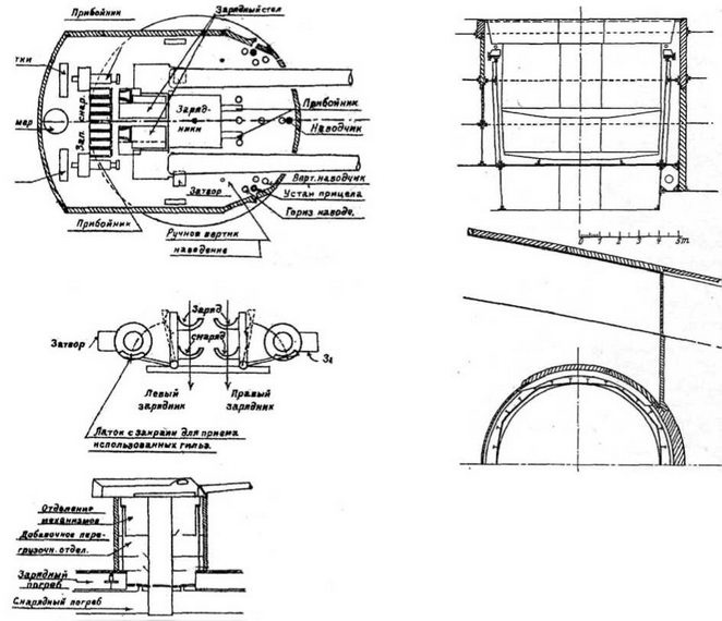
Гидравлическая энергия вырабатывалась двумя трёхплунжерными насосами. Каждыи насос приводился в действие непосредственно сцепленным с ним шунтовым электродвигателем мощностью 150 л.с. Получаемая таким путем энергия использовалась для вертикального наведения орудий, для подачи боезапаса по главным элеваторам, для подачи зарядов, для привода досылателей прибойникового типа и для управления клиновыми затворами орудий. Все эти операции могли выполняться и вручную. Для главных элеваторов боеприпасов имелся вспомогательный электрический привод (сериес-мотор, работавший в качестве генератора при опускании подъемника). Подачная труба разделялась на две части для обслуживания каждого орудия. Снаряд и заряд поднимались из погребов непосредственно в боевое отделение и поступали между орудиями. Посредством цепных прибойников они подавались назад, на каретки, двигавшиеся поперек башни и доставлявшие их к казенным частям орудий. Затем снаряды досылались в орудия телескопическими досылателями прибойникового типа. Затем картуз и гильза с зарядом опускались на лоток, освобожденный снарядом, и весь заряд в один такт досылался в камору орудия. После отхода каретки назад и запирания горизонтально скользящего клинового затвора орудие было готово к выстрелу. После выстрела и открывания затвора выброшенная гильза накрывалась толстой кожаной покрышкой, для предотвращения распространения ядовитых газов. После этого гильза подавалась к специальному порту в полу башни и экстрактировалась наружу. Удаление пороховых газов из ствола орудия обеспечивалось вытяжным электровентилятором. Опорой для башни служил жесткий барабан, изготовленный из 25-мм стальных листов, набранных в два слоя с ребрами жесткости, высотой около 200 мм и толщиной 10 мм и расставленных на расстоянии 980 мм друг от друга. Настил верхней палубы проходил через броню барбетов "А", "В" и "С" и крепился к жесткому барабану, тогда как в башне " D " настил под погоном выводился наружу и крепился к барбетной броне. Жёсткие барабаны устанавливались на средней палубе, и прочной опорой для них служили поперечные и продольные переборки, опиравшиеся на настил двойного дна. Заряды 380-мм снарядов хранились в центральном помещении и непосредственно подавались к подачной трубе. Это помещение не защищалось от огня сверху в момент открытия противопожарных люков у отверстий в подачной трубе, через которые подавались заряды. При использовании бортовых погребов они тоже оказывались открытыми со стороны центрального помещения. Деревянной обшивкой снабжалась только наружная обшивка группы погребов. Охлаждение погребов производилось посредством змеевиков. Щиты для прокладки кабелей в погребах были неогнестойкой конструкции. На переборках монтировались клинкеты. Затопление производилось спринклерной системой от электротурбонасосов. По опыту одно бортовое отделение могло быть затоплено за 12 мин. Заряды, несмотря на их тяжесть, поднимались и переносились вручную, причем применялись весьма эффективные и удобные носилки. Погреба для 380-мм снарядов были просторны и имели свободный доступ к стеллажам. Укладка снарядов производилась поперек корабля. Помещение вокруг подачной трубы, при отсутствии в этом месте барьера огненепроницаемой защиты, почти полностью занимала снарядная платформа. Для подъема и горизонтальной транспортировки снарядов использовались электрические приспособления или же — устройство с ручными приводами. Участки палуб, смежные с помещениями с высокой температурой, и переборки, примыкавшие к угольным ямам, обшивались деревом. Вокруг погребов прокладывались трубы охлаждения. Каждый погреб мог затапливаться забортной водой через спринклерную систему, расположенную над стеллажами и погрузочными лотками. В снарядном погребе предусматривались специальные загрузочные устройства. Снаряды опускались на подачном устройстве с электроприводом. Дойдя до снарядного погреба, это подачное устройство разворачивалось до прихода в горизонтальное положение и полной остановки. Это устройство работало надёжно, но было весьма сложным и некомпактным. Противоминная артиллерия. Противоминная артиллерия состояла из 16 150-мм орудий SK L/45 С/06 длиной в 45 калибров на палубных установках MpI.С/06 (с ручными приводами), располагавшихся в казематах по бортам. ![]() ![]() Линейный корабль "Баерн" (Планы палуб) ![]() Линейный корабль "Баерн" (Схема внутреннего расположения, бронирования барбета и подбашенных отделений башни Drhl. С/13) Основные тактико-технические характеристики этих орудий: Калибр орудия 149,1 мм Высота орудий над грузовой ватерлинией 5,5 м Углы вертикального наведения от -8° до +19° Дальность стрельбы 14600 м Толщина орудийного щита 85 мм Масса снаряда 45 кг Длина снаряда 4,1 калибра Масса заряда (порох + латунная гильза) 13,7 + 8,8 кг Боекомплект (выстрелов на каждое орудие) 160 Орудия устанавливались на барабанах из стальных листов толщиной 9 мм, усиленных вертикальными угольниками. Барабаны ставились непосредственно на настил главной палубы, толщина, которой на таких участках увеличивалась до 25 мм, и лишь некоторые из них крепились к продольной противоосколочной переборке. Каждое орудие имело свой собственный погреб, откуда снаряд и патрон транспортировались в горизонтальном положении элеватором типа нории, непроницаемым для пламени и приводимым в действие от шунтового электродвигателя в 6,5 л.с, скорость подъема около 18 м/мин. Некоторые из этих элеваторов имели значительный наклон. Устройство для затопления и охлаждения погребов боеприпасов артиллерии противоминного калибра имело конструкцию, сходную с примененным в погребах артиллерии главного калибра. Зенитная артиллерия Первоначально предусматривалось 8 88-мм зенитных орудий Flak L/45 С/13, длиной в 45 калибров, на одинарных палубных установках Mp.L. С/13, расположенных побортно на шкафуте на палубе надстройки первого яруса. Орудия имели следующие главные характеристики: углы вертикального наведения от -10° до +70°, горизонтальная дальность стрельбы при угле вертикального наведения +43° 10200 м Масса снаряда 10 кг, масса снаряда с зарядом 15,6 кг |
![Иллюстрация к книге — Линейные корабли типа "Баерн". Последние дредноуты империи кайзера Вильгельма II. [img_42.jpg] Иллюстрация к книге — Линейные корабли типа "Баерн". Последние дредноуты империи кайзера Вильгельма II. [img_42.jpg]](img/book_covers/077/77641/img_42.jpg)
![Иллюстрация к книге — Линейные корабли типа "Баерн". Последние дредноуты империи кайзера Вильгельма II. [img_43.jpg] Иллюстрация к книге — Линейные корабли типа "Баерн". Последние дредноуты империи кайзера Вильгельма II. [img_43.jpg]](img/book_covers/077/77641/img_43.jpg)
![Иллюстрация к книге — Линейные корабли типа "Баерн". Последние дредноуты империи кайзера Вильгельма II. [img_44.jpg] Иллюстрация к книге — Линейные корабли типа "Баерн". Последние дредноуты империи кайзера Вильгельма II. [img_44.jpg]](img/book_covers/077/77641/img_44.jpg)