Онлайн книга «Танки III Рейха. Том III»
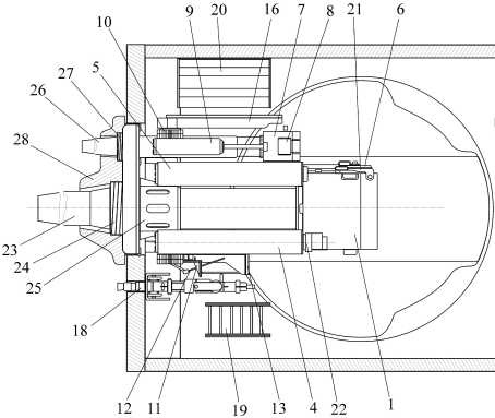
![]() Схема установки вооружения (вид сзади): 1 — казенник 128-мм пушки; 2 — клин затвора; 3 — люлька; 4 — тормоз отката; 5 — накатник; 6 — ограждение; 7 — казенник 75-мм пушки; 8 — клин затвора; 9 — накатник; 10 — правая цапфа люльки; 11 — кронштейн крепления перископического прицела; 12 — тяга прицела; 13 — кронштейн крепления подъемного механизма; 14 — тормоз отката 75-мм пушки; 15 — основание рамы; 16 — правый вертикальный кронштейн рамы; 17 — неподвижный броневой колпак; 18 — пулемет MG42; 19 — укладка пулеметных коробок; 20 — укладка 75-мм выстрелов. ![]() Схема установки вооружения (вид сверху): 1 — казенник 128-мм пушки; 4 — тормоз отката; 5 — накатник; 6 — ограждение; 7 — казенник 75-мм пушки; 8 — клин затвора; 9 — накатник; 10 — правая цапфа люльки; 11 — кронштейн крепления перископического прицела; 12 — тяга прицела; 13 — кронштейн крепления подъемного механизма; 16 — правый вертикальный кронштейн рамы; 18 — пулемет MG42; 19 — укладка пулеметных коробок; 20 — укладка 75-мм выстрелов; 21 — рукоятка открывания затвора 128-мм пушки; 22 — крепление штока тормоза к казеннику; 23 — труба ствола 128-мм пушки; 24 — цилиндрическая пружина; 25 — люлька; 26 — труба ствола 75-мм пушки; 27 — цилиндрическая пружина; 28 — бронировка качающейся части. Подытоживая рассказ о вооружении танка, будет не лишним привести выводы, сделанные специалистами НИБТПолигона в Кубинке после его изучения: «Выводы по установке вооружения. 1. Установка двух танковых пушек в одной люльке имеет следующие преимущества перед обычными установками: а) повышена огневая мощь танка; б) возможно применение каждого вида оружия в отдельности, в зависимости от условий боя. 2. Заднее расположение башни уменьшает вылет ствола и способствует повышению маневренности танка в лесистой местности. 3. Конструкция 128-мм и 75-мм танковых пушек особого интереса не представляет и является аналогичной для всех немецких танковых пушек. 4. По своей мощности 128-мм пушка соответствует отечественной 122-мм пушке С-26-1, а 75- мм пушка уступает 76-мм пушке Т-34. 5. Скорострельность 128-мм пушки вследствие отсутствия автоматического открывания затвора ниже 122-мм пушки Д-25. 6. Соотношение веса танка «Maus» к весу установки вооружения равно 60, это же соотношение в танке ИС-3 равно 17, что говорит о несоответствии вооружения танка «Maus» его весу. 7. Наличие на танке стереодальномера с базой 1,2 м облегчает определение дальности до целей. Применение дальномера является принципиально новым вопросом и требует специального исследования». В качестве небольшого комментария к этим выводам можно отметить, что оценка дальномера в силу указанных выше причин носит чисто теоретический, хотя и безусловно правильный, характер. Что же касается скорострельности 128-мм пушки, то она ниже, чем у Д-25 при наличии одного заряжающего. В экипаже «Мауса», как, впрочем, и в экипаже «Ягдтигра» — еще одной машины, вооруженной 128-мм пушкой, заряжающих было два. ДВИГАТЕЛЬ. На прототипах танка «Маус» устанавливались два типа силовых установок. Первый прототип оснащался 12- цилиндровым, четырехтактным Л-образным бензиновым двигателем жидкостного охлаждения МВ509 с непосредственным впрыском топлива и наддувом. Этот двигатель представлял собой танковый вариант авиационного двигателя DB 603А2. Мощность двигателя — 1750 л.с. при 2700 об/мин. Угол развала цилиндров — 60°. Рабочий объем — 44 540 см3. Ход поршня — 180 мм, диаметр цилиндра — 162 мм. Степень сжатия в цилиндрах левого блока — 7,5, правого — 7,3. Сухая масса двигателя — 1300 кг. Топливо — этилированный бензин с октановым числом не менее 87. Емкость топливных баков — 1560 л. Основные топливные баки размещались в носовой части корпуса в нишах бортов. На кормовой части корпуса устанавливался дополнительный топливный бак емкостью 1500 л, подключавшийся к системе питания топливом. При необходимости он мог сбрасываться без выхода экипажа из машины. Топливный насос — Bosch PZ 12НР 120/44, 12-плунжерный, с регулятором смеси и барометрическим корректором, устанавливался в развале цилиндров. Топливная форсунка относилась к типу закрытых. Ее размер не превышал размера свечи. Топливо впрыскивалось в цилиндры на такте всасывания под давлением 90 — 100 кГс/см2 через шесть отверстий, из которых два имели диаметр 0,6 мм и четыре — 0,3 мм. Система смазки — принудительная с сухим картером и золотниковым распределением смазки. Циркуляция масла обеспечивалась работой 10 насосов: основного нагнетающего, трех насосов повышенного давления и шести откачивающих насосов различной производительности. Система охлаждения двигателя — жидкостная, закрытого типа с принудительной циркуляцией, емкостью 110 л. В качестве охлаждающей жидкости использовалась смесь этиленгликоля с водой в равных пропорциях. Радиаторов — два, трубопластинчатых двухходовых. Кроме того, в систему охлаждения двигателя входили два пароотделителя, водяной насос, компенсационный бачок с паровым клапаном, трубопроводы и четыре вентилятора. ![]() Бронировка качающейся части спаренной установки. Хорошо видны болты крепления бронировки к люльке. Отдельно от системы охлаждения двигателя на танке «Маус» функционировала система охлаждения выхлопных коллекторов. Эта система также была жидкостной, закрытого типа с принудительной циркуляцией. Емкость системы составляла 40 л. Радиаторов — четыре, трубопластинчатых одноходовых. Они устанавливались рядом с радиаторами системы охлаждения. Необходимо отметить, что применение жидкостного высокотемпературного охлаждения выхлопных коллекторов, изолированного от основной системы, увеличивало надежность работы двигателя и делало его эксплуатацию менее опасной в пожарном отношении. Как известно, применение воздушного охлаждения выхлопных коллекторов двигателей Maybach HL210 и HL230 не было эффективным. Перегрев выхлопных коллекторов этих двигателей являлся одной из причин возникновения пожара в танке. По бортам танка попарно устанавливались четыре двухступенчатых вентилятора осевого типа. Они были снабжены направляющими аппаратами и приводились во вращение шестеренчатым приводом. Максимальная частота вращения вентиляторов составляла 4212 об/мин. Охлаждающий воздух засасывался и выбрасывался вентиляторами через бронированные решетки крыши моторного отделения. ![]() Правая сторона моторного отделения. Хорошо видны двигатель МВ509 (на переднем плане), радиатор системы охлаждения двигателя, радиаторы выхлопных коллекторов, вентиляторы, правый топливный бак. |
![Иллюстрация к книге — Танки III Рейха. Том III [i_251.jpg] Иллюстрация к книге — Танки III Рейха. Том III [i_251.jpg]](img/book_covers/077/77526/i_251.jpg)
![Иллюстрация к книге — Танки III Рейха. Том III [i_252.jpg] Иллюстрация к книге — Танки III Рейха. Том III [i_252.jpg]](img/book_covers/077/77526/i_252.jpg)
![Иллюстрация к книге — Танки III Рейха. Том III [i_253.jpg] Иллюстрация к книге — Танки III Рейха. Том III [i_253.jpg]](img/book_covers/077/77526/i_253.jpg)
![Иллюстрация к книге — Танки III Рейха. Том III [i_254.jpg] Иллюстрация к книге — Танки III Рейха. Том III [i_254.jpg]](img/book_covers/077/77526/i_254.jpg)