Книга Тяжёлый танк «Пантера». Первая полная энциклопедия, страница 19 – Максим Коломиец

Авторы: А Б В Г Д Е Ж З И Й К Л М Н О П Р С Т У Ф Х Ч Ш Ы Э Ю Я
Книги: А Б В Г Д Е Ж З И Й К Л М Н О П Р С Т У Ф Х Ц Ч Ш Щ Ы Э Ю Я
Бесплатная онлайн библиотека LoveRead.ec

Онлайн книга «Тяжёлый танк «Пантера». Первая полная энциклопедия»

📃 Cтраница 19

Трансмиссия «Пантеры» включала в себя карданную передачу, главный фрикцион, коробку перемены передач, механизм поворота, бортовые передачи и дисковые тормоза.

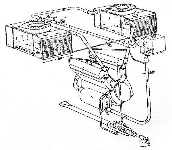
Иллюстрация к книге — Тяжёлый танк «Пантера». Первая полная энциклопедия [i_071.jpg]

Схема охлаждения двигателя танка «Пантера». Внизу пунктиром показана паяльная лампа для прогрева системы в холодное время года (из «Краткого руководства по использованию трофейного танка „Пантера“» военного издательства наркомата обороны СССР, 1944 год).


Карданная передача состояла из двух соединённых между собой карданных валов. Первый с одной стороны жёстко соединялся с маховиком двигателя, а с другой — с раздаточной коробкой. Второй вал соединялся с раздаточной коробкой и валом главного фрикциона. От раздаточной коробки осуществлялся привод на механизм поворота башни и два гидравлических насоса для обеспечения смазки бортовых передач танка.

Главный фрикцион — многодисковый, сухой — устанавливался в общем блоке с коробкой передач и механизмом поворота и защищался закрытым картером.

«Пантера» оснащалась трёхвальной семискоростной коробкой перемены передач AK 7-200 с шестернями, находящимися в постоянном зацеплении. Передачи включались при помощи кулачковых муфт с синхронизаторами системой рычагов, приводимых в движение рычагом переключения передач.

Все валы и шестерни коробки передач находились в закрытом картере. Их смазка осуществлялась маслом, подаваемым к трущимся частям специальным насосом, а также разбрызгиванием.

От коробки передач крутящий момент передавался к бортовым передачам через планетарный механизм поворота танка, который управлялся при помощи двух рычагов. Последние действовали одновременно на механический привод и гидравлический сервомеханизм.

Механизм поворота танка «Пантера» конструкции фирмы MAN состоял из распределительной передачи, состоящей из валов, передающих крутящий момент от двигателя, системы зубчатых цилиндрических и конических шестерён, планетарных механизмов, а также фрикционов и тормозов.

Следует сказать, что коробка перемены передач и механизм поворота «Пантеры» размещались в едином блоке с общей системой смазки. Это облегчало наладочные работы на заводе при окончательной сборке танка и не требовало частой регулировки данных агрегатов в войсках. Однако была и «оборотная сторона медали» — при ремонте замена такой довольно массивной конструкции, как блок коробки передач с механизмом поворота (к тому же имевшей значительные габариты), вызывала серьёзные проблемы (требовалось снять крышу корпуса над местами механика-водителя и стрелка-радиста, а для выемки установки нужен был подъёмный кран).

Бортовые передачи «Пантеры» представляли собой двухступенчатые редукторы с цилиндрическими шестернями, размещённые в литом картере, прикреплённом к корпусу танка болтами.

Иллюстрация к книге — Тяжёлый танк «Пантера». Первая полная энциклопедия [i_072.jpg]

Схема приводов от двигателя к ведущим колёсам и механизму поворота башни (из немецкого документа).


Приводы управления танком «Пантера» были комбинированными — механическими с гидравлическим сервомеханизмом. Они состояли из гидравлических насосов, системы рычагов и четырёх поршневых прессов. Последние включались системой тяг и рычагов, и значительно уменьшали усилие, которое требовалось механику-водителю для управления танком. В результате использования такой системы управление «Пантерой» не требовало больших физических усилий. С другой стороны, данная конструкция сильно усложняла конструкцию механизмов управления и требовала их частой регулировки, так как при выходе из строя гидравлического сервомеханизма усилия на рычагах значительно возрастали.

Ходовая часть «Пантеры» включала в себя восемь сдвоенных опорных катков большого диаметра с резиновыми бандажами, ведущего (спереди) и направляющего колёс (на один борт).

Опорные катки устанавливались на двойных торсионах, что обеспечивало больший угол скручивания (ход катка составлял 510 мм по вертикали). Передние и задние катки имели дополнительные гидравлические амортизаторы.

Направляющие колёса имели литые металлические бандажи и кривошипный механизм натяжения гусениц.

Ведущие колёса имели по два съёмных зубчатых венца (по 17 зубьев). Между ведущим колесом и первым опорным катком устанавливался специальный отбойный ролик, который предотвращал возможное заклинивание гусеницы на зубчатых венцах.

Гусеница «Пантеры» состояла из 87 литых траков (на один борт) шириной 660 мм и с шагом 153 мм, соединённых между собой пальцами. Последние фиксировались кольцами и заклёпками, проходившими через отверстия в кольцах и пальцах.

Электрическое оборудование «Пантеры» выполнялось по однопроводной схеме и имело напряжение 12 В. Оно включало в себя генератор Bosch CUL 1110/12, два аккумулятора ёмкостью 150 а*ч, стартёр Bosch BFD624, приборы внутреннего и внешнего освещения танка, электровентилятор, электрический бензонасос, электроспуск пушки, автоматический включатель огнетушителя.

На все танки «Пантера» Ausf.D устанавливалась радиостанция Fu 5, обеспечивающая дальность связи телефоном до 6,5 км и телеграфом до 9,5 км. Командирские варианты имели дополнительную радиостанцию Fu 7 или Fu 8.

Внутренняя связь между членами экипажа осуществлялась при помощи танкового переговорного устройства с усилителем. Оно позволяло вести разговор между пятью членами экипажа, и, кроме того, позволяло командиру использовать радиостанцию для выхода в эфир.

«Пантера» оснащалась автоматическим огнетушителем, установленным в моторном отделении. Система его включения состояла из пяти биметаллических реле, соленоида и часового механизма. Реле монтировались в местах возможного возгорания, и при появлении пламени они, нагреваясь, пригибались, тем самым замыкая цепь питания соленоида. Сердечник последнего включал часовой механизм и одновременно нажимал на клапан огнетушителя.

После того как пламя было погашено и цепь питания размыкалась, часовой механизм удерживал огнетушитель во включённом состоянии ещё 7–8 с, после чего он выключался окончательно.

ТАНК «ПАНТЕРА II»

В конце 1942 года, ещё до начала серийного производства «Пантеры», военные стали высказывать сомнения о достаточном бронировании танка. Многие считали, что утверждённые для этой боевой машины толщины брони окажутся недостаточными для защиты от противотанкового оружия, с которым вермахт встретится на Восточном фронте в кампанию 1943 года. А усиление бронирования экранировкой (как это было сделано на Pz.III и Pz.IV) было связано со значительными техническими трудностями из-за формы корпуса танка.

Поэтому уже в декабре 1942 года фирма MAN приступила к разработке нового варианта боевой машины с более толстой бронёй. 3 января 1943 года, во время встречи в рейхсминистерстве вооружения со Шпеером, Гитлер согласился с предложением о том, чтобы «Пантера» превратилась в новую модель со 100-мм лобовым и 60-мм бортовыми бронелистами. До момента завершения проекта «Пантеры 2» в производстве должна была оставаться «Пантера» Ausf.D.

Вход
Поиск по сайту
Ищем:
Календарь