Онлайн книга «Десантные амфибии Второй Мировой»
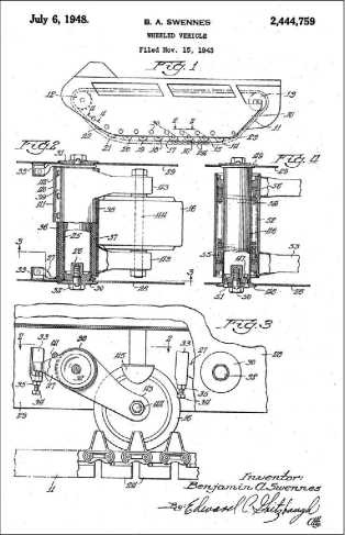
![]() Схема откидной кормовой аппарели плавающего транспортера «Борг-Уорнер». Из патента Б. Свеннеса 1947 г. ![]() Схема компоновки плавающего транспортера LVT-3: 1 — отделение управления (рубка), 2 — десантное отделение, 3 — ведущее колесо, 4 — гусеница, 5 — карданный вал, 6 — коробка передач, 7 — сцепление, 8 — двигатель, 9 — откидная аппарель. Одинарные опорные катки имели индивидуальную торсионную подвеску на качающихся рычагах — балансирах. Гусеница цевочного зацепления была уже, чем у LVT-2, съемные лопатки-грунтозацепы также были W-образные. Подвеска и ведущее колесо незначительно отличались от LVT-2. Гусеница удерживалась от поперечного смещения двумя продольными гребнями, достаточно высокими, чтобы гусеница не спадала из-за провисания на плаву. Резиновые втулки шарниров гусеничной цепи уменьшали ее износ. Выбранная компоновка позволила, во-первых, увеличить длину десантного отделения, не увеличивая длину машины, во-вторых, установить откидную кормовую аппарель, дававшую те же преимущества, что и на LVT-4. Аппарель управлялась ручной лебедкой, установленной в отделении управления, имела внутреннюю ребристую дорожку. Кроме того расположение агрегатов силовой установки ближе к корме смещало назад центр масс и обеспечивало машине на плаву дифферент на корму в нагруженном и негруженом состоянии. Машина оказалась даже чуть короче, чем LVT-2, при этом допустимая длина груза увеличилась примерно на 1,25 м. Полезная площадь грузового отделения LVT-3 составила 11,6 м2 — сравним с 6,05 м2 у LVT-1 и 7,75 м2 у «Модели А». LVT-3 имел несколько меньшую скорость хода, чем LVT-4, но запас хода был тот же при меньшем расходе топлива. В целом LVT-3 оказался более удобен в эксплуатации, чем LVT с двигателем «Континенталь». Вооружение транспортера обычно включало один 12,7-мм пулемет М2НВ и два 7,62-мм М1919А4 на трех шкворневых установках — одна за отделением управления и две у бортовых спонсонов. Установки могли снабжаться бронещитами. В марте 1945 года на Абердинском полигоне испытывался бронированный вариант LVT-3 со спаренной установкой 12,7-мм пулеметов М2НВ за отделением управления с возможностью стрельбы по наземным и воздушным целям, но о боевом применении транспортеров с такой установкой неизвестно. ![]() Патент, полученный Б. Свеннесом в 1948 г. (заявка подана в 1943 г.), соответствует опытной «Модели А», предлагавшейся компанией «Борг-Уорнер». Видно устройство узла подвески опорного катка с резиновым упругим элементом. ![]() Вид сверху раннего варианта плавающего транспортера LVT-3 позволяет увидеть значительно большее, чем у предшественников, десантное отделение, а также компоновку отделения управления. ![]() Патент Б. Свеннеса («Борг-Уорнер») на размещение топливных баков плавающего транспортера. Первые машины имели скобы над понтонами, но со временем их устранили. Кроме обычных передних фар LVT-3 мог оснащаться поворотным прожектором над рубкой. Для откачки попавшей в корпус воды имелись две помпы — по одной в каждом спонсоне. На корпус LVT-3, как и на LVT-4, могли крепиться бронелисты, хотя при этом его грузоподъемность уменьшалась с 3,6 всего до 1,3 т — почти втрое. В отделении управления LVT-3 в специальном деревянном ящике держали пропитанную ветошь, деревянные пробки и другой материал, чтобы быстро заткнуть пробоину на плаву. Также на борту имелись ящик с ЗИП, сигнальные лампы, бачок с питьевой водой. ![]() Схема размещения двигателей и основных агрегатов трансмиссии LVT-3. ![]() Плавающий бронетранспортер LVT-3(C) в роли машины снабжения островов в районе Уэйлс Филд, Аляска. Обратим внимание на надувную спасательную лодку на крыше. ![]() Ранний вариант плавающего транспортера LVT-3. Это был первый из плавающих транспортеров серии LVT, снабженный подобием волноотбойного щита. Заказ, выданный компании «Борг-Уорнер», предполагал начало серийного производства с весны 1944 года и поставку за этот год 1 800 LVT-3 вместе с комплектами ЗИП для их обслуживания и ремонта. Но организация серийного производства вместе с необходимостью подготовки экипажей (управление LVT-3 отличалось от LVT-2 и -4) и обслуживающего персонала задержали поставки. К производству привлекли заводы компаний «Грэхэм-Пэйдж» и «Ингерсолл». ![]() Загрузка джипа «Виллис» в десантное (грузовое) отделение плавающего транспортера LVT-3. Хорошо видны тросы откидной аппарели и ее ребристый настил. ![]() Плавающий транспортер LVT-3 с комплектом частичного (локального) бронирования на Абердинском полигоне. США, 1945 г. ![]() Схема управления плавающим транспортером типа LVT-3 с помощью одного рычага, предложенная Милтоном Андерсоном в 1944 г. (патент США 1948 г.). Первые LVT-3 поступили в войска к весне 1945 года — позже транспортеров LVT-4 компании FMC — и впервые были использованы при высадке на Окинаву в апреле 1945 года. Всего в течение 1944 и 1945 годов было построено 2964 (по другим данным — 2962) машины LVT-3 «Бушмастер», все они переданы Морской пехоте. В отличие от LVT-1 и LVT-2, признанных устаревшими по окончании Второй мировой войны, LVT-3 продолжили службу и после войны. В частности, в 1947 г. Опытная инженерная станция ВМФ переоборудовала два LVT-3 для использования в арктических условиях. Машины получили полностью закрытое обитаемое отделение, усиленную ходовую часть. Уширенная гусеница уменьшила удельное давление на грунт с 0,6 кг/см2 (как у штатного LVT-3) до 0,43 кг/см2. |
![Иллюстрация к книге — Десантные амфибии Второй Мировой [i_108.jpg] Иллюстрация к книге — Десантные амфибии Второй Мировой [i_108.jpg]](img/book_covers/077/77490/i_108.jpg)
![Иллюстрация к книге — Десантные амфибии Второй Мировой [i_109.jpg] Иллюстрация к книге — Десантные амфибии Второй Мировой [i_109.jpg]](img/book_covers/077/77490/i_109.jpg)
![Иллюстрация к книге — Десантные амфибии Второй Мировой [i_110.jpg] Иллюстрация к книге — Десантные амфибии Второй Мировой [i_110.jpg]](img/book_covers/077/77490/i_110.jpg)
![Иллюстрация к книге — Десантные амфибии Второй Мировой [i_111.jpg] Иллюстрация к книге — Десантные амфибии Второй Мировой [i_111.jpg]](img/book_covers/077/77490/i_111.jpg)
![Иллюстрация к книге — Десантные амфибии Второй Мировой [i_112.jpg] Иллюстрация к книге — Десантные амфибии Второй Мировой [i_112.jpg]](img/book_covers/077/77490/i_112.jpg)
![Иллюстрация к книге — Десантные амфибии Второй Мировой [i_113.jpg] Иллюстрация к книге — Десантные амфибии Второй Мировой [i_113.jpg]](img/book_covers/077/77490/i_113.jpg)
![Иллюстрация к книге — Десантные амфибии Второй Мировой [i_114.jpg] Иллюстрация к книге — Десантные амфибии Второй Мировой [i_114.jpg]](img/book_covers/077/77490/i_114.jpg)
![Иллюстрация к книге — Десантные амфибии Второй Мировой [i_115.jpg] Иллюстрация к книге — Десантные амфибии Второй Мировой [i_115.jpg]](img/book_covers/077/77490/i_115.jpg)
![Иллюстрация к книге — Десантные амфибии Второй Мировой [i_116.jpg] Иллюстрация к книге — Десантные амфибии Второй Мировой [i_116.jpg]](img/book_covers/077/77490/i_116.jpg)
![Иллюстрация к книге — Десантные амфибии Второй Мировой [i_117.jpg] Иллюстрация к книге — Десантные амфибии Второй Мировой [i_117.jpg]](img/book_covers/077/77490/i_117.jpg)
![Иллюстрация к книге — Десантные амфибии Второй Мировой [i_118.jpg] Иллюстрация к книге — Десантные амфибии Второй Мировой [i_118.jpg]](img/book_covers/077/77490/i_118.jpg)