Книга Танк Т-80, страница 2 – В. Борзенко

Авторы: А Б В Г Д Е Ж З И Й К Л М Н О П Р С Т У Ф Х Ч Ш Ы Э Ю Я
Книги: А Б В Г Д Е Ж З И Й К Л М Н О П Р С Т У Ф Х Ц Ч Ш Щ Ы Э Ю Я
Бесплатная онлайн библиотека LoveRead.ec

Онлайн книга «Танк Т-80»

📃 Cтраница 2

Танк Т-80Б стал одним из самых многочисленных в бронетанковых частях Советской Армии. К концу 1980-х гг. только в соединениях, расположенных за Уралом, находилось 3700 таких машин; в наших частях Группы советских войск в Германии в 1987 г. числилось почти 3000 танков Т-80Б и Т-80БВ.

Иллюстрация к книге — Танк Т-80 [i_004.jpg]

Танк Т-80 ранних выпусков с башней от Т-64А.


В «Техническом описании и инструкции по эксплуатации танка Т-80Б» записано: «Благодаря мощному вооружению и совершенным приборам наблюдения танк способен поражать танки и другие бронированные машины, противотанковые средства, артиллерию, а также живую силу и другие цели. Мощная броневая защита позволяет танку выполнять боевые задачи при сильном огневом воздействии противника и в комплексе с системой коллективной защиты обеспечивает эффективное использование танка в условиях применения ядерного оружия и других средств массового поражения. Высокая подвижность танка обеспечивает хорошую манёвренность в бою».

Министр обороны Сирийской Арабской Республики М. Глас, руководивший боевыми действиями армии в Ливанской войне 1981–1982 гг., свидетельствовал: «Советский Т-80 — ответ Москвы на „Леопард-2“. Он не только равен германской машине, но и значительно превосходит её. Как солдат и специалист по танкам, я считаю Т-80 лучшим танком в мире».

КОНСТРУКЦИЯ ТАНКА Т-80Б

Танк Т-80Б унаследовал компоновку своих известных предшественников, в том числе и Т-64, с отделением управления в передней части корпуса. Здесь размещены сиденье механика-водителя, перед которым на днище находятся рычаги управления поворотом, педали подачи топлива, тормоза и регулируемого соплового аппарата (РСА), на лобовом листе расположены щит контрольных приборов, гирополукомпас ГПК-59. Над щитом — три призменных прибора наблюдения ТПНО-160; центральный прибор для вождения в ночное время заменяется на ночной смотровой ТВНЕ-4Б, который подсвечивается бортовой фарой ФГ-125 с ИК-фильтром.

Слева и справа от сиденья — топливные баки и бак-стеллаж, ещё два средних топливных бака находятся у задней стенки отделения; под сиденьем — блок управления стабилизатора вооружения. На днище — вращающееся контактное устройство башни. Рядом с ним имеется запасной люк на случай аварийного выхода.

Под контрольным щитом установлен водооткачивающий насос — на случай подтопления при преодолении водных преград. Четыре аккумуляторные батареи — в стеллаже за левым топливным баком.

С правого борта в отделении укреплены воздухозаборное устройство прибора радиационной и химической разведки (ПРХР) и аппарат внутренней связи ТПУ А-3. По днищу корпуса проходят торсионы подвески, по бортам — тяги приводов управления.

Боевое отделение занимает среднюю часть танка. В его башне установлена пушка с механизмом заряжания (МЗ), который обеспечивает подачу и досылание выстрелов, улавливает и размещает экстрагированные поддоны.

Место командира — справа от пушки, наводчика — слева. Перед сиденьем командира размещены аппарат ТПУ А-1, радиостанция, пульт управления МЗ, гидродинамический стопор пушки, датчик линейных ускорений стабилизатора вооружения, щиток управления с тумблерами механизма остановки двигателя, РСА, противопожарного оборудования (ППО). Под сиденьем — электрический блок управления МЗ.

В командирской башенке смонтированы призменные смотровые приборы наблюдения — два ТНПО-160 и командирский прибор ТКН-3В, выключатели фары, габаритного огня и осветителя башни.

Комбинированный дневной-ночной прибор наблюдения ТКН-3В независимо стабилизирован в вертикальной плоскости; он имеет два дневных оптических канала однократного и 7-кратного увеличения и пассивно-активный ночной канал; подсвечивается прибор осветителем с инфракрасным фильтром ОУ-3ГКУ.

ТНПО-160 находятся слева и справа от ТКН-3В.

Ещё два командирских призменных прибора наблюдения ТНПА-65 установлены в крышке башенного люка.

В дневное время наводчик в башне использует дневной танковый прицел-дальномер 1Г42, закреплённый слева от пушки; его оптическая головка размещается в бронированном корпусе на крыше. Поле зрения прибора стабилизировано в двух плоскостях, для чего был применён двухстепенный гироскоп.

1Г42 входит в танковую систему управления огнём (СУО) и предназначен для наблюдения за полем боя и ведением стрельбы. В его составе: пульт управления, оптический блок, стабилизирующий блок, блок дальности, измеритель временных интервалов с цифровым индикатором, головка наблюдения. Наблюдение и прицеливание ведутся через визуальный канал прибора. Дальность до цели замеряется квантовым прицелом-дальномером, который действует в комплексе со стабилизатором вооружения 2Э26М и баллистическим вычислителем 1В517 системы управления огнём.

В распоряжении наводчика находятся также ночной танковый прицел ТПН3-49, азимутальный указатель, пульт наводчика, пульт управления системой пуска дымовых гранат 902Б, аппарат ТПУ А-2, механизмы взвода-спуска пушки и стопор башни.

Иллюстрация к книге — Танк Т-80 [i_005.jpg]

Танк Т-80 на смотровой площадке Военно-исторического музея артиллерии, инженерных войск и войск связи в Санкт-Петербурге.


С помощью ночного ТПН3-49 наводчик имеет возможность в тёмное время суток следить за обстановкой на поле боя, обнаруживать и опознавать цели, вести прицельный огонь из пушки и спаренного пулемёта. Этот прибор является пассивно-активным электронно-оптическим монокулярным перископом, имеющим зависимую от пушки стабилизацию поля зрения в вертикальной плоскости. Он обеспечивает работу в активном и пассивном режимах, круговое наблюдение при вращении башни, прицеливание, измерение углов цели для целеуказания; работает совместно с инфракрасным прожектором Л-4A. Однако при обнаружении в темноте объекта, подсвеченного рассеянным светом луны или звёзд, прибор может действовать в пассивном режиме, за счёт усиления освещённости своим электронно-оптическим усилителем. Устанавливается прицел на кронштейне в башне слева от прицела-дальномера.

Иллюстрация к книге — Танк Т-80 [i_006.jpg]

Компоновочная схема танка Т-80.

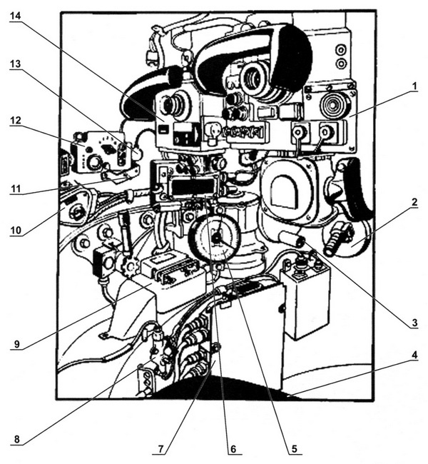
Иллюстрация к книге — Танк Т-80 [i_007.jpg]

Рабочее место наводчика в танке Т-80Б:

1 — прибор 1Г42; 2 — подъёмный механизм пушки; 3 — поворотный механизм башни; 4 — сиденье наводчика; 5 — азимутальный указатель; 6 — пульт наводчика ПО47-1С; 7 — блок управления и индикации ГТН-11; 8 — кран гидропневмоочистки; 9 — левый распределительный щиток; 10 — аппарат ТПУ А-2; 11 — тумблер включения прожектора Л-4А; 12 — пульт системы 902Б «Туча»; 13 — аварийная розетка; 14 — ночной прицел ТПН-3.


В крышке люка наводчика также размещён призменный прибор наблюдения ТНПА-65.

Вход
Поиск по сайту
Ищем:
Календарь