Книга Тяжелый танк «Королевский тигр», страница 13 – Михаил Барятинский

Авторы: А Б В Г Д Е Ж З И Й К Л М Н О П Р С Т У Ф Х Ч Ш Ы Э Ю Я
Книги: А Б В Г Д Е Ж З И Й К Л М Н О П Р С Т У Ф Х Ц Ч Ш Щ Ы Э Ю Я
Бесплатная онлайн библиотека LoveRead.ec

Онлайн книга «Тяжелый танк «Королевский тигр»»

📃 Cтраница 13

5. Двигатель, благодаря большому весу танка, перегружен и также имеет тенденцию к перегреву и заклиниванию вала, в результате чего на машине введен ряд предохраняющих приспособлений».

Что касается «поспешности» выпуска, то наши специалисты тогда еще просто не знали, что разработка «Королевского тигра» началась в 1942 году и времени у немецких конструкторов было достаточно. У них не было агрегатной базы для танка такой массы, о чем заказчик не мог не знать. Теперь уже можно смело утверждать, что «Королевский тигр» оказался самым бесполезным немецким танком периода Второй мировой войны. И не по причине небольшого числа выпущенных машин (почти 500 единиц — это немало!), а из-за мизерного количества этих танков, участвовавших в боевых действиях. Большинство «королевских тигров» постоянно находилось в ремонте. Кроме того, львиная доля безвозвратных потерь приходится на машины, просто-напросто брошенные экипажами из-за технических неисправностей.

Иллюстрация к книге — Тяжелый танк «Королевский тигр» [img_49.jpg]

Этот танк находится в музее при Танковой школе бундесвера в Мунстере (Германия), куда он был передан из США в 1961 году

Иллюстрация к книге — Тяжелый танк «Королевский тигр» [img_50.jpg]

«Королевский тигр» из экспозиции танкового музея в Самюре (Франция). Эта машина — на ходу!


Таким образом, заказчик совершил грубую ошибку, и при оценке вероятного противника, и при учете экономических возможностей страны, в итоге неправильно выбрав тип танка. Здравый смысл был принесен в жертву чисто пропагандистской идее создания «неуязвимого оружия возмездия», достигшей своего апогея при создании сверхтяжелого танка «Маус».


Истребитель танков «Ягдтигр»

В ходе проектирования тяжелого танка Tiger II фирма Henschel в сотрудничестве с фирмой Krupp приступила к созданию на его базе тяжелого штурмового орудия. Новую самоходку планировалось вооружить 128-мм пушкой, осколочно-фугасный снаряд которой имел значительно большее фугасное действие, чем у 88-мм зенитного орудия FlaK 40. Деревянный макет САУ в натуральную величину был продемонстрирован Гитлеру 20 октября 1943 года на полигоне Арис в Восточной Пруссии. САУ произвела на фюрера самое благоприятное впечатление, и последовало распоряжение начать ее серийный выпуск в следующем году. 7 апреля 1944 года машине присвоили название Panzerjäger Tiger Ausf.B (Sd.Kfz. 186), позже упрощенное до Jagdtiger. Спустя 13 дней был изготовлен в металле первый образец. САУ была самой тяжелой из всех участвовавших во Второй мировой войне боевых машин — ее полная боевая масса составляла 75,2 т.

Общая компоновка моторно-трансмиссионной группы и ходовой части самоходной установки сохранилась такой же, как у танка «Королевский тигр». Однако нагрузка на шасси при выстреле предполагалась большей, чем у танка, поэтому машину удлинили на 260 мм.

Бронекорпус танка почти не претерпел изменений — ни в части конструкции, ни в части толщины брони. Борта рубки представляли собой одно целое с бортами корпуса и имели такую же толщину—80 мм. Лобовой и кормовой листы рубки соединялись с бортами «в шип», усиливались шпонками, а затем обваривались. Толщина лобового листа рубки достигала 250 мм, располагался он под углом 75° от горизонтали, что делало броню практически неуязвимой для всех противотанковых средств на дистанции свыше 400 м. В кормовом листе толщиной 80 мм располагался люк для демонтажа орудия, загрузки боекомплекта и эвакуации экипажа, закрывавшийся двухстворчатой крышкой на петлях. Крыша рубки из 40-мм бронелиста крепилась к корпусу болтами. В правой передней части крыши рубки находилась вращающаяся наблюдательная командирская башенка со смотровым прибором, прикрытым П-образной броневой скобой. Перед прибором в крыше башенки имелся лючок для установки стереотрубы. За командирской башенкой размещался посадочный люк командира, а слева от нее — амбразура перископического прицела пушки. Кроме того, в крыше рубки устанавливались вентилятор, «устройство ближнего боя» и четыре прибора наблюдения.

Иллюстрация к книге — Тяжелый танк «Королевский тигр» [img_51.jpg]

Демонстрация фюреру деревянного макета САУ «Ягдтигр» (на втором плане). Полигон Арис, 20 октября 1943 года

Иллюстрация к книге — Тяжелый танк «Королевский тигр» [img_52.jpg]

Первый серийный «Ягдтигр» на заводском полигоне. Апрель 1944 года


В амбразуре переднего листа рубки, прикрытой массивной литой маской, устанавливалась пушка 12,8 cm Pak 44 (Pak 80) калибра 128 мм. Начальная скорость ее бронебойного снаряда достигала 920 м/с. Длина ствола орудия, разработанного фирмой Krupp и изготавливавшегося на предприятии Bertha-Werke в Бреслау, составляла 55 калибров (7020 мм). Масса орудия — 7000 кг. Затвор — клиновой, горизонтальный, имел 1/4 автоматики, то есть открывание затвора и экстрактирование гильзы производились вручную, а после досылания снаряда и заряда затвор закрывался автоматически. Пушка была смонтирована на специальном станке, установленном в корпусе САУ. Вертикальное наведение осуществлялось в пределах от — 7° до +15°, горизонтальное — 10° на сторону. Противооткатные устройства располагались над стволом орудия. Предельная длина отката — 900 мм. Наибольшая дальность стрельбы осколочно- фугасным снарядом достигала 12,5 км.

Пушка Рак 44 отличалась от 128-мм зенитной пушки Flak 40 раздельно-гильзовым заряжанием. В тесной рубке САУ с громоздким и тяжелым «унитаром» не было возможности развернуться. Для ускорения процесса заряжания в экипаж «Ягдтигра» входили два заряжающих: в то время как один досылал в камору снаряд, другой подавал гильзу с зарядом. Тем не менее, скорострельность «Ягдтигра» не превышала 2 — 3 выстр./мин.

Боекомплект САУ размещался на полу боевого отделения и бортах рубки в хомутиковых укладках и составлял 38 — 40 выстрелов.

Перископический прицел WZF 2/1 имел десятикратное увеличение и поле зрения 7°, что позволяло поражать цели на дистанции до 4000 м.

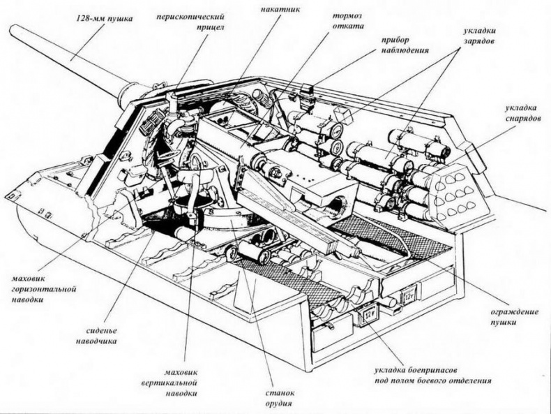
Иллюстрация к книге — Тяжелый танк «Королевский тигр» [img_53.jpg]

Компоновка боевого отделения САУ «Ягдтигр»

Иллюстрация к книге — Тяжелый танк «Королевский тигр» [img_54.jpg]

Крыша рубки «Ягдтигра». Вверху справа— командирская башенка с лючком для стереотрубы, перед ней — посадочный люк командира, вверху слева — дугообразная амбразура перископического прицела


Любопытно отметить, что 128-мм пушка Рак 44 впервые появилась на фронте в августе 1944 года как полевое противотанковое орудие. Поскольку лафет для него сконструирован не был, то качающуюся часть стали устанавливать на лафетах трофейных советских 152-мм гаубиц М-10, гаубиц-пушек МЛ-20 и французских 155-мм пушек. Всего таким образом изготовили 116 орудий.

Вход
Поиск по сайту
Ищем:
Календарь