Книга Пехотный танк «Черчилль», страница 6 – Михаил Барятинский

Авторы: А Б В Г Д Е Ж З И Й К Л М Н О П Р С Т У Ф Х Ч Ш Ы Э Ю Я
Книги: А Б В Г Д Е Ж З И Й К Л М Н О П Р С Т У Ф Х Ц Ч Ш Щ Ы Э Ю Я
Бесплатная онлайн библиотека LoveRead.ec

Онлайн книга «Пехотный танк «Черчилль»»

📃 Cтраница 6

Система смазки — циркуляционная, под давлением, с сухим картером. Тип масляных насосов — шестеренчатые двухсекционные: один — нагнетающий, другой — откачивающий. Рабочая емкость системы смазки — 50 л.

Система охлаждения — жидкостная, замкнутого типа, с принудительной циркуляцией. Два трубчатых радиатора были установлены по обеим сторонам двигателя. Емкость системы охлаждения — 118 л.

ТРАНСМИССИЯ включала в себя однодисковый главный фрикцион сухого трения Borg and Beck, механическую четырехскоростную коробку передач Merrit-Brown Н4, объединенную в один агрегат с механизмом поворота, и бортовые передачи. Механизм поворота (цилиндрический дифференциал с двумя планетарными механизмами) обеспечивал поворот на месте и легкость управления танком при движении. Минимальный радиус поворота на 1-й передаче— 3,3 м. Управление машиной еще больше облегчалось за счет применения сервомеханизмов с гидроприводом.

Моторно-трансмиссионное отделение изолировалось от боевого специальной броневой перегородкой, что существенно снижало потери экипажа при пожаре двигателя и, с другой стороны, сохраняло целыми двигатель и трансмиссию при взрыве боекомплекта.

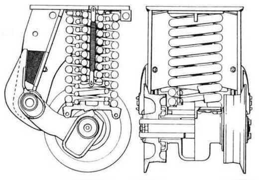
ХОДОВАЯ ЧАСТЬ применительно к одному борту состояла из 11 необрезиненных сдвоенных опорных катков малого диаметра, ведущего колеса заднего расположения с двумя съемными венцами (23 зуба) и двумя резиновыми бандажами и направляющего колеса. Поддерживающие колеса отсутствовали, их функции. как и на танках периода Первой мировой войны, выполняли специальные направляющие. Подвеска индивидуальная пружинная.

Иллюстрация к книге — Пехотный танк «Черчилль» [img_31.jpg]

На этой фотографии хорошо видны опорные натки и элементы подвески

Иллюстрация к книге — Пехотный танк «Черчилль» [img_32.jpg]

Узел подвески ходовой части танка «Черчилль»


Тактико-технические характеристики танка «Черчилль III»

Боевая масса, т 39,6

Экипаж, чел 5

Габаритные размеры, мм:

длина 7442

ширина 3251

высота 2450

клиренс 530

Толщина брони, мм:

лоб корпуса 101

борт 76

корма 64

крыша 15 — 19

днище 19

лоб башни 88

борт и корма 76

Макс, скорость движения, км/ч 28

Средняя скорость движения, км/ч:

по шоссе 25

по пересеченной

местности 17,5

Запас хода, км:

по шоссе 246

по проселочной дороге 166

Преодолеваемые препятствия:

угол подъема, град 30

высота стенки, м 0,76

ширина рва, м 3,66

глубина брода, м 1,22

Удельное давление, кг/см² 0,93

Удельная мощность, л.с./т 8,75


В каждую гусеницу входило 70 траков шириной 356 мм и шагом в 211 мм или 72 трака с шагом 202 мм.

ЭЛЕКТРООБОРУДОВАНИЕ танка состояло из двух аккумуляторных батарей, генератора, реле-регулятора, стартера, генератора и мотора электропривода поворота башни, шитка контрольных приборов, приборов внутреннего и наружного освещения.

Кроме того, на танке имелся дополнительный зарядный агрегат, состоявший из одноцилиндрового карбюраторного двигателя и генератора.

СРЕДСТВА СВЯЗИ. Танк оборудовался симплексной телефонно-телеграфной радиостанцией № 19, работавшей в диапазонах КВ и УКВ и имевшей свою собственную систему внутренней связи на пять абонентов. Работа в каждом из диапазонов радиоволн осуществлялась на отдельную антенну. Радиостанция № 19 имела радиус действия на коротких волнах телефоном 15 км, телеграфом — 32 км, на ультракоротких волнах телефоном — до 1 км.

Иллюстрация к книге — Пехотный танк «Черчилль» [img_33.jpg]

Infantry Tank Mk IV Churchill VII


ТАКТИКО-ТЕХНИЧЕСКИЕ ХАРАКТЕРИСТИКИ ПЕХОТНОГО ТАНКА Mk IV «Черчилль VII».

Боевая масса, т 41

Экипаж, чел 5

Габаритные размеры. мм:

длина 7442

ширина 3460

высота 2450

клиренс 530

Толщина брони, мм

лоб корпуса 152

борт 95

корма 51

крыша 16 - 19

днище 25

лоб башни 152

борт и корма 95

Макс, скорость движения, км/ч 20

Средняя скорость движении, км/ч 17

Запас кода, км:

по шоссе 200

по проселочной дороге 136

Преодолеваемые препятствия:

угол подъема, град 30

высота стенки, м 0.76

ширина рва. м 3,66

глубина брода, м 1.22

Удельное давление. кг/см² 0.93

Удельная мощность, л.с./т 8.75


Боевое применение

Рейд на Дьепп

Первой боевой операцией с участием «Черчиллей» стал рейд на Дьепп 19 августа 1942 года — операция «Юбилей». Дьепп — маленький французский город — рыболовецкий порт на Ла-Манше. Целью высадки являлись разведка боем обороны противника на побережье и отработка взаимодействия различных родов войск. Считалось, что такой рейд позволит приобрести необходимый опыт для планирования крупномасштабного вторжения в Западную Европу.

В операции приняли участие 58 «Черчиллей» модификаций I, II и III 14-го канадского армейского Калгарийского танкового полка (Calgary Regiment). Полк высаживался на каменистый пляж, находившийся непосредственно в черте города, вслед за полком Королевской легкой пехоты Гамильтона (Royal Hamilton Light Infantry) и Эссекским шотландским (Essex Scottiish) полком. В задачу танкистов входила поддержка огнем и маневром этих двух частей при захвате города.

Иллюстрация к книге — Пехотный танк «Черчилль» [img_34.jpg]

Пехотный танк модификации «Черчилль I», подбитый на пляже г.Дьеппа. Август 1942 года


Перед операцией танки прошли специальную подготовку — их корпуса загерметизировали, а выхлопные трубы нарастили вертикальными патрубками. После этого боевые машины могли преодолевать вброд полосу прибоя и их можно было высаживать с десантных кораблей типа LCT, не подходя вплотную к берегу.

Вход
Поиск по сайту
Ищем:
Календарь