Книга Т-34 История танка, страница 21 – Михаил Барятинский

Авторы: А Б В Г Д Е Ж З И Й К Л М Н О П Р С Т У Ф Х Ч Ш Ы Э Ю Я
Книги: А Б В Г Д Е Ж З И Й К Л М Н О П Р С Т У Ф Х Ц Ч Ш Щ Ы Э Ю Я
Бесплатная онлайн библиотека LoveRead.ec

Онлайн книга «Т-34 История танка»

📃 Cтраница 21
Иллюстрация к книге — Т-34 История танка [img_83.jpg]

Танки Т-34 и Т-34-85 перед парадом в Ленинграде, 1945 год. На переднем плане башня танка 1944 года выпуска с двухстворчатой крышкой люка командирской башенки, приборами наблюдения МК-4 без броневых крышек и пушкой С-53. Вторая машина в этом ряду — выпуска 1945 года


— с фугасной гранатой старого русского образца (Ф-354) и взрывателями КТ-3, КТМ-3 или ЗГТ;

— с бронебойно-трассирующим снарядом (БР-350А, БР-350Б, Р-350СП) и взрывателем МД-5;

— с бронепрожигающим снарядом (БП-353А) и взрывателем БМ;

— с пулевой шрапнелью (111-354 и Ш-354Т) и шрапнелью Гартца (Ш-354Г), с трубками — 22-секундной или Т-6;

— со стержневой шрапнелью (Ш-361) и трубкой Т-ЗУГ;

— с картечью (Ш-350).

В октябре 1943 года был принят на вооружение и стал включаться в боекомплект танка Т-34 унитарный патрон с подкалиберным бронебойно-трассирующим снарядом (БР-354П).

В танках 1940—1942 года выпуска боекомплект состоял из 77 выстрелов, которые укладывались на полу боевого отделения и на его стенках. На полу танка устанавливались 20 высоких (на 3 выстрела) и 4 низких (на 2 выстрела) чемодана — всего 68 снарядов. На стенках боевого отделения размещались 9 выстрелов: на правой стороне — 3, в общей горизонтальной укладке, и на левой — 6, в двух горизонтальных укладках по 3 выстрела.

В танках 1942—1944 года выпуска с "улучшенной" башней боекомплект состоял из 100 выстрелов (бронебойных — 21, осколочно-фугасных — 75, подкалиберных —4). Для укладки выстрелов на полу боевого отделения было оборудовано 8 ящиков на 86 выстрелов. Остальные 14 выстрелов размещались так: 2 бронебойно-трассирующих — в кассетах на крышке ящика в правом заднем углу боевого отделения, 8 осколочно-фугасных — на левом борту боевого отделения и 4 подкалиберных — в кассетах на правом борту.

Иллюстрация к книге — Т-34 История танка [img_84.jpg]

Внутренний вид башни танка Т-34-85 (передняя сторона):

1 — сиденье заряжающего: 2 — гильзоулавливателъ; 3 — сиденье наводчика; 4 — механизм поворота башни; 5 — захват погона башни; 6 — запорное устройство отверстия для стрельбы из личного оружия; 7 — кнопка включения подсветки угломера; 8 — электрощиток башенного оборудования; 9 — подвеска прицела; 10 — приборы наблюдения МК-4; 11 — прицел ТШ-16; 12 — щиток освещения прицела; 13 — пушка; 14 — плафон освещения башни; 15 — спаренный пулемет; 16—укладка пулеметных магазинов на правом борту башни; 17 — стопор башни; 18 — аппарат № 1 ТПУ

Иллюстрация к книге — Т-34 История танка [img_85.jpg]

Характеристика снарядов

Марка ОФ-350 БР-350А БР-354П
Масса снаряда, кг 6,23 6,5 3,05
Начальная скорость, м/с 680 662 950
Бронепробиваемость по нормали, мм на дистанции: 500 м 70 90
1000 м - 60 -

Для стрельбы из 85-мм танковых пушек служили штатные боеприпасы от 85-мм зенитной пушки обр.1939 года:

— унитарный патрон с бронебойно-трассирующим тупоголовым снарядом (БР-365) с баллистическим наконечником с взрывателями МД-5 и МД-7;

— унитарный патрон с бронебойно-трассирующим остроголовым снарядом (БР-365К) с взрывателем МД-8;

— унитарный патрон с осколочной стальной гранатой (0-365К) с взрывателем КТМ-1;

— унитарный патрон с подкалиберным бронебойно-трассирующим снарядом БР-365П (принят на вооружение в феврале 1944 года).

Боекомплект пушки состоял из 55 артвыстрелов (осколочных — 36, бронебойных — 14, подкалиберных — 5) и размещался в корпусе и башне танка в трех типах укладок: стеллажной, хомутиковых и ящиках.

Стеллажная укладка на 12 выстрелов находилась в нише башни. В нее входили выстрелы с осколочной гранатой.

Хомутиковые укладки располагались: на правом борту башни — на 4 артвыстрела; в отделении управления у правого борта корпуса — на 2 артвыстрела; в правом заднем углу боевого отделения — на 2 артвыстрела. На правом борту башни укладывались выстрелы с бронебойными снарядами, а в отделении управления и боевом — с подкалиберными снарядами.

В шести ящиках, расположенных на днище боевого отделения, размещалось 35 выстрелов, из них: 24 — с осколочной гранатой, 10 — с бронебойным снарядом и 1 —с подкалиберным.

Боекомплект пулеметов первоначально состоял из 2898 патронов (46 дисков). У танков ранних выпусков, не имевших радиостанции, он включал 4725 патронов (75 дисков). В Т-34 с "улучшенной" башней размещалось 3150 патронов к пулеметам (50 дисков), в Т-34-85 —1953 патрона (31 диск). В боевом отделении укладывались один пистолет-пулемет ППШ, 4 магазина к нему и 25 ручных гранат Ф-1.

ДВИГАТЕЛЬ И ТРАНСМИССИЯ. На танках Т-34 и Т-34-85 устанавливался 12-цилиндровый четырехтактный бескомпрессорный дизель В-2-34. Номинальная мощность двигателя — 450 л.с. при 1750 об/мин, эксплуатационная — 400 л.с. при 1700 об/мин, максимальная — 500 л.с. при 1800 об/мин. Диаметр цилиндра 150 мм. Цилиндры располагались V-образно под углом 60°. Степень сжатия 14—15. Ход поршней левой группы— 180 мм, правой — 186,7 мм. Масса сухого двигателя с электрогенератором без выхлопных коллекторов 750 кг.

Топливо — дизельное, марки ДТ или газойль марки "Э" по ОСТ 8842; подавалось принудительно, с помощью двенадцатиплунжерного топливного насоса НК-1.

Танки Т-34 ранних выпусков имели шесть внутренних топливных баков общей емкостью 460 л и четыре наружных общей емкостью 134 л. К концу лета 1943 года число топливных баков довели до восьми, а их емкость возросла до 545 л. Вместо четырех бортовых стали устанавливать два кормовых бака прямоугольной формы, а с 1943 года — два цилиндрических бака емкостью по 90 л с каждого борта. Наружные топливные баки к системе питания двигателя не подключались. В таком виде система питания сохранилась и на Т-34-85.

Иллюстрация к книге — Т-34 История танка [img_86.jpg]

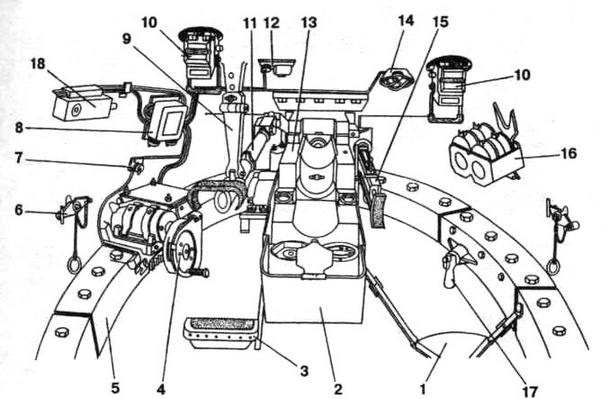
Вид на двигатель танка Т-34 а стороны башни. За "блином" воздухоочистителя виден заливной тройник с паровоздушным клапаном, предназначенный для заливки воды в систему охлаждения По бортам, между шахтами под вески видны масляные баки

Вход
Поиск по сайту
Ищем:
Календарь