Онлайн книга «Бронеавтомобили вермахта»
|
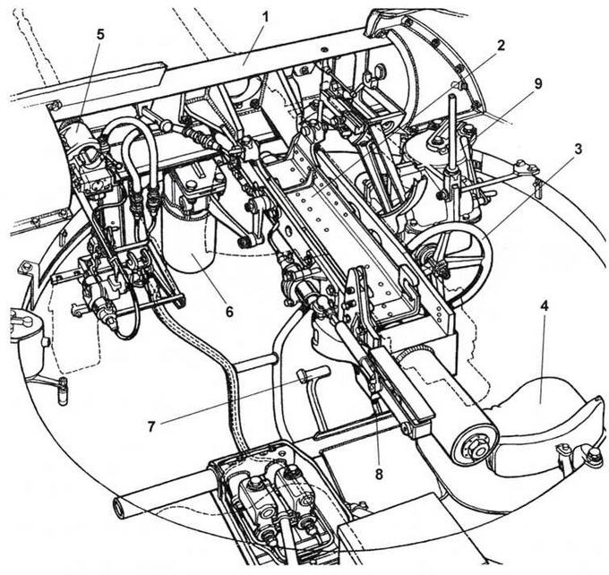
На шасси GS устанавливался двигатель Bussing-NAG L8V-GS, 8-цилиндровый, карбюраторный, V-образный, жидкостного охлаждения; мощностью 150 л.с. при 3000 об/мин и рабочим объемом 7913 см³. С 1939 года двигатель L8V-GS выпускался в новой модификации. Диаметр цилиндров увеличили со 107 до 110 мм, в результате чего рабочий объем возрос до 8363 см³, а мощность — до 180 л.с. Емкость двух топливных баков составляла 150 л (118 л + 32 л). Крутящий момент передавался от двигателя через двухдисковое сухое сцепление Fichtel&Sachs и трехскоростную коробку передач (3+3) Bussing- NAG GS Umkehr с демультипликатором на главную раздаточную коробку. От нее — на межмостовые раздаточные коробки, установленные в переднем и заднем мостах. Межмостовые раздаточные коробки включали в себя самоблокирующиеся дифференциалы, дававшие возможность колесам разных мостов вращаться с разной скоростью. В свою очередь, каждый мост оснащался собственным дифференциалом типа ZF КХ. Этот дифференциал позволял колесам одного моста вращаться с разной скоростью. На колеса крутящий момент передавался с помощью полуосей. Шасси GS оснащалось механическими тормозами, действовавшими на все восемь колес, имевших резиновые шины размером 210-18 с самогерметизирующимися камерами низкого давления. Почти одновременно с Sd.Kfz.231 (8-Rad) был запущен в серию вариант Sd.Kfz.232(8-Rad) — schwerer Panzerspahwagen (Fu) — по сути радиофицированная версия линейного броневика. На нем устанавливались радиостанция Fu 11 SE80 и коротковолновая радиостанция Fu Spr «а» с антенной рамочного типа. Последняя сзади крепилась к корпусу, а спереди — к башне. Крепление имело особую конструкцию, не затруднявшую вращения башни. Однако при стрельбе назад можно было повредить задние стойки антенны. Кроме того, высота бронеавтомобиля возросла до 2900 мм против 2350 мм у Sd.Kfz.231 (8-Rad), что никак нельзя считать достоинством разведывательной машины. На броневиках поздних выпусков ставилась куда более незаметная штыревая антенна с «метелкой». За время серийного производства заводские цехи покинули 607 бронеавтомобилей первых двух модификаций. С апреля 1938 года по апрель 1943-го на шасси GS выпускалась и радиомашина Sd.Kfz.263(8-Rad) — schwerer Panzerfunkwagen — для взводов связи разведывательных частей. Она оснащалась радиостанцией дальнего радиуса действия мощностью 100 Вт (позднее 80 Вт) — Funkgerat Юг mittleren Panzer-Funktrupp «Ь» с рамочной антенной и мачтовой телескопической антенной Kurbelmast «Р» высотой 9 м. Sd.Kfz.263(8-Rad) башни не имел. Конфигурация корпуса также была изменена по сравнению с Sd.Kfz.231. ![]() Двигатель Biissing-NAG L8V-GS ![]() Ведущий мост шасси GS Вместо башни монтировалась неподвижная рубка, составлявшая с корпусом единое целое. Боевое отделение Sd.Kfz.263 отличалось сравнительно большим объемом, достаточным для того, чтобы разместить мощную радиостанцию и пять членов экипажа (в том числе двух радистов). Штатное вооружение Sd.Kfz.263 (8-Rad) состояло из одного пулемета MG 34, предназначавшегося исключительно для самообороны. Пулемет размещался в шаровой установке в правой части лобового листа корпуса. Боекомплект к пулемету первоначально составлял 1050 патронов, позднее его сократили до 750 патронов. Всего было выпущено 240 броневиков Sd.Kfz.263(8-Rad). После начала войны в конструкцию машин внесли ряд изменений. Опыт боев показал, что бронирование их явно недостаточно. Лобовая броня толщиной 15 мм не защищала броневики даже от противотанковых ружей. Поэтому у Sd.Kfz.231 и Sd.Kfz.232 с 1941 года толщину лобовой брони увеличили до 30 мм. Ранее выпущенные машины с марта 1940 года начали получать так называемый PakschQtz — своего рода карман из двух бронелистов толщиной 8 — 10 мм, смонтированный спереди на расстоянии 60 см от лобовой брони. Помимо функций дополнительной защиты, карман можно было использовать для транспортировки дополнительных грузов. В Северной Африке, например, в нем часто перевозили канистры с водой. Иногда «пакшутцы» ставили даже на Sd.Kfz.263. Кроме того, Sd.Kfz.231 и 232 стали оснащать броневой планкой, защищавшей погон башни от заклинивания. В 1940 году на машины начали ставить новые 20-мм пушки KwK 38, отличавшиеся от KwK 30 лучшей баллистикой. Новое орудие устанавливали в маске, имевшей несколько иную конструкцию, чем прежде. Первоначально броневики Sd.Kfz.231 (8-Rad) не оснащались радиостанцией. Но с февраля 1940 года их стали оборудовать радиостанцией Fu Spr Ger «а» со штыревой антенной. С 1940 года на Sd.Kfz.232(8-Rad) радиостанции Fu Spr Ger 11 заменяли на Fu 7 и Fu 8. В 1942 году вместо рамочной антенны машины этого типа получили штыревую антенну с «метелкой». Иногда такие антенны устанавливали и на Sd.Kfz.263. Единственной модификацией бронеавтомобиля Sd.Kfz.231 (8-Rad), появившейся в ходе Второй мировой войны, стал вариант Sd.Kfz.233 — schwerer Panzerspahwagen (7,5 cm). Поскольку он не имел шестиколесного аналога, уточнение 8-Rad для него не применялось. ![]() Установка вооружения в башне бронеавтомобиля Sd.Kfz.231 (8-Rad): 1 — маска пушки; 2 — люлька 20-мм пушки; 3 — маховик горизонтального наведения; 4 — сиденье наводчика; 5 — люлька пулемета MG34; 6 — противовес спаренной установки; 7 — спусковая педаль пулемета; 8 — спусковая педаль пушки; 9 — поворотный механизм башни ![]() Новенький Sd.Kfz.263 во дворе завода в Эльбинге История его создания такова. Вскоре после начала войны выяснилось, что вооружение разведывательного бронеавтомобиля, ограниченное лишь 20-мм пушкой, явно не достаточно. Кроме того, разведывательные батальоны по причине их высокой мобильности стали часто использоваться в качестве передовых отрядов, рискуя при этом столкнуться с бронетехникой или организованной обороной пехотных частей противника. Разведподразделениям требовалась огневая поддержка, но взвод 75-мм легких пехотных буксируемых орудий, входивший в состав разведывательного батальона, с этой задачей не вполне справлялся. Проблему удалось решить во второй половине 1942 года, когда на базе Sd.Kfz.231 (8-Rad) была создана машина артиллерийской поддержки. Бронеавтомобиль вооружили короткоствольными 75-мм пушками KwK 37 фирмы Rheinmetall-Borsig, которые устанавливались на танки Pz.IV, выпускавшиеся до весны 1942 года. Длина ствола пушки составляла 24 калибра, она имела вертикальный клиновой затвор и электроспуск. В ее боекомплект входили 32 выстрела с дымовыми (масса 6,21 кг, начальная скорость 455 м/с), осколочно-фугасными (5,73 кг, 450 м/с), бронебойными (6,8 кг, 385 м/с) и кумулятивными (4,44 кг, 450...485 м/с) снарядами. Башню с машины демонтировали, а боевое отделение сделали открытым. Пушка устанавливалась в лобовом листе боевого отделения справа. Сектор обстрела ограничивался 12° вправо и влево. Угол возвышения колебался в диапазоне от-10° до +12°. Вспомогательное вооружение машины состояло из одного 7,92-мм пулемета MG 34, устанавливавшегося над боевым отделением. Станок пулемета позволял вести огонь как по наземным, так и по воздушным целям. Боекомплект к пулемету составлял 1500 патронов. Как и в других восьмиколесных бронеавтомобилях, внутри боевого отделения Sd.Kfe.233 перевозились один пистолет-пулемет МР40 и несколько ручных гранат. К передним крыльям крепили по четыре дымовые шашки. |
![Иллюстрация к книге — Бронеавтомобили вермахта [img_35.jpg] Иллюстрация к книге — Бронеавтомобили вермахта [img_35.jpg]](img/book_covers/077/77224/img_35.jpg)
![Иллюстрация к книге — Бронеавтомобили вермахта [img_36.jpg] Иллюстрация к книге — Бронеавтомобили вермахта [img_36.jpg]](img/book_covers/077/77224/img_36.jpg)
![Иллюстрация к книге — Бронеавтомобили вермахта [img_37.jpg] Иллюстрация к книге — Бронеавтомобили вермахта [img_37.jpg]](img/book_covers/077/77224/img_37.jpg)
![Иллюстрация к книге — Бронеавтомобили вермахта [img_38.jpg] Иллюстрация к книге — Бронеавтомобили вермахта [img_38.jpg]](img/book_covers/077/77224/img_38.jpg)