Онлайн книга «Броневой щит Сталина. История советского танка 1937-1943»
|
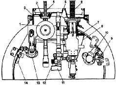
Для наблюдения за полем боя служили перископические оптические приборы: три у водителя в лобовом щитке и скуловых листах подбашенной коробки и два у командира в бортах башни. Смотровые приборы комплектовались 10 запасными блоками. В разведке для ориентации на воде и в тумане служил магнитный компас КП московского завода "Авиаприбор". Первый выпущенный танк Т-40 был вооружен спаренной установкой 12,7-мм крупнокалиберного пулемета ДК (на последующих устанавливался 12,7-мм пулемет ДШКТ обр. 1938/40 гг.) и 7,62-мм пулемета ДТ с оптическим прицелом ТМФП. Большая часть боекомплекта пулемета (9 лент по 50 патронов) находилась в кольцевом желобе под башней, запасная лента находилась в коробке в боевом отделении. Размещение вооружения в башне танка Т-40, 1940 г. ![]() На прототипах был установлен импортный бензиновый двигатель "Додж", однако на танках первой серии Т-40 начали комплектовать шестицилиндровой отечественной версией указанного "Доджа", освоенного в СССР под индексом ГАЗ-202 (танковый вариант мотора ГАЗ-11). Серийный танк Т-40 был оборудован индивидуальной торсионной подвеской, которая состояла применительно к одному борту из четырех опорных, трех поддерживающих катков, направляющего и ведущего колес. При этом выход из строя одного из опорных катков и даже одновременно двух средних (на борт), равно как и поломка их торсионов, не мешали с определенными ограничениями продолжать движение и либо выполнить боевую задачу, либо выйти из боя и вернуться на ремонт, что значительно повышало живучесть боевой машины. Были усилены уплотнения подшипников катков, которые больше не ограничивали их долговечность. Мелкозвенчатая гусеничная цепь Т-40 состояла из 87 траков шириной 260 мм, шаг трака 98 мм, из износостойкой стали Гартфильда и обеспечивала хорошую проходимость по слабым грунтам. Она имела пониженную вибрацию и соответственно – шум, важный показатель для разведывательного танка. Снижению шума способствовали и резиновые бандажи на всех катках, в том числе и поддерживающих. Штампованный и закаленный однорядный венец ведущей звездочки с цевочным зацеплением был выполнен съемным и легко заменялся при износе. Удачно сконструированные катки и траки гусениц впоследствии без особых изменений использовались на более тяжелых танках Т-60 и Т-70. 1.7. Неплавающие разведчики В конце 1937 г., видимо после принятия решения о недостаточной боевой ценности танка Т-38 и памятуя об итогах испытаний Т-43, начальник АБТУ Бокис дал задание временно исполняющему обязанности начальника КБ завода № 185 Россе (С. Гинзбург был отстранен от работ в начале года) проработать эскизный проект неплавающего разведывательного танка "для проведения дальней разведки и осуществления глубоких рейдов конно-механизированных групп". Тактико-технические требования предусматривали создание легкого двухместного колесно-гусеничного танка массой не свыше 8 т с компоновкой по типу танков БТ – Кристи с вооружением из 12,7-мм крупнокалиберного пулемета ДК, спаренного с 7,62-мм пулеметом ДТ и боекомплектом соответственно 500 и 2500 патронов. В январе 1938 г. по ходатайству начальника АБТУ Д. Павлова вооружение танка должно было быть усилено путем установки 45-мм полуавтоматической пушки или 37-мм автоматической пушки, причем в случае установки полуавтомата экипаж должен был быть увеличен до трех человек. Боекомплект танка должен был состоять из 61 выстрела для 45-мм пушки и 1300 патронов к пулемету. КБ завода № 185 выполнило два проекта по теме "Замок", в качестве прототипа которых использовался шведский танк "Ландсверк-30". Компоновка танка La-30, найденная в переписке по проекту "Замок". ![]() Первый шел под условным индексом Т-51. В нем был сохранен процесс перехода с гусениц на колеса, как у прототипа, – опусканием специальных рычагов с колесами без выхода человека. Однако после корректировки требований к танку, сделавших его трехместным (решено было сохранить дублирующее управление у заряжающего), и усиления его вооружения до уровня БТ колесный ход по типу "Ландсверка" реализовать оказалось уже невозможным. Кроме того, трансмиссия колесного привода танка была чрезмерно сложной. Поэтому вскоре работы по теме "Замок" велись уже над танком Т-116, в котором "переобувание" производилось по типу БТ – снятием гусеничных цепей. Проект танка Т-116 (реконструкция М.Павлова). ![]() В указанных типах танков предполагалось использовать авиационный двигатель воздушного охлаждения мощностью 270 л.с., агрегаты трансмиссии колесно-гусеничных танков ПТ-1 и Т-29. Броневая защита танка из листов цементованной брони толщиной 13-15 мм для вертикальных и 8 мм для горизонтальных листов должна была обеспечить защиту от поражения 12,7-мм пулеметом на дальности от 200 м. Проект нравился, но… "создать в пределах 8 тонн танк, равный БТ, будет подобно чуду", – писал в АБТУ И. Бушнев. И оказался прав. Чуда не произошло. 1.8. Лебединая песня Т-26 Дань традиции Уже отмечалось, что если рождение Т-26 сразу поставило его в особые условия – наиболее сильного среди танков малой массы, то уже в 1935-1936 гг. положение радикально переменилось. В разных странах появились модели сходной боевой массы (около 10 т), имевшие сравнительную подвижность при сходной или лучшей броневой защите при несколько более слабом вооружении. Наиболее интересными, с точки зрения советских специалистов, как уже отмечалось, стали чехословацкие танки "Прага" (Lt. vz. 34), "Шкода" (S-IIa), японский "Ха-Го", французские "Рено" (R 35), "Гочкис" (H 35), "Форж и Шантье" (FCM 36). Общий вид танка "Шкода" (Skoda-IIa) выпуска 1936 г. ![]() В программе модернизации танка Т-26 на 1937-1938 гг. остались пункты, продиктованные опытом войсковой эксплуатации, а также боев в Испании: – поднять мощность двигателя до 105-107 л.с; – усилить подвеску танка; – довести боекомплект танка до 204 снарядов и 58 пулеметных дисков; – улучшить броневую защиту корпуса и башни установкой цементованных броневых листов толщиной 20-22 мм, преимущественно под наклоном; – улучшить возможности эвакуации из танка под обстрелом. |
![Иллюстрация к книге — Броневой щит Сталина. История советского танка 1937-1943 [pic_24.jpg] Иллюстрация к книге — Броневой щит Сталина. История советского танка 1937-1943 [pic_24.jpg]](img/book_covers/075/75584/pic_24.jpg)
![Иллюстрация к книге — Броневой щит Сталина. История советского танка 1937-1943 [pic_25.jpg] Иллюстрация к книге — Броневой щит Сталина. История советского танка 1937-1943 [pic_25.jpg]](img/book_covers/075/75584/pic_25.jpg)
![Иллюстрация к книге — Броневой щит Сталина. История советского танка 1937-1943 [pic_26.jpg] Иллюстрация к книге — Броневой щит Сталина. История советского танка 1937-1943 [pic_26.jpg]](img/book_covers/075/75584/pic_26.jpg)
![Иллюстрация к книге — Броневой щит Сталина. История советского танка 1937-1943 [pic_27.jpg] Иллюстрация к книге — Броневой щит Сталина. История советского танка 1937-1943 [pic_27.jpg]](img/book_covers/075/75584/pic_27.jpg)