Онлайн книга «Легкие танки семейства Т-40. «Красные» разведчики»
|
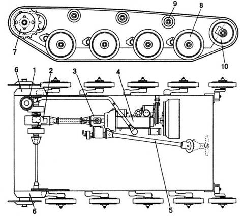
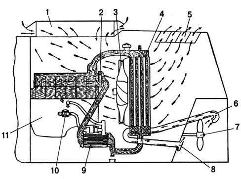
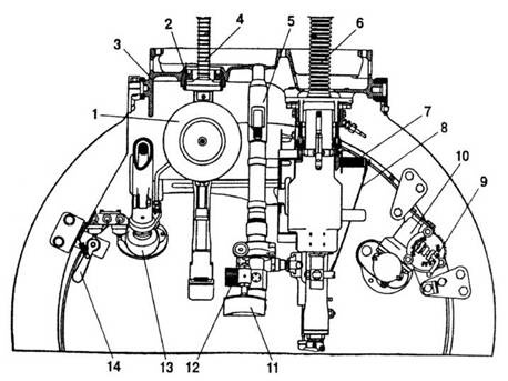
– преодолеваемые препятствия: подъемы не менее 40 градусов, вертикальная стенка – 0,7 м, перекрываемый ров – 2-2,5 м. ![]() Схема гусеничного шасси плавающего танка Т-40. Схема шасси: 1 – воздухоочиститель, 2 – главная передача, 3 – коробка передач, 4 – двигатель, 5 – привод винта, 6 – бортовые передачи, 7 – ведущее колесо, 8 – опорный каток, 9 – поддерживающий каток, 10 – направляющее колесо. Проектирование нового танка поручили КБ завода № 37 под руководством Н.А. Астрова. В ходе работ по созданию новой боевой машины, получившей заводской индекс 101, инженеры столкнулись с рядом проблем, связанных с тем, что при соблюдении заданных параметров уложиться в ТТХ было невозможно. Кроме того, дизельного двигателя требуемой мощности в Советском Союзе не выпускалось. Поэтому одновременно с работами по машине Т-39 завод № 37 получил задание на разработку дизельных двигателей мощностью 180 и 200 л.с., получивших обозначение Д-180 и Д-200 соответственно. ![]() ![]() Фотографии опытного танка 010 (образец №6/2 с подвеской по типу тягача «Комсомолец») во время испытаний на полигоне. НИБТ полигон, июль 1939 года. По плану проект танка Т-39 должен был быть готов к октябрю 1937 года. Однако помощник начальника АБТУ РККА бригадный инженер Свиридов, посетивший завод, в своем письме от 3 июля сообщал: «Состояние работ говорит, что за 5 месяцев со дня заключения договора ничего не сделано, нет даже эскизного проекта. Работа ведется одним человеком, в работе КБ наблюдается растерянность и разбросанность. Основные силы КБ (около 7 человек) раскинуты на инициативные работы завода – гусеничный плавающий танк и гусеничный сухопутный танк с мотором ЗИС-101. По своим тактико-техническим характеристикам эти танки не удовлетворяют требованиям армии. Работы по изготовлению опытных образцов двигателей Д-180 и Д- 200 для разведывательных танков не ведутся, ставя под угрозу выпуск опытных образцов». Проект нового танка был готов в декабре 1937 года и направлен на рассмотрение в АБТУ РККА. В своей пояснительной записке к проекту Н. Астров писал: «Предлагаемый эскизный проект является попыткой в возможно полной мере удовлетворить выданным требованиям. Однако совмещение всех перечисленных выше требований в одной машине в полном объеме оказалось невыполнимым. В ряде величин проект отступает от требований, являясь, таким образом, компромиссным решением поставленной задачи». ![]() Схема устройства гребного винта плавающего танка Т-40. Гребной винт: 1 – карданный вал, 2 – кожух карданного вала, 3 – колпак кардана, 4 – корпус винта, 5 – вал гребного винта, 6 – карданный шарнир, 7 – шпонка вала. Проект машины 101 (Т-39) представлял собой танк массой 7-7,5 т с броней толщиной 6-13 мм. Из-за сильно возросшей массы танка (по сравнению с заданной в тактико-технических требованиях) конструкторы отказались от создания плавающей машины и ограничились только колесно-гусеничным ходом. Ввиду отсутствия дизеля подходящей мощности в качестве двигателя предполагалось использовать звездообразный авиамотор МГ-31Ф в 250 л.с., спроектированный в НИИ ГВФ под руководством М. Косова (МГ-31Ф выпускались малой партией и использовались главным образом на экспериментальных образцах самолетов). Воздух для охлаждения засасывался через боковые карманы корпуса в трансмиссионное отделение и, «проходя мимо цилиндров мотора, выдувался в прямоугольное отверстие за башней, перекрытое броневыми жалюзи, управляемые из танка и защищенные сеткой». Горючее размещалось в трех бензобаках: вдоль бортов и под полом боевого отделения. Вооружение танка состояло из 12,7-мм пулемета ДК и 7,62-мм ДТ в башне. Боекомплект размещался на стенках и полу боевого отделения и в отделении управления рядом с водителем. Большая часть боекомплекта к пулемету ДК укладывалась в специальном кольцевом желобе под погоном башни, который при повороте башни вращался вместе с ней. ![]() Схема охлаждения двигателя плавающего танка Т-40. Схема охлаждения двигателя: 1 – воздухоприток, 2 – водяной насос, 3 – вентилятор, 4 – радиатор, 5 – жалюзи, 6 -входной патрубок для забортной воды, 7 – гребной винт, 8 – выходное отверстие для забортной воды, 9 – масляный радиатор, 10 – масляный насос, 11 – двигатель. При проектировании бронекорпуса танка Т-39 конструкторы использовали опыт работ по опытной машине Т-43-2, однако бортовые листы пришлось расположить вертикально: «Наклонные борта, вызывая серьезное утяжеление подвески и корпуса, требовали значительного (до 300 мм) уширения корпуса, не говоря уже об усложнении танка. Вместе с тем, возможные углы наклона листов равны 12-15 градусам и только частично – больше. Таким образом, повышение пулестойкости, достигаемое ими, нельзя назвать значительным». Комиссия АБТУ РККА, рассмотревшая проект Т-39, пришла к выводу, что он не удовлетворяет требованиям, предъявляемым для легкого разведывательного танка. Основным недостатком было признано отсутствие возможности преодолевать водные преграды на плаву. Поэтому в апреле 1938 года АБТУ РККА выдало тактико-технические требования на разработку нового плавающего разведывательного танка. Согласно заданию, КБ завода № 37 должно было спроектировать машину массой не более 4,8 т, с экипажем из двух человек, имевшую броню до 13 мм и вооруженную 12,7- и 7,62-мм пулеметами. Из-за отсутствия дизельного двигателя подходящей мощности предполагалось использовать импортный автомобильный двигатель «Додж», серийное производство которого под индексом ГАЗ-11 должен был наладить Горьковский автомобильный завод. ![]() Схема установки вооружения (12,7-мм пулемет ДШК; 7,62-мм пулемет ДТ) в башне легких танков семейства Т-40. Установка вооружения: 1 – магазин пулемета ДТ, 2 – шаровая установка, 3 – маска, 4 – пулемет ДТ, 5 – оптический прицел ТМФП, 6 – пулемет ДШК, 7 – рукоятка перезаряжания, 8 – ремень рукоятки, 9 – рычажок выключения поворотного механизма, 10 – поворотный механизм башни, 11 – налобник, 12 – маховичок, 13 – подъемный механизм маски, 14 – рукоятка стопора башни. |
![Иллюстрация к книге — Легкие танки семейства Т-40. «Красные» разведчики [pic_8.jpg] Иллюстрация к книге — Легкие танки семейства Т-40. «Красные» разведчики [pic_8.jpg]](img/book_covers/074/74451/pic_8.jpg)
![Иллюстрация к книге — Легкие танки семейства Т-40. «Красные» разведчики [pic_9.jpg] Иллюстрация к книге — Легкие танки семейства Т-40. «Красные» разведчики [pic_9.jpg]](img/book_covers/074/74451/pic_9.jpg)
![Иллюстрация к книге — Легкие танки семейства Т-40. «Красные» разведчики [pic_10.jpg] Иллюстрация к книге — Легкие танки семейства Т-40. «Красные» разведчики [pic_10.jpg]](img/book_covers/074/74451/pic_10.jpg)
![Иллюстрация к книге — Легкие танки семейства Т-40. «Красные» разведчики [pic_11.jpg] Иллюстрация к книге — Легкие танки семейства Т-40. «Красные» разведчики [pic_11.jpg]](img/book_covers/074/74451/pic_11.jpg)
![Иллюстрация к книге — Легкие танки семейства Т-40. «Красные» разведчики [pic_12.jpg] Иллюстрация к книге — Легкие танки семейства Т-40. «Красные» разведчики [pic_12.jpg]](img/book_covers/074/74451/pic_12.jpg)
![Иллюстрация к книге — Легкие танки семейства Т-40. «Красные» разведчики [pic_13.jpg] Иллюстрация к книге — Легкие танки семейства Т-40. «Красные» разведчики [pic_13.jpg]](img/book_covers/074/74451/pic_13.jpg)