Онлайн книга «Танки Первой Мировой»
|
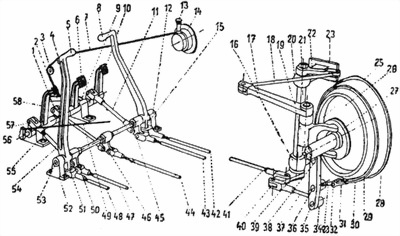
Далеко не сразу удалось решить вопрос с типом башни. Прототип «Рено» FT имел литую башню со сферическим наблюдательным «куполом», выполненным заодно с крышей башни. «Купол» уже в первых серийных танках пришлось заменить цилиндрическим колпаком с пятью смотровыми щелями и грибовидной откидывающейся крышкой. Кроме упрощения изготовления, это еще и улучшило вентиляцию. Смотровые щели выполнялись также в створках башенного люка, а в клепаных башнях — и в передних скулах, хотя здесь от них было больше вреда, чем пользы. Пришлось далее упрощать и саму башню. «Рено» по собственной инициативе оснастила первые 100 машин восьмигранной клепаной башней. Испытания показали ее полную пригодность, причем оказалось, что пушку и пулемет можно устанавливать в одинаковые башни с соответствующими изменениями установки. Правда, разработка установки пушки потребовала немало времени, и пушечный «Рено» прошел испытания 10–17 июля 1917 г. «Универсальная» башня, приспособленная для установки пушки или пулемета, пошла в серию и получила название «омнибус» (omnibus по-латыни — «для всех»). Башня диаметром 1,07 м устанавливалась на шаровой погон, для ее опоры на бортах корпуса приклепывались короткие скобы. ![]() Установка 37-мм пушки «Гочкис» («Пюто») в башне «Рено» FT-17 (Char Canon 37 mm). Третий и последний вариант башни имел все же коническую форму, которую Рено предполагал изначально, надеясь на ее лучшую бронестойкость. Теоретически это было так, но качество катаной плоской брони было тогда выше, чем литой или кованой, так что восьмигранная башня демонстрировала лучшую стойкость против бронебойных пуль, чем коническая. Эта башня изготавливалась фирмой «Южин» (Acieries Paul Girod, Ugine) клепкой из литых и кованых деталей. Производство ее установили уже в 1918 г. Ее ставили в основном на танки производства самой «Рено», но «Южин» поставляла такие башни и другим производителям. Танки с литыми коническими башнями появились в 1918 г., из-за чего их иногда именуют FT-18, хотя в остальном это были все те же FT-17 (далее, во избежание путаницы, будет использоваться обозначение «Рено» FT). Толщина броневых листов клепаной башни составляла 16 мм, литая башня имела толщину брони до 22 мм. В целом «Рено» FT давал экипажу неплохую по тем временам защиту. 37-мм танковая пушка SA18 «Гочкис» («Пюто»), как и 37-мм пехотная Mle 1916 T.R., была выполнена на основе старой морской. Танковая пушка имела длину ствола 21 калибр, нарезной части — 15 калибров, полуавтоматический вертикальный клиновый затвор, пружинные противооткатные устройства, литой кожух люльки, пистолетную рукоятку управления, телескопический прицел. Для установки в башню пушка крепилась в полусферическом щите, который своими горизонтальными цапфами опирался в гнезда поворотного вертикального щита. Такая «цилиндрическая» установка допускала диапазон углов наведения в вертикальной плоскости от -20 до +35°. Стрельба из пушки велась унитарными выстрелами с чугунной (435 г) или стальной (560 г) осколочной гранатой, снаряженной мелинитом, либо бронебойным снарядом (510 г). Начальные скорости снарядов — соответственно 402, 367 и 390 м/с. Дальность стрельбы — до 2400 м, однако видимость из танка позволяла стрелять не далее 800 м. Бронебойный снаряд мог пробивать 12-мм броню на дальности до 500 м. Для самообороны вблизи танка служил картечный выстрел, действительный на дальности до 75—100 м. Боевая скорострельность — до 10 выстр./мин. Трубка оптического прицела защищалась стальным кожухом. Стрелок с помощью наплечников усилием плеч и спины поворачивал башню, производя грубую наводку, после чего с помощью плечевого упора пушки поворачивал ее на цель. Аналогично производилась наводка и в пулеметном варианте танка, углы наведения пулемета в вертикальной плоскости составляли от -20 до +35°. ![]() Органы управления танка «Рено» FT: 1, 2 — защелка стопора тормозной педали, 3, 7 — трос стопора, 5 — левый рулевой рычаг, 6, 58 — тормозная педаль, 8 — правый рулевой рычаг, 10 — педаль акселератора, 11 — тяга, 12 — поводок, 15 — рычаг поворота, 17 — рычаг, 19 — рычаг сцепления, 20 — подшипник, 21 — вертикальная ось, 22, 23 — рычат, 25, 26 — конус сцепления, 27 — нажимная шайба, 28 — тормозной барабан, 29 — коробка, 30, 31 — тормозная лента, 36 — шарнир, 37 — тормозная тяга, 38 — ось рычага, 39 — ферродо, 41, 42, 43 — тяги, 49 — трос управления акселератором. В отличие от британцев, выбравших в конце концов танковый пулемет на основе ручного «Гочкис» Mle 1909, французы ставили в пулеметные «Рено» FT-17/18 тело своего «длинного» 8-мм станкового пулемета «Гочкис» Mle 1914, использовавшегося в пехоте. Размеры пулемета затрудняли действия стрелка в башне, а установка коробки с лентой составила большую проблему. Изготовлено 2100 пулеметных танков. Боекомплект выстрелов к пушке (20 осколочных, 25 бронебойных и 12 картечных) или патронов (4800 патронов — 50 лент по 98 патронов) размещался на днище и на стенках боевого отделения. Четырехцилиндровый рядный карбюраторный двигатель «Рено» (Renault 18CV) устанавливался по оси машины, имел диаметр цилиндров 95 мм, ход поршня 160 мм, карбюратор типа «Зенит», зажигание от магнето, регулятор числа оборотов, запускался заводной ручкой изнутри или снаружи (с кормы) машины. При 800 об/мин двигатель развивал мощность 20 л.с., при 1000 оборотах — 27 л.с., при 1500 — 39 л.с. Топливный бак размещался впереди двигателя у перегородки. Подача бензина производилась насосом с мембраной или пульсатором, а на больших уклонах потреблялся бензин из дополнительного бачка. Жидкостное охлаждение выполнялось по термосифонной схеме, трубчатый радиатор обдувался вентилятором, обеспечивавшим также вентиляцию обитаемого объема. На прототипе имелись бортовые жалюзи в задней части корпуса охлаждения, но серийные танки их утратили. Воздух засасывался через продольную щель в крыше моторно-трансмиссионного отделения, прикрытую приподнятой бронекрышей. Выхлопная труба с глушителем выводилась с правого борта. Бронекрыша и верхние наклонные листы откидывали на петлях в перед, так что доступ к двигателю был достаточно удобен. Запас топлива допускал время движения танка 8 часов, доливать же воду в радиатор приходилось значительно чаще. ![]() Узлы ходовой части танка «Рено» FT: 1 — поддерживающий ролик, 2 — пружина буфера, 3 — направляющее колесо, 4 — вилка натяжного устройства, 5 — гайка натяжного устройства, 6 — винт натяжного устройство, 7 — передний балансир, 8 — серьга рессоры, 9 — задний балансир, 10 — рессора, 11 — тележка, 12 — опорный каток, 13 — ведущее колесо, 14 — ось ведущего колеса. ![]() Сгнившие от времени деревянные части направляющего колеса танка «Рено» FT. |
![Иллюстрация к книге — Танки Первой Мировой [i_094.jpg] Иллюстрация к книге — Танки Первой Мировой [i_094.jpg]](img/book_covers/074/74398/i_094.jpg)
![Иллюстрация к книге — Танки Первой Мировой [i_095.jpg] Иллюстрация к книге — Танки Первой Мировой [i_095.jpg]](img/book_covers/074/74398/i_095.jpg)
![Иллюстрация к книге — Танки Первой Мировой [i_096.jpg] Иллюстрация к книге — Танки Первой Мировой [i_096.jpg]](img/book_covers/074/74398/i_096.jpg)
![Иллюстрация к книге — Танки Первой Мировой [i_097.jpg] Иллюстрация к книге — Танки Первой Мировой [i_097.jpg]](img/book_covers/074/74398/i_097.jpg)