Онлайн книга «У-2 / По-2»
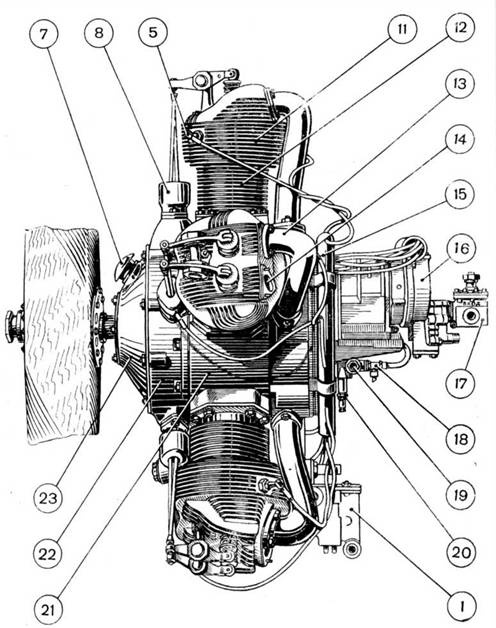
![]() С-1 ![]() С-2 ![]() С-3 с санитарной кабиной Филатова ![]() У-2 с кассетами Щербакова ![]() У-2 с кассетами Бакшаева ![]() С-2 с кассетами Бакшаева ![]() У-2Л Зусмана ![]() У-2Л Рафаэлянца (с первоначальным вариантом киля) ![]() У-2ЛС Кулика ![]() У-2ШС ![]() У-2М ![]() S-13 ![]() Югославская переделка По-2 под двигатель Valter Mikron ![]() ![]() ![]() ТЕХНИЧЕСКИЕ ДАННЫЕ САМОЛЕТА Длияа самолета 8,170 м Высота 2,900 » Максимальная высота при стоянке по концам верхг х крыльев 3,100 » Расстояние от оси самолета до земли 1,630 » Расстояние от конца лопасти винта до земли (при положении в линии полета) 0,430 » Размах верхнего крыла 11,400 » Размах нижнего крыла 10,654 » Размах горизонтального оперения 4,708 » Длина хорды верхнего крыла 1,654 » Длина хорды нижнего крыла 1,654 » Расстояние между хордами 1,777 » Относительная толщина крыльев 0,081(8,1%) Площадь нижних крыльев 15,450 м- Площадь верхних крыльев (с центропланом) 17,700 » Площадь центроплана 2,250 » Общая площадь коробки крыльев с элеронами 33,150 » Площадь элеронов 4,300 » Площадь стабилизатора 2,900» Площадь рулей высоты 2,150 » Площадь всего горизонтального сперения 5,050 » Площадь киля 0,340 » Площадь руля направления 1,330 » Площадь всего вертикального оперения 1,670 » Ширина колеи шасси 1,674 м Размер пневматиков 700 x *50 мм ПРОЧИЕ ДАННЫЕ САМОЛЕТА Нагрузка на крылья 32,6 кг/м2 Нагрузка на 1 л. с. 8,62 кг/л. с. Угол наклона оси фюзеляжа относительно земли при стоянке 14 Длина лыжи 2,200 м Ширина лыжи 0,334 Площадь опорной поверхности обеих лыж 0,890 м- РЕГУЛИРОВОЧНЫЕ ДАННЫЕ Угол установки верхнего правого крыла 4- 2° Угол установки верхнего левого крыла 2°20' Угол установки нижнего правого крыла + 2° Угол установки нижнего левого крыла + 2°20' Поперечное V' верхних крыльев + 2° Поперечное V нижних крыльев + 2° Установочный угол стабилизатора + 2° Допуск ± 10' Вынос верхнего крыла 800 мм Отклонение киля (смещение относительно оси симметрии) 0° Отклонение руля высоты от горизонтали: вниз 13° вверх 28° отклонение руля направления (вправо и влево) по 18° Отклонение элерона от хорды: вверх 23° вниз 22° Допуск ±2° МОТОР М- 11Д ![]() ВИД СПЕРЕДИ ![]() ВИД СБОКУ ![]() ВИД СЗАДИ НАИМЕНОВАНИЕ ПОЗИЦИЙ 1. Карбюратор КП-А (или Б) 2. Маслоотстойник 3. Тяги толкателей 4. Втулка пинта 5. Свечи 6. Проводники зажигания 7. Суфлер 8. Маслоуловительные колпачки 9. Коромысла 10. Пружины клапанов 11. Головка цилиндра 12. Гильза цилиндра 13. Всасывающий патрубок 14. Выхлопное окно 15. Коллектор проводов зажигания 16. Магнето БСМ-5 17. Бензиновый насос БНК-12АС 18. Штуцер для замера давления выходящего масла 19. Фильтр маслонасоса 20. Редукционный клапан маслонасоса 21. Средняя часть картера 22. Передняя крышка картера 23. Носок картера 24. Масляный насос МИМ-11 25. Штуцер термометра (2 шт.) 26. Штуцер входа бензина из бака в бензонасос 27. Бобышка для крепления мотора к мотораме (10 шт.) 28. Штуцер поступления бензина в карбюратор 29. Задняя крышка картера 30. Штуцер входа масла в нагнетающую систему 31. Штуцер входа масла в откачивающую систему 32. Вход бензина в карбюратор 33. Штуцер выхода масла из откачивающей помпы Фюзеляж ![]() ВЕРХНИЙ УЗЕЛ РАЗЪЕМА ФЮЗЕЛЯЖА И НИЖНИЙ УЗЕЛ РАЗЪЕМА ФЮЗЕЛЯЖА |
![Иллюстрация к книге — У-2 / По-2 [pic_73.jpg] Иллюстрация к книге — У-2 / По-2 [pic_73.jpg]](img/book_covers/073/73774/pic_73.jpg)
![Иллюстрация к книге — У-2 / По-2 [pic_74.jpg] Иллюстрация к книге — У-2 / По-2 [pic_74.jpg]](img/book_covers/073/73774/pic_74.jpg)
![Иллюстрация к книге — У-2 / По-2 [pic_75.jpg] Иллюстрация к книге — У-2 / По-2 [pic_75.jpg]](img/book_covers/073/73774/pic_75.jpg)
![Иллюстрация к книге — У-2 / По-2 [pic_76.jpg] Иллюстрация к книге — У-2 / По-2 [pic_76.jpg]](img/book_covers/073/73774/pic_76.jpg)
![Иллюстрация к книге — У-2 / По-2 [pic_77.jpg] Иллюстрация к книге — У-2 / По-2 [pic_77.jpg]](img/book_covers/073/73774/pic_77.jpg)
![Иллюстрация к книге — У-2 / По-2 [pic_78.jpg] Иллюстрация к книге — У-2 / По-2 [pic_78.jpg]](img/book_covers/073/73774/pic_78.jpg)
![Иллюстрация к книге — У-2 / По-2 [pic_79.jpg] Иллюстрация к книге — У-2 / По-2 [pic_79.jpg]](img/book_covers/073/73774/pic_79.jpg)
![Иллюстрация к книге — У-2 / По-2 [pic_80.jpg] Иллюстрация к книге — У-2 / По-2 [pic_80.jpg]](img/book_covers/073/73774/pic_80.jpg)
![Иллюстрация к книге — У-2 / По-2 [pic_81.jpg] Иллюстрация к книге — У-2 / По-2 [pic_81.jpg]](img/book_covers/073/73774/pic_81.jpg)
![Иллюстрация к книге — У-2 / По-2 [pic_82.jpg] Иллюстрация к книге — У-2 / По-2 [pic_82.jpg]](img/book_covers/073/73774/pic_82.jpg)
![Иллюстрация к книге — У-2 / По-2 [pic_83.jpg] Иллюстрация к книге — У-2 / По-2 [pic_83.jpg]](img/book_covers/073/73774/pic_83.jpg)
![Иллюстрация к книге — У-2 / По-2 [pic_84.jpg] Иллюстрация к книге — У-2 / По-2 [pic_84.jpg]](img/book_covers/073/73774/pic_84.jpg)
![Иллюстрация к книге — У-2 / По-2 [pic_85.jpg] Иллюстрация к книге — У-2 / По-2 [pic_85.jpg]](img/book_covers/073/73774/pic_85.jpg)
![Иллюстрация к книге — У-2 / По-2 [pic_86.jpg] Иллюстрация к книге — У-2 / По-2 [pic_86.jpg]](img/book_covers/073/73774/pic_86.jpg)
![Иллюстрация к книге — У-2 / По-2 [pic_87.jpg] Иллюстрация к книге — У-2 / По-2 [pic_87.jpg]](img/book_covers/073/73774/pic_87.jpg)
![Иллюстрация к книге — У-2 / По-2 [pic_88.jpg] Иллюстрация к книге — У-2 / По-2 [pic_88.jpg]](img/book_covers/073/73774/pic_88.jpg)
![Иллюстрация к книге — У-2 / По-2 [pic_89.jpg] Иллюстрация к книге — У-2 / По-2 [pic_89.jpg]](img/book_covers/073/73774/pic_89.jpg)
![Иллюстрация к книге — У-2 / По-2 [pic_90.jpg] Иллюстрация к книге — У-2 / По-2 [pic_90.jpg]](img/book_covers/073/73774/pic_90.jpg)
![Иллюстрация к книге — У-2 / По-2 [pic_91.jpg] Иллюстрация к книге — У-2 / По-2 [pic_91.jpg]](img/book_covers/073/73774/pic_91.jpg)
![Иллюстрация к книге — У-2 / По-2 [pic_92.jpg] Иллюстрация к книге — У-2 / По-2 [pic_92.jpg]](img/book_covers/073/73774/pic_92.jpg)