Онлайн книга «Gloster Meteor»
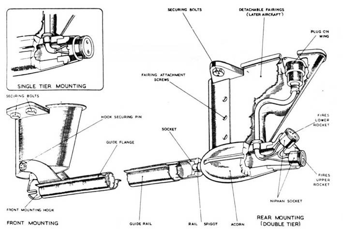
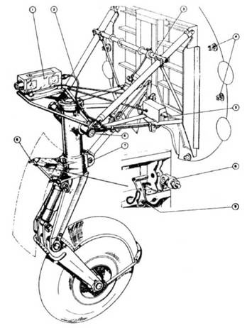
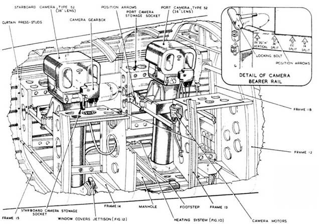
![]() Кабина U Мк 16 1. Pilot's control unit 2. Command receiver switch 3. Pilot’s control unit panel dimmer 4. Repositioned flares switch 5. Pitch camera control 6. Standby receiver switch 7. Generator switches ![]() Кабина оператора радара n mk14 1. Control unit Type 89 (IFF) 2. Hood jettison mechanical lock indicators 3. Control unit Type 90 (IFF) 4. Dimmer switch for control console lamps 5. Hood opening switch 6. Hood actuator declutching lever 7. Oxygen system regulator 8. Stowage for Rebecca visor 9. Radar console 10. Air speed indicator 11. ASI and altimeter flood lamp 12. Altimeter 13. Master indicator, gyro-magnetic compass Mk 4B 14. Press-to-transmit switch (post-MOD.5755) 15. Hood jettison handle 16. Control box (SCR.729) 17. Compass deviation card holder 18. Dimmer switch for compass master indicator flood lamp 19. Harness release 20. Altimeter 21. Chart lamp dimmer switch 22. Harness stowage 23. Hood seal pressure test connectors 24. Generator test panel trimmer 25. Generator test panel, test sockets (volts and amps) 26. Generator test panel, test sockets (volts and amps) 27. Chart lamp supply socket 28. Radar AC supply, inverter Type Dl 29. Generator failure-warning lamps 30. Phase failure indicator, three-phase AC supply 31. Flight instrument emergency switches, three-phase AC supply 32. Circuit breaker DC supply, inverter Type 200 33. Circuit breaker AC supply. SCR.729 34. Circuit breaker DC supply, SCR.729 35. Circuit breaker DC supply, VHF Set No.1 36. Circuit breaker DC supply, VHF Set No.2 37. Radar AC supply push buttons 38. Generator field circuit breakers 39. Generator reset switch 40. IFF supply socket 41 Generator test panel trimmer 42. First-aid outfit 43. Amplifier (compass) 44. Mic/tel socket 45. Control box, three-phase AC supply 46. Intercom, emergency switch 47. Compass master indicator flood lamp 48. Seat adjuster lever 49. Dimmer switch for ASI and altimeter flood lamp 50. Press-to-mute switch (foot operated) 51. Oxygen mask socket 52. Footrest 53. Chart lamp 54. Transmitter/receiver (SCR.729) 55. Control unit, gyro gunsight 56. Control unit, gyro gunsight 57. Protractor stowage 58. Radar visor 2 59. Asbestos gloves 60. Chart board (stowed) ![]() Носовая часть фюзеляжа FR Мк 9 ![]() Конструкция фюзеляжа PR Mk 10 ![]() Носовая часть фюзеляжа Т Мк 7 1 ATTACHMENT CATCHES 2 NObt wheel BULKHEAD 3 REAP SEAT BULKHEAD 4 FRONT-SPAR BULKHEAD 5 PENTHOUSE 6 REAR-PILOTS FLOOR 7 FRONT- SEAT BULKHEAD 8 FRONT-PILOTS FLOOR 9 INTERMEDIATE DIAPHRAGM 10 TOP LONGERON 11 NOSEWHEEL HOUSING 12 MAIN FORE-AND-AFT DIAPHRAGM 13 NOSE-WHEEL MOUNTING 14 BOTTOM LONGERON ![]() Фюзеляж NF Мк 11 ![]() Хвостовая часть F Мк 8 ![]() Радиокомпас NF Mk 13 ![]() Носовая часть NF Mk 14 ![]() Носовая часть F Mk 1 – 4 ![]() Центроплан F Мк 1 – 3 ![]() Центроплан F Мк 4 ![]() Направляющие для реактивных снарядов ![]() Размещение пушек в крыле NF ![]() Стойка основного шасси F Мк 8. Такие же использовались на всех "Метеорах" от Т Мк 7 до ТТ Мк 20. ![]() Носовая стойка шасси F Мк 8. Такие же исползовались на всех остальных "Метеорах". ![]() Радар NF Мк 11 ![]() Отсек модулятора и премо-передатчика радара в удлинненом носу NF Мк 14 ![]() Размещение фотокамеры F. 95 в носу FR Мк 9 ![]() Размещение фотокамеры F. 24 в носу FR Мк 9. Аналогично камера размещалась на PR Mk 10. ![]() Размещение двух фотокамер F. 52 в фюзеляже PR Mk 10 ![]() Подкрыльевой контейнер управления Мк 1 для беспилотного "Метеора" U Мк 15 ![]() Подкрыльевой контейнер управления Мк 3 для беспилотного "Метеора" U Мк 15 |
![Иллюстрация к книге — Gloster Meteor [pic_123.jpg] Иллюстрация к книге — Gloster Meteor [pic_123.jpg]](img/book_covers/073/73760/pic_123.jpg)
![Иллюстрация к книге — Gloster Meteor [pic_124.jpg] Иллюстрация к книге — Gloster Meteor [pic_124.jpg]](img/book_covers/073/73760/pic_124.jpg)
![Иллюстрация к книге — Gloster Meteor [pic_125.jpg] Иллюстрация к книге — Gloster Meteor [pic_125.jpg]](img/book_covers/073/73760/pic_125.jpg)
![Иллюстрация к книге — Gloster Meteor [pic_126.jpg] Иллюстрация к книге — Gloster Meteor [pic_126.jpg]](img/book_covers/073/73760/pic_126.jpg)
![Иллюстрация к книге — Gloster Meteor [pic_127.jpg] Иллюстрация к книге — Gloster Meteor [pic_127.jpg]](img/book_covers/073/73760/pic_127.jpg)
![Иллюстрация к книге — Gloster Meteor [pic_128.jpg] Иллюстрация к книге — Gloster Meteor [pic_128.jpg]](img/book_covers/073/73760/pic_128.jpg)
![Иллюстрация к книге — Gloster Meteor [pic_129.jpg] Иллюстрация к книге — Gloster Meteor [pic_129.jpg]](img/book_covers/073/73760/pic_129.jpg)
![Иллюстрация к книге — Gloster Meteor [pic_130.jpg] Иллюстрация к книге — Gloster Meteor [pic_130.jpg]](img/book_covers/073/73760/pic_130.jpg)
![Иллюстрация к книге — Gloster Meteor [pic_131.jpg] Иллюстрация к книге — Gloster Meteor [pic_131.jpg]](img/book_covers/073/73760/pic_131.jpg)
![Иллюстрация к книге — Gloster Meteor [pic_132.jpg] Иллюстрация к книге — Gloster Meteor [pic_132.jpg]](img/book_covers/073/73760/pic_132.jpg)
![Иллюстрация к книге — Gloster Meteor [pic_133.jpg] Иллюстрация к книге — Gloster Meteor [pic_133.jpg]](img/book_covers/073/73760/pic_133.jpg)
![Иллюстрация к книге — Gloster Meteor [pic_134.jpg] Иллюстрация к книге — Gloster Meteor [pic_134.jpg]](img/book_covers/073/73760/pic_134.jpg)
![Иллюстрация к книге — Gloster Meteor [pic_135.jpg] Иллюстрация к книге — Gloster Meteor [pic_135.jpg]](img/book_covers/073/73760/pic_135.jpg)
![Иллюстрация к книге — Gloster Meteor [pic_136.jpg] Иллюстрация к книге — Gloster Meteor [pic_136.jpg]](img/book_covers/073/73760/pic_136.jpg)
![Иллюстрация к книге — Gloster Meteor [pic_137.jpg] Иллюстрация к книге — Gloster Meteor [pic_137.jpg]](img/book_covers/073/73760/pic_137.jpg)
![Иллюстрация к книге — Gloster Meteor [pic_138.jpg] Иллюстрация к книге — Gloster Meteor [pic_138.jpg]](img/book_covers/073/73760/pic_138.jpg)
![Иллюстрация к книге — Gloster Meteor [pic_139.jpg] Иллюстрация к книге — Gloster Meteor [pic_139.jpg]](img/book_covers/073/73760/pic_139.jpg)
![Иллюстрация к книге — Gloster Meteor [pic_140.jpg] Иллюстрация к книге — Gloster Meteor [pic_140.jpg]](img/book_covers/073/73760/pic_140.jpg)
![Иллюстрация к книге — Gloster Meteor [pic_141.jpg] Иллюстрация к книге — Gloster Meteor [pic_141.jpg]](img/book_covers/073/73760/pic_141.jpg)
![Иллюстрация к книге — Gloster Meteor [pic_142.jpg] Иллюстрация к книге — Gloster Meteor [pic_142.jpg]](img/book_covers/073/73760/pic_142.jpg)
![Иллюстрация к книге — Gloster Meteor [pic_143.jpg] Иллюстрация к книге — Gloster Meteor [pic_143.jpg]](img/book_covers/073/73760/pic_143.jpg)
![Иллюстрация к книге — Gloster Meteor [pic_144.jpg] Иллюстрация к книге — Gloster Meteor [pic_144.jpg]](img/book_covers/073/73760/pic_144.jpg)
![Иллюстрация к книге — Gloster Meteor [pic_145.jpg] Иллюстрация к книге — Gloster Meteor [pic_145.jpg]](img/book_covers/073/73760/pic_145.jpg)