Книга Ту-2 Часть 2, страница 10 – Сергей В. Иванов

Авторы: А Б В Г Д Е Ж З И Й К Л М Н О П Р С Т У Ф Х Ч Ш Ы Э Ю Я
Книги: А Б В Г Д Е Ж З И Й К Л М Н О П Р С Т У Ф Х Ц Ч Ш Щ Ы Э Ю Я
Бесплатная онлайн библиотека LoveRead.ec

Онлайн книга «Ту-2 Часть 2»

📃 Cтраница 10

Вооружение бомбардировщика подразделяется на бомбовое и стрелковое. В нормальном варианте самолет берет до 1000 кг бомб, в перегруз — до 2000 кг. В исключительных ситуациях, когда цель находится недалеко от аэродрома, самолет может брать до 3000 кг бомб ценой резкого снижения дальности полета. Бомбы подвешиваются внутри бомбового отсека и на внешней подвеске по бокам фюзеляжа. Конструкция бомбовой камеры позволяет сбрасывать бомбы, как из горизонтального, так и из пикирующего полета. Для прицеливания при горизонтальном бомбометании служит прицел ОПБ-IP или ОПБ-1Д (с 24-й серии), а при бомбометании из пикирования — прицел ПБП-1, который одновременно используется при наведении пушек.

В рамках нормальной бомбонагрузки самолет может брать:

Одну 1000-кг бомбу (ФАБ-1000, БРАВ-1000) в бомбовый отсек;

Две 500-кг бомбы (ФАБ-500, БРАБ-500) одну в бомбовый отсек, другую на внешнюю подвеску;

Четыре 250-кг бомбы, в случае ФАБ-250 две в бомбоотсек, две на внешнюю подвеску, в случае ФАБ-25 °CК — все в бомбоотсек;

Шесть бомб БРАБ-220 (четыре в бомбоотсек, две на внешнюю подвеску);

Четыре бомбы БРАБ-ДС-150 (две внутри, две снаружи);

Девять бомб ФАБ-100 в бомбоотсек.

В перегруз самолет мог нести в дополнение к бомбам в бомбоотсеке одну-две бомбы массой 250-1000 кг на внешней подвеске. Бомбы массой более 200 кг подвешивались с помощью двух ручных лебедок БЛ-4.

Стрелковое вооружение состоит из двух неподвижных пушек ШВАК калибра 20 мм и трех подвижных 12,7-мм пулеметов УБ системы Березина. Пушки установлены в центроплане у фюзеляжа и направлены вперед. Боекомплект 150 выстрелов на ствол. Спуск пушек производит пилот.

Пулемет УБТ, установленный в передней кабине, обслуживает штурман. Сектор обстрела пулемета 45° влево и вправо, 90° вверх и 10° вниз. На самолетах до 47-й серии пулемет стоял на станке БУШ-1, оснащался прицелом К-8Т и имел боекомплект 190 выстрелов. С 48-й серии начали использовать станок ВУС-1, прицел К-8Т оснастили системой стабилизации ОМП-6, а боекомплект сократили до 170 выстрелов.

Иллюстрация к книге — Ту-2 Часть 2 [pic_90.jpg]

Подвеска больших бомб под крыло с помощью двух лебедок БЛ-4.

Иллюстрация к книге — Ту-2 Часть 2 [pic_91.jpg]

Подвеска 250-кг бомб под крыло с помощью одной лебедки БЛ-4.


Пулемет УБ стрелка-радиста имел сектор обстрела 110° вправо и 105° влево, 65°-70° вверх и 15° вниз. На самолетах до 44-й серии использовался станок ВУБ-2М, а позже ВУБ-68. Прицел К-8Т или К-20Т со стабилизатором ОМП-6 или ОМП-7. На самолетах завода № 166 использовали станок ВЕУ-1 с электроприводом. Боекомплект 250 выстрелов.

Пулемет УБТ нижнего стрелка имел сектор обстрела 23° влево и вправо, 45° вниз и 1° вверх. До 49-й серии использовался станок ЛУ-Пе-2 (с самолета Пе-2), боекомплект 300 выстрелов. Потом начали использовать станок ЛУ-68, прицел ОП-2Л, а боекомплект увеличили до 350 выстрелов.

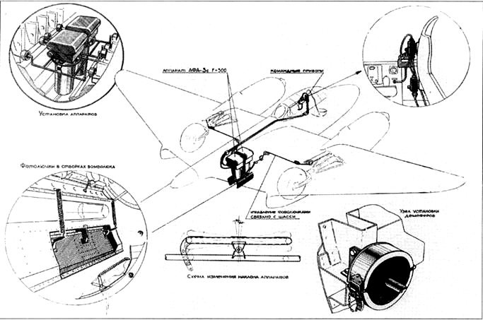
Для регистрации результатов стрельбы служили фотопулеметы ПАУ-22, устанавливаемые с 52-й серии на местах стрелков, а начиная с 57-й серии, и на месте пилота.

Иллюстрация к книге — Ту-2 Часть 2 [pic_92.jpg]

Установка фотоаппаратов АФА-ЗС


Тактико-технические данные самолетов Ту-2, полученные в ходе испытаний

Машина № 100308 завод № 23 № 100716 завод № 23 № 38/47 завод № 23 № 04/07 завод № 166 № 10033905 Завод № 39 № 10053915 завод № 39
Дата испытания 13.09–28.11.42 04.09 — 16.12.43 1946 29.01 — 05.04.48 04.03 — 25.04.49 05.49
Сухая масса, кг 7601 7474 8404 8467
Нормальная взлетная масса, кг 10538 10360 10960 11030 11450 11585
Макс. скорость, км/ч 521 547 550 535 550 549
На высоте, м 3200 5400 5460 5700 5700 5500
Скороподъемность на 5000 м, мин 10,2 9,5 10,3 11,2 11 10,8
Потолок, м 9000 9500 9350 9200 9000 9000
Разбег, м 450 415 465 504
Пробег, м 545 675 875 500
Дальность, км 2020 2100 2250 2650 2180 1950

Реклама
Вход
Поиск по сайту
Ищем:
Календарь