Книга Полный справочник пчеловода, страница 31 – Валерий Корж

Авторы: А Б В Г Д Е Ж З И Й К Л М Н О П Р С Т У Ф Х Ч Ш Ы Э Ю Я
Книги: А Б В Г Д Е Ж З И Й К Л М Н О П Р С Т У Ф Х Ц Ч Ш Щ Ы Э Ю Я
Бесплатная онлайн библиотека LoveRead.ec

Онлайн книга «Полный справочник пчеловода»

📃 Cтраница 31

Под эти стандартные размеры рамок промышленность выпускает стандартные листы вощины из такого расчета, чтобы вощина ставилась в рамки без дополнительной подрезки. В настоящее время выпускаются три типоразмера вощины: для рамок Дадана — Блатта и «Украинской», для рамок Лангстрота — Рута и магазинной полурамки.

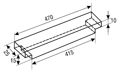
Существует множество конструкций рамок, способов их скрепления, вариантов натягивания проволоки и закрепления вощины. Однако внешние размеры любой рамки ограничиваются внутренними размерами стандартного улья соответствующего типа, а внутренние размеры рамки связаны с размерами стандартного листа вощины. По этим причинам составляющие элементы рамки (планки) должны тоже иметь вполне определенные размеры. Кроме того, на размеры рамки оказывают влияние и биологические особенности пчелы. Так, например, ширина верхнего бруска и боковых планок — 25 мм — определяется тем, что в естественных условиях пчелы строят соты именно такой толщины.

Длина верхнего бруска любой стандартной рамки (рис. 14) должна быть равна 470 мм. Если этот размер окажется бо́льшим, чем указанное значение, то такая рамка не будет входить в корпус заводского улья и ее нельзя будет поставить в любой другой улей со стандартными размерами. Допускается уменьшение этого размера, но не более чем на 1–2 мм.

Иллюстрация к книге — Полный справочник пчеловода [i_025.jpg]

Рис. 14. Верхний и нижний бруски рамки


На практике толщину верхнего бруска пчеловоды выбирают в широких пределах — от 10 до 25 мм, в зависимости от типа рамки и своих пристрастий. Хотя на съезде в Киеве для всех рамок (кроме магазинной полурамки) этот размер был принят равным 18 мм, многие пчеловоды полагают, что для рамки Дадана этого маловато, и делают толщину 25 мм.

Боковая планка

Длина ее определяется вертикальным размером (высотой) рамки, а ширина у всех рамок — 25 мм. Некоторые пасечники предпочитают боковую планку с разделителем Гофмана шириной 37,5 мм в ее верхней части.

Достоинства и недостатки есть и у того, и у другого варианта. На наш взгляд, рамки для медовых магазинов лучше делать без разделителей.

Оптимальная толщина боковой планки для рамки Дадана составляет 10 мм. Для рамки Рута, особенно для полурамки, допускается толщина боковой планки 8 мм.

В рамках расплодного корпуса можно делать нижнюю планку шириной от 15 до 25 мм при толщине 10 и 8 мм соответственно. На наш взгляд, ширина 15 мм предпочтительнее (особенно в многокорпусных ульях). В рамках для медовых магазинов лучше делать нижнюю планку шириной 25 мм, поскольку такой сот будет более вместителен для меда.

Обобщая все сказанное выше, в табл. 10 приведем размеры заготовок для всех рамок.


Таблица 10

Виды и размеры заготовок для различных ульевых рамок

Иллюстрация к книге — Полный справочник пчеловода [i_026.jpg]
Иллюстрация к книге — Полный справочник пчеловода [i_027.jpg]

Следует заметить, что размеры всех планок выбраны так, что при их установке в стандартном корпусе между его внутренней стенкой и боковой планкой остается свободное пространство 7,5 мм (рис. 15).

Иллюстрация к книге — Полный справочник пчеловода [i_028.jpg]

Рис. 15. Положение рамки в улье


Напомним, что еще в 1851 г. Л. Лангстрот открыл свободное ульевое пространство — закон, в соответствии с которым пчелы не застраивают в улье свободное пространство в пределах от 4,5 до 9,0 мм. Свободное же пространство менее 4,5 мм пчелы, как правило, заклеивают прополисом, а расстояние более 9,0 мм застраивают восковыми перемычками.

Межрамочное пространство

Некоторые параметры пчелиного гнезда имеют для пчел принципиальное значение и довольно строго соблюдаются ими в естественных постройках. К числу таких биологически важных параметров относится параллельное размещение сотов в вертикальной плоскости. Этот принцип обязательно соблюдается в естественных постройках, несмотря на непостоянство формы и размеров сотов в вертикальной плоскости, а также их толщины.

В улье условия для реализации этого принципа обеспечивает пчеловод, который всегда устанавливает рамки параллельно одна другой.

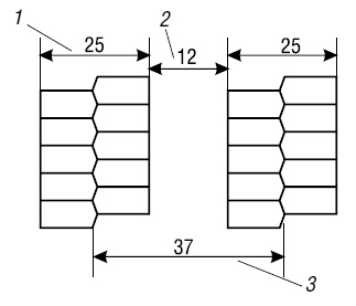
В естественных гнездах, наряду с параллельностью сотов, пчелы стремятся поддерживать между ними определенное расстояние (в улье пчеловоды его называют улочкой) на уровне от 8 до 13 мм. При этом расстояние между средней частью двух рядом расположенных сотов (средостений) составляет от 33 до 38 мм (рис. 16).

Сразу после выставки семей во время первого весеннего осмотра ширину улочки во всех семьях надо сократить до 8–9 мм с целью увеличения темпов весеннего развития.

По достижении семьей в процессе весеннего развития силы в 2,0–2,5 кг (приблизительно один корпус Рута или Дадана) ширину улочки в расплодном гнезде лучше увеличивать до 12–12,5 мм. В любом случае эту процедуру надо делать при установлении устойчивого тепла, то есть для средних широт не позже середины мая, чтобы не провоцировать роение.

Иллюстрация к книге — Полный справочник пчеловода [i_029.jpg]

Рис. 16. Ширина улочки:

1 — ширина сота; 2 — ширина улочки; 3 — расстояние между средостениями сотов


После окончания главного медосбора в конце июля — начале августа с целью увеличения темпов осеннего развития ширину улочек опять желательно сократить до 8–9 мм.

После окончания выведения расплода при окончательном складывании гнезда ширину улочек лучше увеличивать до 12–15 мм, поскольку на расширенных улочках пчелы лучше зимуют. При этом имеется в виду, что в каждой улочке будет больше, чем обычно, пчел, поэтому в каждой рамке должно быть меда минимум 2,0 кг, но лучше — 2,5 кг.

В медовых магазинах ширину улочек надо иметь постоянной, в пределах 12–15 мм (не больше!).

Летки в ульях и тип заноса
Летки

Обязательной частью любого пчелиного жилища, будь то естественное или искусственное, является леток. Ведь, действительно, если попытаться абстрагироваться от всех частных деталей устройства любого пчелиного жилища, то в «сухом остатке» останутся только замкнутый объем, соты и леток. Эти три элемента пчелиного жилища являются первородными и обязательно необходимыми, ибо без любого из них пчелиное жилище не сможет быть таковым, поскольку не сможет выполнять возложенные на него функции.

Вход
Поиск по сайту
Ищем:
Календарь