Книга Изобретено в России. История русской изобретательской мысли от Петра I до Николая II, страница 76 – Тим Скоренко

Авторы: А Б В Г Д Е Ж З И Й К Л М Н О П Р С Т У Ф Х Ч Ш Ы Э Ю Я
Книги: А Б В Г Д Е Ж З И Й К Л М Н О П Р С Т У Ф Х Ц Ч Ш Щ Ы Э Ю Я
Бесплатная онлайн библиотека LoveRead.ec

Онлайн книга «Изобретено в России. История русской изобретательской мысли от Петра I до Николая II»

📃 Cтраница 76

Приемник, или резонатор, был не сложнее — тоже рамка с искровым промежутком. Когда генератор создавал высокочастотные колебания, искра проскакивала и в резонаторе. Таким образом, Герц доказал возможность передачи энергии без проводов и продемонстрировал существование волн, названных им электродинамическими. Результаты этих своих исследований он опубликовал в 1888 году, а после подробно изучил ЭМ-волны, доказав их сходство со световыми и выведя ряд уравнений.

Без открытия Герца не было бы никого радио, но его собственная история закончилась чрезвычайно досадно. На одной из лекций слушатель спросил Герца об электродинамических волнах: «Мы знаем о существовании волн. Что дальше?» Герц ответил: «Я думаю, ничего». Он действительно не видел никакого практического применения своему открытию. Генрих Рудольф Герц умер 1 января 1894 года в возрасте 36 лет от гранулематоза Вегенера — скоротечной болезни кровеносной системы, в те времена неизлечимой.

И, наконец, радио

Открытие Герца дало начало эре беспроводной связи. Множество ученых и инженеров в течение 1894–1900 годов представили свои собственные радиосистемы, получили десятки патентов, провели сотни демонстраций. Об том периоде можно написать отдельный труд томов на десять, я же постараюсь очень кратко вместить всю эту информацию в несколько следующих абзацев. Обрисую лишь самых заметных изобретателей.

Во-первых, это Никола Тесла. Он заинтересовался открытием Герца в 1889 году и, будучи человеком исключительно разноплановым, в течение нескольких следующих лет разработал новые передатчики и приемники, а в 1891–1893 годах неоднократно демонстрировал на своих знаменитых открытых лекциях беспроводную передачу энергии. В 1898-м он построил первую в истории радиоуправляемую модель судна, — он полагал использовать такие устройства в испано-американской войне, но к моменту демонстрации война успела окончиться и судно осталось не более чем курьезом (ныне оно хранится в Белграде в музее Теслы). У гениального серба были две проблемы. Первая заключалась в его характере — он не мог долго заниматься одним делом, параллельно разрабатывал двигатели и рентгеновские аппараты и вообще не заморачивался тем, что на самом-то деле первым в мире успешно демонстрировал беспроводную передачу на открытых лекциях. Поэтому патент он получил лишь 7 лет спустя, в 1900 году, когда было уже поздновато. Во-вторых, исследуя атмосферное электричество в лаборатории Колорадо-Спрингс, Тесла сделал неверный вывод о том, что вокруг Земли существует стоячая волна, способная стать передатчиком информации и энергии, а электромагнитные волны Герца — лишь частный ее случай. Дальше началось строительство знаменитой башни в Уорденклифе, и Тесла навсегда выпал из «радиогонки».

Во-вторых, был Оливер Лодж. Известный британский физик работал над исследованием электромагнитных волн параллельно с Герцем и, в принципе, мог бы стать их первооткрывателем, но немного опоздал. В отличие от немца, он видел в волнах прикладное значение. В июне 1894 года Лодж продемонстрировал на встрече Британской научной ассоциации в Оксфорде передачу сигнала Герца на расстояние, причем в качестве приемника использовал систему собственной разработки, включавшую в себя в качестве основного элемента когерер. Когерер — это резистор, который в зависимости от внешних факторов (в частности, под действием радиосигнала) может принимать одно из двух крайних значений сопротивления. Интересно, что когерер в 1890 году придумал и создал Эдуард Бранли — человек, который считается изобретателем радио во Франции. Бранли первым применил к технологии термин «радио», а свой когерер изначально назвал радиокондуктором. Так вот, Лодж сделал когерер, под действием волн принимавший одно из двух значений сопротивления, и благодаря этому получил возможность передавать информацию в двоичном коде, то есть, проще говоря, азбукой Морзе. Но, что интересно, до практики он эту историю не довел, о чем я расскажу чуть ниже.

Параллельно с Лоджем, в ноябре 1894 года, великий бенгальский физик Джагадиш Чандра Бос продемонстрировал в Калькутте систему с когерером собственной конструкции. Он заставлял на расстоянии колокольчик — звонить, пистолет — стрелять, а порох — загораться. Он первым получил коротковолновое излучение (остальные использовали длинные волны), а также изобрел ряд привычных в наше время компонентов радиоприемника.

Был еще испанец Хулио Сервера Бавьера, и бразильский священник Ланделл де Мора, и американец Джон Стоун Стоун (это не опечатка, так его и звали), и немец Карл Фердинанд Браун, позже прославившийся изобретением катодно-лучевой трубки. Но в первую очередь известно историческое противостояние «Попов против Маркони». Вот о нем мы и поговорим.

Русский против итальянца

Об эту историю сломано столько копий, что и писать-то о ней стыдно. Все написано, все разложено по полочкам. Так что ниже — лишь краткий дайджест. И да, подчеркну, что речь во всей этой главе идет не о голосовом радио, а о радиотелеграфе, то есть передаче сигнальной кодировки.

В 1895 году Александру Степановичу Попову было 36 лет. Сын священника, уроженец Пермской губернии, он после духовной семинарии успешно закончил физмат Санкт-Петербургского университета и стал преподавателем, параллельно занимаясь различными практическими разработками в области электричества.

Опыты Герца он демонстрировал на лекциях, как и все прогрессивные физики мира, с 1889 года, но в 1895-м, познакомившись с системой Лоджа, заинтересовался применением радиоволн. 7 мая (25 апреля) 1895 года он продемонстрировал свою разработку на заседании Русского физико-химического общества в Санкт-Петербургском университете — этот день считается в России и ряде других восточноевропейских государств днем изобретения радио.

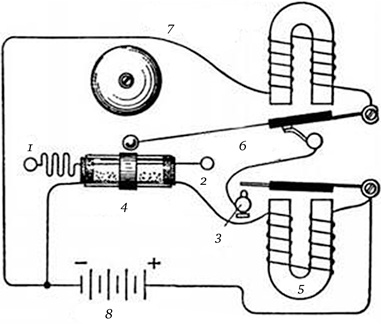
Иллюстрация к книге — Изобретено в России. История русской изобретательской мысли от Петра I до Николая II [image_102.jpg]

Принципиальная схема радиоприемника А. С. Попова, 1895

1–4 — когерер; 5 — реле; 6 — контактная пружина; 7 — электрический звонок; 8 — батарея


Важно понимать, что аппарат Попова — это аппарат Лоджа. Попов построил его по образу и подобию изобретения британца (чего никогда не скрывал), внеся лишь одно принципиальное изменение. Дело в том, что система Лоджа была «одноразовой». Приемник регистрировал волну, когерер Бранли менял сопротивление, и для его «обнуления» нужно было его физически встряхнуть, чтобы металлические опилки, составлявшие основное содержимое трубки, вернулись к своему изначальному положению и сопротивлению. Чтобы принимать последовательность сигналов, Лодж применил автоматический ударник, который бил по трубке постоянно, мгновенно «обнуляя» сигнал и не позволяя делать его коротким или длинным. Именно это помешало использовать полноценный код Морзе.

А Попов придумал «обратную связь». В момент поступления сигнала не только изменялось сопротивление когерера, но также срабатывало реле электрического звонка и ударника, бившего по трубке. То есть обнуление было не постоянным, а связанным с сигналом. Это позволяло делать между сигналами произвольные паузы и, таким образом, эффективно использовать двоичный код.

Реклама
Вход
Поиск по сайту
Ищем:
Календарь