Книга Учитесь видеть бизнес-процессы. Построение карт потоков создания ценности, страница 21 – Майк Ротер, Джон Шук

Авторы: А Б В Г Д Е Ж З И Й К Л М Н О П Р С Т У Ф Х Ч Ш Ы Э Ю Я
Книги: А Б В Г Д Е Ж З И Й К Л М Н О П Р С Т У Ф Х Ц Ч Ш Щ Ы Э Ю Я
Бесплатная онлайн библиотека LoveRead.ec

Онлайн книга «Учитесь видеть бизнес-процессы. Построение карт потоков создания ценности»

📃 Cтраница 21

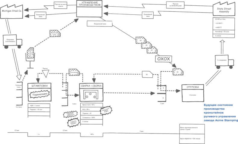
• Устранение продолжительного времени (10 минут) переналадки между операциями сварки левосторонних и правосторонних приводов, чтобы обеспечить непрерывный поток смешанной продукции сварочно-сборочного производства.

• Увеличение готовности (уменьшение простоев) второй сварочной машины, так как теперь она будет связана с другими процессами в непрерывном потоке.

• Сокращение потерь в ячейке сварки/сборки, чтобы сократить общее время выполнения работы до 165 секунд или менее. (Что позволяет задействовать трех операторов при текущем уровне спроса.)


Мы отражаем эти пункты на нашей карте будущего состояния с помощью пиктограмм кайдзен.

Нам необходимо также выяснить, как использовать существующую технологию штамповки (предназначенную для выполнения штамповочных работ гораздо большего объема, чем надо потребителю данного продукта), чтобы снизить потери. Секрет состоит в том, чтобы иметь такой штамповочный пресс, который также штампует детали для других продуктовых семейств на заводе, делает меньшие партии этих двух типов деталей нашего потока создания ценности и выпускает их более часто. Для этого потребуется дополнительное сокращение времени переналадки.

В действительности методы сокращения времени переналадки на штамповочном прессе хорошо известны, и сокращения времени менее чем до 10 минут можно достичь быстро. При этом мы можем представить пресс, делающий только около 300 деталей левого привода и 160 деталей правого привода (продукцию, которую следует сделать за смену), затем производящий детали для другого потока создания ценности и возвращающийся к работе над левосторонними и правосторонними деталями в следующей смене.

Параметр КДК теперь будет реально обозначать «каждую деталь каждую смену»! Таким образом, запасы между процессом штамповки и сварочно-сборочной ячейкой можно будет сократить примерно на 85 %.

Теперь мы можем построить полную карту будущего потока создания ценности Acme с информационными и материальными потоками и конкретными мероприятиями кайдзен.

Иллюстрация к книге — Учитесь видеть бизнес-процессы. Построение карт потоков создания ценности [i_077.jpg]

Вся прелесть вопроса № 8 состоит в том, что ваши действия по совершенствованию процессов становятся элементами целостного проекта потока создания ценности, а не просто отдельными мероприятиями по улучшению. Команды могут теперь начать совершенствовать процессы с четким пониманием того, зачем им это нужно.

Однако непременно начинайте эти проекты совершенствования с создания системы вытягивания улучшений. Таким образом, вместо того чтобы толкать команду на сокращение времени переналадки пресса, сократите через 30 дней объемы партий на прессе до 300 и 160 изделий. Это создает чувство срочности работ при совершенствовании процесса. Таким же образом надо не только дать команде задание устранить затраты времени на замену сварочных приспособлений, но и дождаться, когда это будет выполнено. Добейтесь, чтобы в течение 14 дней сварочный и сборочный процессы смогли влиться в непрерывный поток.

Подведение итогов

Когда мы сравниваем итоговые статистические данные текущего и будущего состояний завода Acme, результаты весьма поражают. В частности, благодаря сглаживанию работы сварочно-сборочной ячейки и обеспечению возможности штамповать каждую деталь каждую смену Acme может и дальше сокращать число рулонов стали, хранящихся в супермаркетах. Конечно, это сильно влияет на обеспечение высокой надежности работы в соответствии с временем такта.

После сокращения времени выполнения заказа в цехе, перевода работы задающего ритм процесса в соответствии с временем такта и способностью быстро реагировать на проблемы Acme может смело сократить число готовых изделий, которое он хранит в супермаркете, до двух дней. (Если потребитель Acme сам проведет сглаживание спроса, эти запасы можно сократить еще существеннее.)

В сравнении с промежуточными улучшениями, показанными в таблице, выравнивание производства на заводе Acme еще больше сократило время выполнения заказа – до 4,5 дня и примерно в два раза увеличило оборачиваемость запасов.

Иллюстрация к книге — Учитесь видеть бизнес-процессы. Построение карт потоков создания ценности [i_078.jpg]
Иллюстрация к книге — Учитесь видеть бизнес-процессы. Построение карт потоков создания ценности [i_079.jpg]
Ваша очередь

Прежде чем перейти к разработке карты будущего состояния вашего потока создания ценности, – которую, надеемся и уверены, вы выполните очень быстро, – вам может понадобиться некоторая практика. Мы предлагаем взять еще один чистый лист бумаги и нарисовать карту будущего состояния потока создания ценности для компании TWI Industries, информацию о которой приведена в разделе «Данные для построения карты потока создания ценности для TWI Industries» и которая была использована для построения карты текущего состояния потока создания ценности. После этого можете сравнить вашу карту будущего состояния компании TWI с вариантом, который мы представили для этой компании (данная карта показана в приложении С).

Имейте в виду, что на языке построения карт потока создания ценности «правильные действия» – это действия, которые позволяют быстро избавиться от коренных причин потерь. Поэтому, пожалуйста, используйте наши карты и методы (технические приемы) для пересмотра ваших базовых представлений о том, что значит работать правильно.

Часть V: Достижение будущего состояния

• Карта – это инструмент

• Разделение процесса достижения будущего состояния на этапы

• План потока создания ценности

• Улучшение потока создания ценности – работа менеджмента

Иллюстрация к книге — Учитесь видеть бизнес-процессы. Построение карт потоков создания ценности [i_080.jpg]
Карта – это инструмент

Построение карты потока создания ценности всего лишь инструмент. Пока вы не достигнете запланированного будущего состояния (если вы не сможете быстро реализовать хотя бы часть плана), ваши карты потока создания ценности малополезны. В завершающем разделе этой книги обсуждается ежегодный план совершенствования потока создания ценности, в конце которого приводятся некоторые руководящие указания для разработки бережливых потоков создания ценности.

ПЛАН ДОСТИЖЕНИЯ БУДУЩЕГО СОСТОЯНИЯ ПОТОКА СОЗДАНИЯ ЦЕННОСТИ МОЖЕТ БЫТЬ КОМПАКТНЫМ И ВКЛЮЧАТЬ:

1) карту будущего состояния;

Вход
Поиск по сайту
Ищем:
Календарь