Книга Современные подвалы, подполы и погреба, страница 5 – Галина Серикова

Авторы: А Б В Г Д Е Ж З И Й К Л М Н О П Р С Т У Ф Х Ч Ш Ы Э Ю Я
Книги: А Б В Г Д Е Ж З И Й К Л М Н О П Р С Т У Ф Х Ц Ч Ш Щ Ы Э Ю Я
Бесплатная онлайн библиотека LoveRead.ec

Онлайн книга «Современные подвалы, подполы и погреба»

📃 Cтраница 5

Итак, если уровень грунтовых вод низкий, то дом с подвальным помещением – это то, что нужно. Если они залегают близко к поверхности земли, то от подвала придется отказаться (это необязательно, если вы готовы вложить большие средства в мелиоративные, гидро– и теплоизоляционные мероприятия, хотя предупреждаем, что в данных условиях создать полную герметичность подвала и поддерживать ее в течение всей эксплуатации дома достаточно трудно). В этом случае оптимальный выход – заложить подполье.

При сооружении подвала или погреба рекомендуем, пробурив скважину, понаблюдать за уровнем грунтовых вод в течение достаточно длительного времени, например на протяжении года.

Если в скважине будет появляться вода выше глубины промерзания, то от возведения подвала стоит, возможно, даже отказаться. Если вы не планируете строить подвал, то ваши наблюдения все равно будут нужны, поскольку, определив, в какое время в скважине нет воды, вы разрешите вопрос о том, когда лучше всего закладывать фундамент. В случае если вода с большой скоростью заполняет скважину и в продолжение года нельзя обеспечить ее дренаж, следует остановиться на мелкозаглубленном фундаменте или заложить столбчато-ленточный по одной из современных технологий – ТИСЭ.

Чтобы внести ясность в эти вопросы, пробурите на участке несколько скважин (две или три) глубиной примерно на 50 см ниже расчетной глубины промерзания, установите тип грунта. Если он окажется непучинистым, то можете смело планировать подвальное помещение, да и с фундаментом трудностей не предвидится.

Определение разновидности грунта и степени его влажности важно не только сточки зрения проектирования дома с подвалом. Это необходимо и для того, чтобы оценить несущую способность грунта, что непременно принимается во внимание при расчете фундамента.

К подготовительному этапу можно отнести и такое мероприятие, как уменьшение глубины промерзания, что положительно скажется на строительстве подвала. Но оно целесообразно только в ряде случаев, а именно:

• при отсутствии возможности создать дренаж при постоянно высоком уровне грунтовых вод, которые препятствуют заложению фундамента на необходимую глубину;

• при наличии желания уменьшить или устранить деформацию здания под воздействием пучения на мелкозаглубленный фундамент;

• при глубине промерзания более 180 см, когда строительство ведется согласно технологии ТИСЭ.

Осваиваем пространство ниже нулевой отметки

Причин, по которым в прежде сухом подвале появилась вода, много, причем не все из них можно отнести к не зависящим от вас. Например, вы проводили в дом газ и для ввода трубы проделали в стене подвала отверстие, нарушив при этом гидроизоляцию и своевременно не отремонтировав ее. Дождевая или грунтовая вода проникла в конструкцию стен, пропитала их. В результате гидроизоляция пострадала.

Пути уменьшения глубины промерзания (рис. 2) различны, в частности можно:

• заменить грунт на крупнозернистый песок. Это производится на глубину 50–80 см по периметру дома и на расстояние примерно 1,5 м от него. Результат: глубина промерзания станет меньше на 30–40 см;

• чтобы уменьшить глубину промерзания на 50–70 см, необходимо на глубине 20–40 см уложить теплоизолирующий слой толщиной 20–30 см, составленный из крупнозернистого песка и шлака (это могут быть и панели пенополистирола) и уложенный на такой же толщины слой крупнозернистого песка. Ширина полосы заменяемого грунта должна быть не менее 2 м, причем оптимально вести данные работы по окончании стройки;

• подсыпать по периметру дома грунт, что, помимо необходимого эффекта, визуально приподнимет его.

Иллюстрация к книге — Современные подвалы, подполы и погреба [i_002.jpg]

Рис. 2. Способы уменьшения глубины промерзания под фундаментом: а – замена грунта; б – укладка утеплителя; в – подсыпка грунта


Понятно, что дать рекомендации на все случаи жизни невозможно, поскольку необходимо принимать в расчет не только конкретные гидрогеологические условия, но и проект дома, в том числе количество этажей, материал, из которого будет возводиться здание, и т. д. Именно поэтому перед началом строительства необходимо проводить соответствующую экспертизу участка.

Итак, после проведенной подготовки, доставки строительных материалов и инструментов (организация строительной площадки представлена на рис. 3) можно приступать непосредственно к строительным работам, к которым относятся закладка фундамента, устройство перекрытия, возведение стен, крыши, выполнение отмостки. Сюда же входят гидро– и теплоизоляционные работы.

Относительно заготовки строительных материалов следует подчеркнуть, что нет необходимости закупать все, что может понадобиться. Материалами, которые на данном этапе пока не нужны, вы только загромоздите участок работ и создадите помехи для их осуществления. Кроме того, есть материалы (например, цемент), которые быстро теряют свои свойства. Таким образом, постарайтесь заранее продумать, что, как и где укладывать, как обеспечить подъезд транспортных средств, строительной техники и т. д.

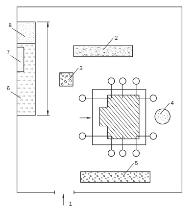
Иллюстрация к книге — Современные подвалы, подполы и погреба [i_003.jpg]

Рис. 3. Вариант организации стройплощадки: 1 – строящийся дом; 2 – сыпучие строительные материалы (песок, щебень); 3 – участок для приготовления бетона и раствора; 4 – глина; 5 – штучные строительные материалы (кирпич, трубы и пр.); 6 – навес для столярных изделий, пиломатериалов, утеплителя; 7 – верстак; 8 – цемент, известь, алебастр

Дренаж участка и подвала

Если ваш участок лежит в низине или грунтовые воды залегают очень близко к поверхности земли, то при строительстве дома вообще и дома с подвалом в частности не обойтись без проведения осушительных работ. Более того, независимо от месторасположения территории следует заранее подумать о защите ее от затопления дождевыми и талыми водами, что также является важной составляющей мелиоративных мероприятий. Для этого по периметру участка выполните дренажные траншеи, по которым вода будет поступать в коллектор, а оттуда – в уличный кювет, водоем или специально предназначенный для этого бассейн.

Работы существенно упростятся, если имеется уличный кювет (ливневая канализация, ливневка) глубиной, как минимум, 1 м с гарантированным сбросом в направлении уклона рельефа. Впрочем, и на равнинной местности это поможет снять или уменьшить подпор грунтовых вод, что в конечном счете приведет к снижению уровня грунтовых вод на данной территории.

Если на вашем участке четко выражен уклон в каком-либо направлении, то для осушения достаточно выкопать водосточные траншеи, которые задержат поверхностные воды и отведут их в нужную сторону. При уклоне к улице перед отмосткой дома необходимо выкопать поперечную канаву для сбора воды со стороны сада или огорода и продольную – для сброса ее в ливневку.

Вход
Поиск по сайту
Ищем:
Календарь