Книга От Хиросимы до Фукусимы, страница 40 – Владимир Сливяк

Авторы: А Б В Г Д Е Ж З И Й К Л М Н О П Р С Т У Ф Х Ч Ш Ы Э Ю Я
Книги: А Б В Г Д Е Ж З И Й К Л М Н О П Р С Т У Ф Х Ц Ч Ш Щ Ы Э Ю Я
Бесплатная онлайн библиотека LoveRead.ec

Онлайн книга «От Хиросимы до Фукусимы»

📃 Cтраница 40

– незащищенность техническими средствами устройств ввода и вывода из работы части аварийных защит реактора;

– отсутствие защитной оболочки.


Несмотря на то, что за последние 15 лет многие работающие реакторы типа РБМК были модернизированы, эксперты по-прежнему сомневаются в том, что авария с разрушением активной зоны на модернизированных блоках невозможна.

Основные конструктивные недостатки данных реакторов заставили международное сообщество добиваться их закрытия в связи с тем, что РБМК невозможно путем модернизации довести до современных стандартов безопасности. Закрытие данного типа реакторов уже произошло в Литве и на Украине, но, несмотря на это, в России сроки службы таких энергоблоков продлеваются.

Второй наиболее распространенный тип реакторов (после PWR) – реактор с кипящей водой (BWR). Сейчас в мире эксплуатируется около 90 таких блоков. Здесь предпринята попытка упростить конструкцию и добиться повышения тепловой эффективности, однако реактор не стал от этого более безопасным. Получился еще более опасный PWR, с большим количеством новых проблем.

Существенные проблемы, связанные с коррозией, были замечены во многих реакторах BWR. В начале 1990-х годов многочисленные трещины были обнаружены на АЭС в Германии, в трубопроводах, в материалах, которые считались устойчивыми к образованию трещин при соответствующей нагрузке.

В 2001 году в реакторах BWR была обнаружена еще одна проблема: на АЭС «Хамаока-1» (Япония) и АЭС «Брунсбюттель» (Германия) произошел разрыв труб. В обоих случаях причиной явился взрыв, который был спровоцирован гидролизом кислорода и водорода, произошедшим в теплоносителе реактора. Если бы такой взрыв повредил основные узлы реактора, невозможно было бы избежать катастрофического выброса радиоактивных веществ (сравнимого по масштабам с аварией на Чернобыльской АЭС или на АЭС «Фукусима-Дайчи»).

Еще одной из наиболее распространенных в настоящее время конструкций является реактор на тяжелой воде под давлением (PHWR). В настоящее время насчитывается около сорока реакторов данного типа в семи странах мира. Наиболее ярким представителем является канадский реактор CANDU, топливом для которого служит природный уран, а охлаждение производится за счет тяжелой воды. Защитная оболочка реактора окружена 390 отдельными трубками. Одним из недостатков является то, что в активной зоне присутствует слишком много урана, что приводит к ее нестабильности. Трубы под давлением, содержащие в себе урановые трубки, подвергаются нейтронной бомбардировке. Как показал канадский опыт, уже после 20-летней эксплуатации необходимо производить дорогостоящие ремонтные работы.

Ряд подобных недостатков спровоцировал огромные экономические потери и обнажил проблемы в области безопасности CANDU.

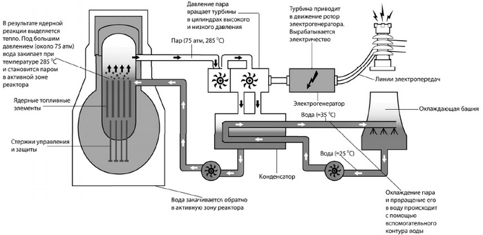
Иллюстрация к книге — От Хиросимы до Фукусимы [i_021.jpg]

Принцип работы реактора BWR


В июне 1990 года шесть реакторов CANDU входили в мировую десятку по продолжительности срока эксплуатации, причем четыре реактора из этой шестерки принадлежат канадской компании «Онтарио Гидро». В конце 90-х годов XX века эксплуатация девяти реакторов CANDU была либо приостановлена, либо заморожена. Однако в настоящее время несколько реакторов начали вновь функционировать. Усовершенствованный газовый реактор (AGR) работает исключительно на территории Великобритании, являясь усовершенствованной версией реакторов Magnox. Однако и здесь сохранились такие проблемы, как отсутствие некоторых систем безопасности, а также старение и охрупчивание металла.

Несколько лет назад в большом количестве графитовых блоков, составляющих активную зону реактора, были обнаружены трещины. Если данная проблема будет обнаружена и в остальных реакторах этого типа, это может привести к их преждевременному закрытию. Особого внимания требует еще один представитель второго поколения – бридерный реактор БН-600. И хотя о бридерах (размножителях) нередко говорят, как о будущем атомной энергетики, сегодня в России работает лишь один такой реактор, 30-летняя история эксплуатации которого выявила множество неполадок. Учитывая, что в стратегии развития атомной промышленности бридерам принято отводить важное место, пусть и в отдаленном будущем, рассмотрим опыт, связанный с этой технологией, более подробно.


Бридерные реакторы в России

В дискуссиях о будущем атомной энергетики можно нередко услышать о бридерных реакторах, которые через 40–50 лет должны полностью заменить существующие.

Отмечается, что бридеры могут функционировать на плутониевом топливе, которое можно использовать (после переработки) повторно несколько раз. Плутоний можно производить за счет переработки отработавшего уранового топлива, а когда уран иссякнет, плутония может оказаться накоплено столько, что этого хватит для будущих нужд. Попробуем рассмотреть опыт развития бридерных технологий в России и связанные с ними проблемы.

В настоящее время на территории РФ работает только один реактор такого типа – БН-600 на Белоярской АЭС. Он был введен в эксплуатацию в 1980 году, а проект реактора создан в 1963 году, задолго до Чернобыльской катастрофы, после которой нормы безопасности были существенно повышены. Еще один реактор на быстрых нейтронах, БН-800, начиная с 1984 года строится на той же атомной станции. АЭС расположена в 38 км от восточной границы города Екатеринбурга (Свердловская область) на территории муниципального образования «Город Заречный». В качестве водоема-охладителя АЭС использует Белоярское водохранилище, которое образовано путем зарегулирования русла реки Пышмы (Обский бассейн).

На сегодняшний момент на территории Белоярской АЭС находятся также два остановленных энергоблока – АМБ-100 и АМБ-200. Первый энергоблок АМБ («Атом мирный большой») мощностью 100 МВт был включен в энергосистему 26 апреля 1964 года, ровно за 22 года до Чернобыльской трагедии. Энергоблок № 2 мощностью 200 МВт с одноконтурной схемой был введен в действие 29 декабря 1967 года. Блоки проработали 17 и 21 год соответственно и были остановлены «в связи с некомпенсируемыми отступлениями от правил безопасности» в 1981 и 1989 годах.

Иллюстрация к книге — От Хиросимы до Фукусимы [i_022.jpg]

Схема реактора БН-600


Блок тип БН («Быстрые нейтроны») – экспериментальная технология ядерной индустрии. Реакторы на быстрых нейтронах также называют «бридерами» (от англ. breed – размножать). Бридеры способны нарабатывать плутоний.

В БН-600 используется жидкометаллический теплоноситель. В качестве теплоносителя в первом и втором контурах используется натрий, третий контур – пароводяной с промежуточным (натриевым) перегревом пара. Активные зоны реакторов типа БН весьма существенно отличаются от активных зон реакторов на тепловых нейтронах. Главная особенность реактора-бридера состоит в том, что в его активной зоне процесс деления ядер быстрыми нейтронами сопровождается гораздо большим выходом (на 20–27 %) вторичных нейтронов, чем в реакторах на тепловых нейтронах [37] .

Реклама
Вход
Поиск по сайту
Ищем:
Календарь