Книга Большая энциклопедия дачника, страница 35 – Елена Вечерина

Авторы: А Б В Г Д Е Ж З И Й К Л М Н О П Р С Т У Ф Х Ч Ш Ы Э Ю Я
Книги: А Б В Г Д Е Ж З И Й К Л М Н О П Р С Т У Ф Х Ц Ч Ш Щ Ы Э Ю Я
Бесплатная онлайн библиотека LoveRead.ec

Онлайн книга «Большая энциклопедия дачника»

📃 Cтраница 35

Представленное устройство работает очень надежно, единственная проблема – придется заказать изготовление цилиндра и привода токарю.

Растения нуждаются не только в притоке воздуха и определенной температуре, но и во влаге. Полив в теплице должен быть правильно организован, иначе растениям грозит гибель от дефицита или переизбытка влаги.

Вода, как и углекислый газ, и минеральные вещества, представляет собой для растения субстанцию, необходимую для синтеза органических веществ. Чтобы растение нормально росло и развивалось, клетки его листьев должны быть насыщены влагой. Если ее не хватает листья перегреваются, вянут, что ведет к снижению скорости фотосинтеза и увеличению расхода веществ на дыхание.

Потребность в воде у разных растений определяется их биологическими особенностями, объемом зеленой массы, развитостью корневой системы и продолжительностью вегетации.

Например, редис, огурец, салат потребляют много воды и отличаются большой требовательностью к ней; бахчевые (арбуз и дыня) потребляют много воды, но мало требовательны к ней, поскольку имеют мощную корневую систему, которая проникает в глубокие слои почвы, а благодаря опушению, имеющемуся на листьях, неплохо переносят высокие температуры; луки потребляют мало воды, но требовательны к водному режиму и т. д.

Для выращивания культур с трудно прорастающими или мелкими семенами удобно пользоваться гидрогелями в виде желе. Пикируя сеянцы, не стряхивайте его комочки, чтобы не травмировать тонкие корешки.

В разные стадии роста отношение овощных культур к влажности различно. Наиболее высокие требования к влажности грунта у растений во время прорастания семян, поскольку без воды их оболочка не может вскрыться; рассада при укоренении тоже нуждается во влажном грунте (здесь один момент: при высадке рассады в январе, когда естественного света в теплице недостаточно, высокая влажность грунта, напротив сдерживает развитие над– и подземной систем).

Поливая тепличные растения, следите за тем, чтобы весь объем почвы равномерно увлажнялся, причем не только поверхностный, но и прежде всего корнеобитаемый слой (на глубине 30 – 50 см). Скупой полив негативно отразится на урожайности овощных культур. Другая крайность – чрезмерный полив – тоже отрицательно скажется на развитии растений, корневая система которых начинает страдать от нехватки кислорода, терять минеральные вещества (потери азота и калия могут доходить до 60 – 70 %), сдерживаются ростовые процессы и т. д. Норма 18 – 20 л/м2 для тепличных растений – это предел.

Немаловажное значение для растений имеет температура воды. Теплолюбивые овощные растения (огурец, баклажан, помидор, перец) нуждаются в том, чтобы температура воды была не менее 23 – 25 °С. Холодная вода вызывает развитие корневых гнилей, а при высокой температуре воздуха – и физиологический шок у растений.

Очень важно уметь правильно определить, когда время полива пришло. Поскольку лабораторные методы (по концентрации клеточного сока, весу и др.) вряд ли доступны любителям, то надо полагаться на собственные ощущения и внимательность. То, насколько растение обеспечено влагой, указывает окраска листьев:

1) у огурца при нехватке воды листья темнеют, на них появляется белая окантовка, они скручиваются наподобие зонтика, приобретают хрупкость; при чрезмерном увлажнении листья разрастаются и изменяют окраску на бледно-зеленую;

2) у помидора при дефиците влаги листья темнеют, скручиваются внутрь, волоски на листовых пластинах поднимаются почти вертикально; при избытке воды у помидора проявляются те же симптомы, что и у огурца.

Иногда кажется, что растение привяло потому, что грунт пересох. На это не стоит полагаться, так как это явление у тепличных растений может вызвать, например, смена погоды – с затяжной пасмурной на солнечную, повышенная температура воздуха в теплице или переувлажненность грунта.

Проще всего установить необходимость полива на ощупь, для этого возьмите грунт (для огурца с глубины 15 – 20 см; для помидора с глубины 25 – 30 см), сожмите его в руке: если выделилась струйка воды, необходимости в поливе нет; если вытекло несколько капель, то полив потребуется в ближайшие часы, в крайнем случае на другой день; если вода не выступила, а ком рассыпался, то немедленно включайте кран.

Таким образом, правила надземного полива гласят:

1) увлажняйте корнеобитаемый слой почвогрунта;

2) избегайте переувлажнения грунта;

3) не допускайте попадания воды на самоопыляющиеся растения и на те, которые склонны к грибным заболеваниям;

4) следите за тем, чтобы при поливе почва не размывалась, обнажая корни, пользуйтесь рассекателями.

Понятно, что наблюдение за состоянием растений, контроль влажности грунта в теплице требуют постоянного присутствия огородника на участке. Что делать, если такой возможности нет? Создать систему автоматического полива. Основной деталью этой системы, предложенной Ю. Н. Шуваевым (Теплицы, парники, укрытия для садовых и приусадебных участков, 1997) является обычная двухсотлитровая бочка, претерпевшая некоторую модификацию.

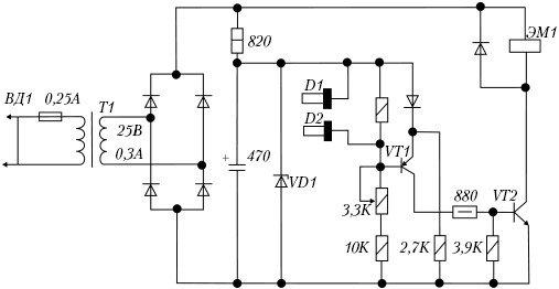
Проделайте в ее днище отверстие под выходную трубу, соедините ее с распределительными трубами, проходящими по теплице или парнику. В зоне, нуждающейся в поливе, просверлите в трубах отверстия диаметром 05 – 0,7 мм. В выходное отверстие емкости вставьте клапан от сливного бачка, соедините его проволочной тягой с электромагнитом. Электрическая принципиальная схема устройства для автоматического открывания клапана бочки и полива растений показана на рисунке 13.

Иллюстрация к книге — Большая энциклопедия дачника [_13.jpg]

Рис. 13. Электрическая схема устройства для автоматического полива: ВД1 – вилка двухполюсная; ЭМ1 – электромагнит; Т1 – трансформатор 220 В/25 В, 0,3 А; VТ1 – транзистор КТ315 Г (В); VТ1 – транзистор КТ817 А (Б); VD1 – стабилитрон Д809 (КС182 А); D1, D2 – элементы датчика влажности (стержни от батарейки)


Устройство состоит из датчика влажности почвы, усилителя постоянного тока на транзисторах и исполнительного электромагнита. В качестве датчика влажности применяют два стержня D1, D2 от батарейки 3336 Л, 336, 373 и др. с деполяризатором (со стаканчика гальванического элемента снимают только цинковую оболочку). Стержни закапывают в почву на расстоянии примерно 20 см друг от друга в средней части грядки. При умеренной влажности почвы электрическое сопротивление между стержнями составляет примерно 1500 Ом. Для изменения этого сопротивления изменяют расстояние между стержнями. При изменении влажности почвы сопротивление тоже изменяется, причем при пересыхании почвы сопротивление между стержнями увеличивается.

Усилитель постоянного тока выполнен на транзисторах VТ1 и VТ2. Исполнительным элементом, открывающим клапан, является электромагнит ЭМ1.

Устройство для автоматического полива срабатывает следующим образом. Сопротивление между стержнями D1 и D2 выбрано такой величины, что при достаточной влажности почвы транзисторы VТ1 и VТ2 закрыты, обмотка электромагнита ЭМ1 находится в обесточенном состоянии, клапан закрыт и вода в распределительные трубы не поступает. При уменьшении влажности почвы ниже допустимой величины сопротивление между стержнями D1 и D2 увеличивается, транзисторы VТ1 и VТ2 открываются, электромагнит ЭМ1 срабатывает, открывает клапан, и вода по распределительным трубам подается к растениям и увлажняет почву. При увлажнении почвы сопротивление между стержнями D1 и D2 уменьшается, транзисторы VТ1 и VТ2 закрываются, обмотка электромагнита обесточивается, клапан под воздействием массы воды закрывается, и вода в распределительные трубы не поступает. Влажность почвы, при которой срабатывает устройство, регулируется при помощи переменного резистора, входящего в схему устройства, и подбирается опытным путем.

Вход
Поиск по сайту
Ищем:
Календарь