Книга Планиверсум. Виртуальный контакт с двухмерным миром, страница 7 – Александр Дьюдни

Авторы: А Б В Г Д Е Ж З И Й К Л М Н О П Р С Т У Ф Х Ч Ш Ы Э Ю Я
Книги: А Б В Г Д Е Ж З И Й К Л М Н О П Р С Т У Ф Х Ц Ч Ш Щ Ы Э Ю Я
Бесплатная онлайн библиотека LoveRead.ec

Онлайн книга «Планиверсум. Виртуальный контакт с двухмерным миром»

📃 Cтраница 7

Ардийцы называют эти географические регионы: Пуницла, Дал-Радам и Ваницла. Пуницла и Ваницла — это низменные равнины с плоским рельефом, расположенные к западу и востоку от центрального плато Дал-Радам. Ардийцы делятся на две нации, населяющие Пуницлу и Ваницлу, а Дал-Радам почти необитаем. При этом границей между государствами Пуницла и Ваницла служит центральная точка плато.

До сих пор я избегал упоминания о размерах и не пытался объяснить, насколько велика планета Арде. Естественно, мы не могли напрямую сравнить расстояния на Арде с расстояниями на Земле и поэтому договорились, что будем считать рост Йендреда равным моему росту (175 см). Благодаря этой уловке мы смогли приблизительно оценить размеры предметов, которые появлялись на нашем мониторе, и перевести их из «йендредовской» системы мер в метрическую.

Так мы подсчитали, что протяженность и Пуницланской, и Ваницланской равнин от берега моря до подножия плато Дал-Радам составляет около тысячи километров. А само великое плато раскинулось еще на 800 километров.

Йендред — пуницланец, и в следующих главах будет описано его путешествие от побережья Пуницлы до плато Дал-Радам. Он вышел в путь ранней ардийской весной и преодолел такое огромное расстояние то пешком, то с помощью различных транспортных средств. Зимние дожди еще лили вовсю, и поэтому я решил добавить пару слов об этом удивительном явлении природы.

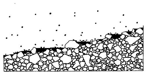
Хотя в низинных частях материка в конце весны и летом дождей почти не бывает, на склонах Дал-Радама они льют ежедневно весь год. На рисунке ниже изображен такой склон, и мы может видеть, что происходит, когда где-нибудь на Арде идет дождь.

Когда дневной западный ветер дует вдоль западного склона Дал-Радама, насыщенный влагой воздух с ростом высоты становится все прохладнее, и водяные пары начинают конденсироваться и образовывать облака. Облака растут, и как только капли воды становятся слишком тяжелыми, они проливаются вниз в виде дождя.

Иллюстрация к книге — Планиверсум. Виртуальный контакт с двухмерным миром [img_008.jpg]

Склоны Дал-Радама покрыты очень грубой «почвой», состоящей в основном из крупного гравия и камней. Поэтому во время дождя вода не может впитаться в почву так, как она впитывается на Земле. Повсюду на Дал-Радаме гравий и камни лежат сплошным слоем, образуя барьер, не пропускающий воду.

Нечто подобное происходит и на обеих равнинах, где частицы почвы гораздо мельче: попытайтесь представить себе такую же картинку, как наверху, только в уменьшенном виде. Дождевой воде, которая не может впитаться в почву Дал-Радама, ничего не остается, кроме как стекать вниз и, если дождь идет долго, может образоваться достаточно глубокая и бурная «река», способная увлечь за собой несколько слоев гравия и камней. Если на пути потока окажется крупный валун, его тоже может унести река, или же на этом месте возникнет водопад, и почва под валуном начнет размываться, пока сам этот валун не упадет в образовавшуюся яму.

Иллюстрация к книге — Планиверсум. Виртуальный контакт с двухмерным миром [img_009.jpg]

По этой и многим другим причинам именно потоки воды формируют рельеф на Арде, размалывая крупные камни в гравий, а гравий в мелкий песок. Вода перемещает огромные камни с плато Дал-Радам вниз, на Пуницланскую и Ваницланскую равнины, создает из камней почву и формирует очертания великого плато. Точно такие же процессы, только в менее выраженной форме, выровняли и сгладили рельеф Пуницлы и Ваницлы.

Но рано или поздно все реки Арде, обрушивались ли они бешеным потоком со склонов Дал-Радама или медленно растекались по равнине, достигают своего конца. Постепенно вода испаряется, течение замедляется и камни с песком оседают на дно. Единственное, что остается от такой реки — это длинная полоса влажной земли. Сплошной слой камней, который не давал воде впитываться в почву, теперь не дает ей просочиться глубже. На склонах Дал-Радама это ничем не грозит, но если какая-нибудь из тихих рек Пуницлы или Ваницлы окончит свое течение в углублении или яме, на этом месте образуются зыбучие пески, способные погубить неосторожного ардийца. Верхний слой почвы со временем высыхает и выглядит как твердая земля. К счастью, есть и другие механизмы, позволяющие почве полностью просохнуть, а иначе ардийцы давным-давно утонули бы в море грязи.

Ландшафт Айем-Коллоша скучен и уныл. Трудно представить, как в таком месте могла возникнуть жизнь, но все-таки она есть и достаточно разнообразна, в чем мы очень скоро сможем убедиться.

Дом у моря

Йендред вылупился из яйца в доме на Пуницланском побережье за двадцать ардийских лет до нашей встречи с ним. На самом деле выражение «дом у моря» не совсем точно, потому что между домом и берегом расположены еще пять домов. Да и вида на море там нет, так как дом находится под землей.

28 мая, среда, 20:00

Когда нам наконец удалось установить связь с Планиверсумом, Йендред стоял на берегу, подняв голову вверх — как мы позже выяснили, в этой позе ардийцы обычно мечтают и медитируют. К востоку от Йендреда была лестница, ведущая в его дом. Мы изменили масштаб изображения, чтобы видеть и Йендреда, и дом одновременно.

— МЫ ВИДИМ ПОДЗЕМНЫЙ ДОМ ВОЗЛЕ ТЕБЯ.

— ВХОД В МОЙ ДОМ ЭТО. ВНУТРЬ ВАС ОТВЕДУ Я.

— МЫ И ТАК ВИДИМ, ЧТО ТАМ ВНУТРИ.

— ТОГДА ПОДОБНЫ ДУХАМ ВЫ. НАСКВОЗЬ ВИДЯТ ГЛАЗА ВАШИ.

— НЕТ. МЫ ВИДИМ ТЕБЯ СО СТОРОНЫ. ИЗ ДРУГОГО ИЗМЕРЕНИЯ.

— ПРЕДСТАВИТЬ ЭТО НЕ МОГУ Я. СО СТОРОНЫ — ЭТО ИЗ МЕСТА ВОВНЕ?

— ДА. С ТОГО НАПРАВЛЕНИЯ, КУДА ТЫ НЕ МОЖЕШЬ ПОКАЗАТЬ. МЫ МОЖЕМ ВИДЕТЬ НЕ ТОЛЬКО ТО, ЧТО В ДОМЕ, НО И ТО, ЧТО ВНУТРИ ТЕБЯ.

Тут Йендред невольно вздрогнул. И пару минут молчал.

— ЕСЛИ ВНУТРЬ ДОМА МОЖЕТЕ ЗАГЛЯНУТЬ ВЫ, СКАЖИТЕ, ВНУТРИ КТО.

— МЫ ВИДИМ ЧЕТЫРЕХ НСАНА. ОДИН ИЗ НИХ МАЛЕНЬКИЙ. КТО ОНИ?

— МОИ РОДИТЕЛИ ЭТО, БАБУШКА И СЕСТРА.

Мы расспросили Йендреда об устройстве дома и о жильцах, и многое узнали о повседневной жизни обитателей двухмерного мира. На этот раз, как и во время предыдущих встреч, Йендред постепенно привыкал к нашим «возможностям».

Иллюстрация к книге — Планиверсум. Виртуальный контакт с двухмерным миром [img_010.jpg]

В доме было три этажа, соединенных лестницами, некоторые из которых могли изменять положение. На верхнем этаже размещались кухня и столовая со складными стульями, убирающимися в пол. На втором этаже — четыре кровати, а на нижнем — еще две, и маленькая библиотека с письменным столом. В центре находилась большая утопленная в землю емкость, наполовину заполненная жидкостью. Сначала мы решили, что это туалет, но оказалось, просто бак с водой.

Вход
Поиск по сайту
Ищем:
Календарь