Онлайн книга «Остеохондроз для профессионального пациента»
|
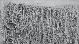
Таким образом, мы вкратце рассмотрели отделы позвоночного столба — этой удивительной конструкции, которая оптимально приспособлена для вертикального положения тела, работает чётко и слаженно. Но это, так сказать, обзор в целом. Теперь хотелось бы обратить ваше внимание на любопытные подробности из той же области остеологии (учение о костях), касательно важных элементов опорно-двигательного аппарата. Позвоночник человека — орган сегментарный (слово «сегмент» произошло от латинского слова segmentum — «отрезок»). Он состоит из отдельных позвонков, расположенных между ними межпозвонковых дисков, а также связок, суставов. Позвонок Итак, одним из основных элементов позвоночника является позвонок (vertebra). По своему строению типичный позвонок напоминает костяной перстень, состоящий из массивного тела позвонка (в нашем случае имитирующий большой драгоценный камень в этом кольце), дуги (точнее двух полудужек, соединяющихся сзади и образующих остистый отросток), замыкающей позвоночное отверстие. Данные отверстия, соединяясь, образуют позвоночный канал, где располагается спинной мозг. На дуге «кольца» имеется 7 по-своему интересных, анатомически выразительных отростков: это остистый отросток, два поперечных и четыре суставных отростка (два верхних и два нижних). В эту схему не вписываются только два верхних шейных позвонка (атлант и эпистрофей), крестцовые позвонки (из-за слияния в единую кость, их видоизменение) и рудиментарные копчиковые позвонки, которые, как мы уже выяснили, из-за особенностей отличаются своим строением от описанной схемы. У основания дуги имеется верхняя и нижняя позвоночные вырезки, которые при соответствующем соединении двух соседних позвонков образуют межпозвонковые отверстия. Тела позвонков приспособлены к тому, чтобы нести на себе тяжесть туловища, и являются основными опорными структурами позвоночника. ![]() Рисунок № 15. Образное сравнение позвонка и перстня Не случайно я сравнил тело позвонка с драгоценным камнем. Это действительно драгоценный по функциям элемент позвонка. Дело в том, что тело позвонка состоит из губчатого вещества пористой структуры, которое образовано отдельными костными перекладинами — трабекулами (лат. trabecula — небольшая балка, перекладина), основой микроскопичного строения которых являются костные пластинки. Ячейки губчатого вещества тела позвонка заполнены красным костным мозгом. А красный костный мозг, как известно, это важнейший орган кроветворения и костеобразования, поскольку в его тканях находятся кроветворные элементы (стволовые клетки), клетки, разрушающие кость (остеокласты) и клетки, образующие кость (остеобласты). Ценность заключается в том, что именно от тела позвонка поступает регулярное и единственное питание для межпозвонкового диска через замыкательную (гиалиновую) пластинку, отделяющую губчатую кость тела позвонка от межпозвонкового диска. О питании межпозвонкового диска мы будем говорить ещё не раз, поскольку это является существенным моментом в понимании причин возникновения и развития многих заболеваний позвоночника. А пока хочу привести наиболее доходчивое сравнение. Жизненно важное питание, поступающее от тела позвонка, представляет собой для межпозвонкового диска практически то же, что, к примеру, в Великую Отечественную войну представляла собой «Дорога жизни» для жителей блокадного Ленинграда (ныне Санкт-Петербурга). Ладожское озеро было тогда, подобно замыкательной пластинке, единственной транспортной магистралью, через которую поступало продовольствие для города. Поскольку мы уж коснулись темы Великой Отечественной войны, то приведу и другое, на сей раз весьма печальное сопоставление. Общеизвестный факт, как в концентрационных лагерях во время войны людей заставляли тяжело работать и при этом плохо кормили, вследствие чего доводили их до полного истощения, результатом которого зачастую была смерть. Аналогичный процесс происходит и в межпозвонковом диске. То есть, клеточки межпозвонкового диска, систематически испытывая значительные нагрузки и при этом не получая должного питания (а это происходит, к примеру, когда человек много сидит и мало ходит), истощаются и умирают, что соответственно со временем сказывается на диске в целом. ![]() Фото № 2. Наблюдается пористая структура тела позвонка в разрезе Но вернёмся к нашему перстню. О «драгоценном камне» — теле позвонка — у нас уже есть общее представление. Теперь полюбуемся отростками, расположенными на дуге. Поговорим о четырёх суставных отростках позвонка (двух верхних и двух нижних), за счёт которых позвонки соединяются с выше - и нижележащими позвонками. Кстати, соединяясь, нижние суставные отростки вышележащего позвонка и верхние суставные отростки нижележащего позвонка образуют дугоотростчатые суставы, так называемые истинные синовиальные суставы. Как вы знаете, суставом как таковым, именуют подвижное соединение костей скелета (позволяющее им перемещаться друг относительно друга), принимающее участие в осуществлении опорной и двигательной функций. Наряду с истинными суставами имеются полусуставы (по-научному межпозвонковые симфизы; symphysis — «переходные соединения»), к которым относятся и межпозвонковые диски. МРТ № 4 ![]() МРТ № 5 ![]() На МРТ № 4 наблюдается межпозвонковый диск в начальной стадии развития дегенеративно-дистрофического процесса. На МРТ № 5 наблюдается межпозвонковый диск на более поздней стадии развития дегенеративно-дистрофического процесса. ![]() Фото № 3. На фото макета позвоночника стрелкой указан дугоотростчатый сустав позвоночника. Дугоотростчатые суставы имеют синовиальную оболочку, фиброзную капсулу, суставную полость с синовиальной жидкостью, связки. Каждый дугоотростчатый сустав покрыт гиалиновым хрящом, по краю которого (на расстоянии 2–4 мм от края сочленяющихся поверхностей) прикрепляется капсула сустава. Изнутри суставная капсула покрыта синовиальной оболочкой. По передней поверхности она покрыта желтой связкой и составляет заднюю поверхность межпозвонкового отверстия. Капсула усиливается дорсально за счёт многораздельных мышц и вентрально жёлтой связкой, которая вплетается в неё в верхнемедиальном отделе. Верхний суставной отросток лежащего ниже позвонка массивнее нижнего и расположен больше кпереди и кнаружи, а нижний — кзади и кнутри. Часть верхнего суставного отростка у корня дуги участвует в формировании бокового углубления позвоночного канала. |
![Иллюстрация к книге — Остеохондроз для профессионального пациента [i_021.jpg] Иллюстрация к книге — Остеохондроз для профессионального пациента [i_021.jpg]](img/book_covers/044/44717/i_021.jpg)
![Иллюстрация к книге — Остеохондроз для профессионального пациента [i_022.jpg] Иллюстрация к книге — Остеохондроз для профессионального пациента [i_022.jpg]](img/book_covers/044/44717/i_022.jpg)
![Иллюстрация к книге — Остеохондроз для профессионального пациента [i_023.jpg] Иллюстрация к книге — Остеохондроз для профессионального пациента [i_023.jpg]](img/book_covers/044/44717/i_023.jpg)
![Иллюстрация к книге — Остеохондроз для профессионального пациента [i_024.jpg] Иллюстрация к книге — Остеохондроз для профессионального пациента [i_024.jpg]](img/book_covers/044/44717/i_024.jpg)
![Иллюстрация к книге — Остеохондроз для профессионального пациента [i_025.jpg] Иллюстрация к книге — Остеохондроз для профессионального пациента [i_025.jpg]](img/book_covers/044/44717/i_025.jpg)